搜索
首页
大数快讯
大数活动
服务超市
文章专题
出海平台
流量密码
出海蓝图
产业赛道
物流仓储
跨境支付
选品策略
实操手册
报告
跨企查
百科
导航
知识体系
工具箱
更多
找货源
跨境招聘
DeepSeek
首页
>
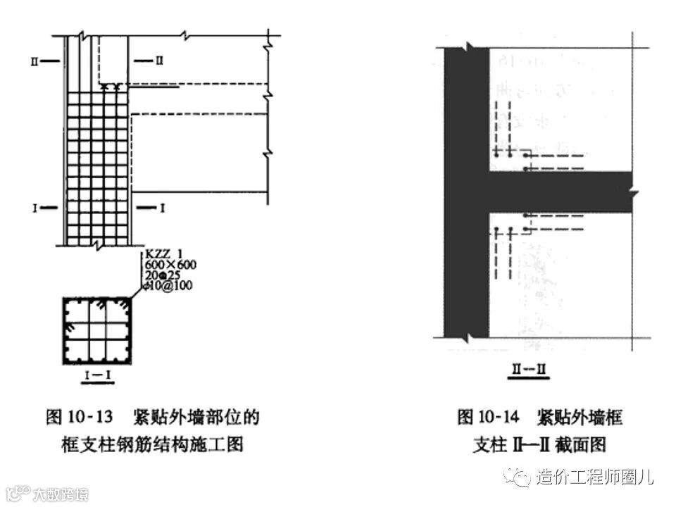
柱配筋图解,123页PDF!
>
0
0
柱配筋图解,123页PDF!
工程资料平台
2020-04-29
0
☞没想到,张文宏竟然成了反动派
来源:百度文库
版权
归原作者所有
建筑工程精品公众号推荐
长按下方二维码→识别关注
【声明】内容源于网络
0
0
工程资料平台
工程资料:标准规范、图集、工程学习资料等专业分享平台
内容
4124
粉丝
0
关注
在线咨询
工程资料平台
工程资料:标准规范、图集、工程学习资料等专业分享平台
总阅读
2.3k
粉丝
0
内容
4.1k
在线咨询
关注