
在剪力墙结构工程施工时,PVC电线管预埋敷设在穿越结构梁板模板时,往往需要用电钻在模板上开洞。由于伸出模板预留线管长度、垂直度受到现场影响,造成线管长短不一、歪斜、拆模时容易被折断。同时结构模板开洞穿越线管,容易在混凝土浇筑时漏浆,造成混凝土表面缺陷,严重影响结构工程感观质量,也造成模板损坏、电线管材料浪费。

针对传统工艺下PVC电线管预埋敷设需要在模板上开洞易造成质量缺陷的问题,南通二建集团某公寓项目采用模板免开洞预埋工艺,杜绝了上述质量缺陷。
模板免开洞施工的可行方案一般为下列三种:
方案一:PVC电线管加直接,用钉子将直接固定在模板上替代模板开洞穿越。
方案二:PVC电线管直接加管帽,用自攻钉内固定在模板上替代模板开洞穿越。
方案三:采用定型PVC电线管连接接头,用自攻钉固定在模板上替代模板开洞穿越。
方案一
方案二
方案三
从施工操作性、经济性和工程质量保证情况几个方面综合比较,方案三为最优方案:成本合理;操作方便,产品强度、稳定性能够保证,观感质量能够保证。故本项目采用方案三。

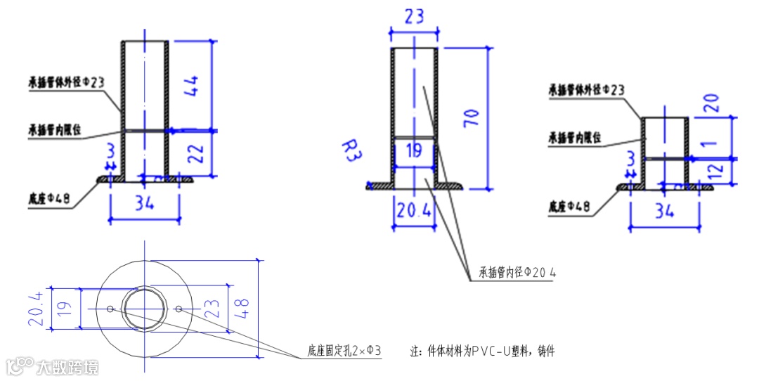
采用定型PVC电线管连接接头
施工工艺流程:

施工中可能出现的主要问题及对策
应确保产品一次成型并有有足够的强度。
对策实施:参照PVC电线管材料标准,CAD出图设计定型产品,通过模具厂家生产样品并做连接强度实验,确保定性连接件一次成型,并有足够强度满足现场预埋连接要求。

连接件详图
顶板连接件
梁底板连接件
平台降板内预埋
梁板内预埋
定位偏差,有可能导致以后线管位置超出墙体位置。
对策实施:对电气预埋点位图纸进行深化设计,严格按照结构控制线进行电气预埋测量定位,确保先管接管位置的准确性,避免二次结构墙体完成后线管出墙。

电气点位图
PVC电线管和连接件连接不牢固,混凝土振捣时产生脱断或者损坏。
对策实施:协调土建钢筋、混凝土施工班组、电气专业班组,进行相关成品保护措施的技术交底,防止PVC电线管和连接件连接不牢固,混凝土振捣时产生脱断或者损坏。
PVC电线管和和连接件确保粘结牢固

PVC电线管和连接件连接完成后及时对接管部位进行保护

混凝土浇筑过程及时检查修复线管损毁或接头脱落
通过采用定性连接件预埋、结构模板免开洞的工艺,杜绝了结构模板损耗和混凝土漏浆等缺陷,结构外观更加美观(梁、板),后续连接线管垂直、位置准确,可有效地节约成本,提升产品质量。
梁底板拆模后接管效果
顶板拆模后接管效果
长按下方二维码→识别关注

