
来源:建筑通
如有侵权,请联系删除
1、标高


☞☞总裁老婆深夜回家,老公看她走路姿势不对,妻子:加班累的!
1.1绝对标高亦称绝对高程或海拔高度,我国把青岛附近黄海的平均海平面定为绝对标高的零点,全国各地的标高均以此为基准。
1.2标高是把某地点对应的绝对标高定义为±0.000,(如名辉12#楼27.5)也称相对标高。建筑中一般以一层室内地面对应的绝对标高为±0.000标高。
2、指北针

针尖指向是北向,表示图纸上建筑物相对于北向的座向,看图方向一般按上北下南,左西右东的看图方向。
3、定位轴线


3.1定位轴线是用以确定主要结构位置的线,如确定建筑的开间或柱距,进深或跨度的线称为定位轴线。
3.2标注在图样的下方与左侧,横向编号应用阿拉伯数字,从左至右顺序编写,竖向编号应用大写拉丁字母,从下至上顺序编写。拉丁字母的I、O、Z不得用做轴线编号。因为为了区分1、0、2等数字,只是为了避免不必要的混淆而已,GB/T50001-2001 房屋建筑制图统一标准也规定了的,不能使用。
3.3 附加定位轴线的编号,应以分数形式表示,并应按下列规定编写:两根轴线间的附加轴线,应以分母表示前一轴线的编号,分子表示附加轴线的编号。
4、剖视的剖切符号


4.1剖切符号分为两种,一种是“剖切视图符号”,一种是“剖面图(又叫断面图)符号”。剖切视图除了断面,还包括能看见的后面的投影。剖面图(断面图)仅仅表示断面形状,不画后面还能看见的其他投影像。
☞☞总裁老婆深夜回家,老公看她走路姿势不对,妻子:加班累的!
4.2 ∟的粗实线符号是剖切视图符号,字母/数字朝哪边,表示向哪边看。断面剖切符号是一根长细线通过剖切位置,断面剖切符号标示中,标注数字在那边,就朝那边看。(示例)


5、索引符号与详图符号

在施工图中,有时会因为比例问题而无法表达清楚某一局部,为方便施工需另画详图.一般用索引符号注明画出详图的位置、详图的编号以及详图所在的图纸编号。
6、引出线

6.1引出线是对图样上某些部位引出做文字说明、尺寸标注和索引详图等用的,以细实线绘制。
6.2文字说明宜注写在横线的上方,也可注写在横线的端部。
6.3同时引出几个相同部分的引出线,宜相互平行,也可画成集成一点的放射线。
7、断开连接、对称符号

7.1断开连接符号用于较长的构件,当其长度方向的形状相同或按一定规律变化时可断开绘制断开处应用连接符号表示。
7.2当房屋施工图的图形完全对称时可只画该图形的一半,并画出对称符号。

1、建筑施工图主要用来表达建筑设计的内容
即表示建筑物的总体布局、外部造型、内部布置、内外装饰、细部构造及施工要求。它包括总平面图、总平面定位图、建筑设计总说明、建筑做法总说明、居住建筑节能设计专篇、门窗表、门窗大样图、建筑防火设计专篇、建筑平面图、东西、南北立面图、剖面图和建筑详图等。
2、建筑图纸的第一页一般为图纸目录单

图纸目录
3、总平面图
在总平面图中可以了解楼座的具体位置、高程、楼层数及与其它楼号的相互关系等。
4、建筑设计说明

建筑设计总说明在是工程师在熟悉图纸中重点要看的内容之一,主要说明工程的概况和总的要求。内容包括工程设计依据(如工程地质、水文、气象资料);设计标准(建筑标准、结构荷载等级、抗震要求、耐火等级、防水等级);建设规模(占地面积、建筑面积);工程做法(墙体、地面、楼面、屋面等的做法)及材料要求。
5、建筑做法总说明

以表格的形式对建筑物各部位构造、做法、层次、选材、尺寸、施工要求等的详细说明,在看图纸时应多看几遍以加深印象,工程做法大部分都在此进行说明。
6、节能专篇和门窗表
6.1建筑节能专篇是节能工程相关材料、做法的主要依据,节能工程中与其它做法有冲突的以节能专篇为准。主要有节能措施及技术要求、保温系统防火构造要求、节能保温的典型节点构造详图等。
6.2门窗表主要反映工程门窗的材质、类型、尺寸及相关技术要求等,比较简单。
7、建筑平面图
它反映出房屋的平面形状、大小和房间的布置、墙(或柱)的位置、厚度、材料、门窗的位置、大小、开启方向等情况。分底层、顶层、和标准平面图,在监理工作中是作为砌体、抹灰、控制室内开间、进深等依据,能做到熟悉即可。
8、立面图
建筑立面图在东西南北各个方向上均有,主要反映房屋的长度、高度、层数等外貌和外墙装修构造。它的主要作用是确定檐口、雨篷、阳台、线条、造型等的形状和位置及指导房屋外部装修施工。
1、结构施工图是关于承重构件的布置
使用的材料,形状,大小,及内部构造的工程图样,是承重构件以及其他受力构件施工的依据。
看结构施工图最难的就是钢筋,要把结施图看懂就要知道钢筋的分布情况,现在都是在使用平法来标注钢筋,所以要把平法弄懂才能彻底搞懂结构施工图。
2、结构施工图包含的内容
结构施工图一般高层建筑包含(但不局限于)结构设计总说明、桩基平面图、基础平面图、柱剪力墙平法施工图、剪力墙边缘构件表、梁、板平法施工图、楼梯和墙身大样图等。
3、在看图时先要着重看结构设计总说明
在这里可以了解到结构主要材料情况比如:基础、梁柱(一般C35-45)、板(C30)砼强度等级,钢筋(HPB300/HRB400,235、335已经淘汰,改为高强钢筋)填充墙加气砼砌块等级(B06)容重(6.5KN/m³),受拉钢筋最小锚固长度(从砼等级和抗震等级交叉查找)及最小搭接长度等结构上的基本信息。

4、桩基施工图

桩基施工图应区分什么类型的桩基,(CFG、人工挖孔、泥浆护壁灌注桩、强夯等)等都不一样,具体以泥浆护壁灌注桩为例。
5、柱、墙、梁板平法基本内容
5.1基本编号


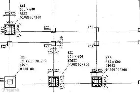
5.2柱平法施工图

柱平法施工图系在柱平面位置上采用列表注写或截面注写方式表达,下面以截面注写KZ2为为例:截面尺寸650*600,主筋22根HRB400直径22的钢筋,箍筋HPB300直径10加密区间距100非加密区间距200(mm)
5.3剪力墙平法施工图


剪力墙平法施工图
5.4梁平法施工图
a、梁平面注写方式包括集中标注与原位标注两部分,集中标注表达梁的通用数值,原位标注表达梁的特殊数值。当集中标注的某项数值不适用于梁的某部位时,则将该项数值进行原位标注,施工时原位标注取值优先。(详细请看11G101-1,25页-35页相关内容)
b、箍筋表示方法:⑴φ10@100/200,表示箍筋为φ10 ,加密区间距100,非加密区间距200,全为双肢箍。⑵φ10@100/200表示箍筋为φ10 ,加密区间距100,非加密区间距200,全为四肢箍。⑶φ8@200表示箍筋为φ8,间距为200,双肢箍。⑷φ8@100(4)/150表示箍筋为φ8,加密区间距100,四肢箍,非加密区间距150,双肢箍。说明(双肢箍、四肢箍指梁同一截面内在高度方向箍筋的根数)
c、⑴3Φ22,3Φ20表示上部钢筋为3Φ22, 下部钢筋为3Φ20。⑵2φ12,3Φ18表示上部钢筋为2φ12, 下部钢筋为3Φ18。⑶4Φ25,4Φ25表示上部钢筋为4Φ25, 下部钢筋为4Φ25。⑷3Φ25,5Φ25表示上部钢筋为3Φ25, 下部钢筋为5Φ25。
d、梁上部钢筋表示方法:(标在梁上支座处)⑴2Φ20表示两根Φ20的钢筋,通长布置,用于双肢箍。⑵2Φ22+(4Φ12)表示2Φ22 为通长,4φ12架立筋,用于六肢箍。⑶6Φ254/2 表示上部钢筋上排为4Φ25,下排为2Φ25。⑷2Φ22+2Φ22 表示只有一排钢筋,两根在角部,两根在中部,均匀布置。
e、 梁腰中钢筋表示方法:⑴G2φ12表示梁两侧的构造钢筋,每侧一根φ12。⑵G4Φ14表示梁两侧的构造钢筋,每侧两根Φ14。⑶N2Φ22表示梁两侧的抗扭钢筋,每侧一根Φ22。⑷N4Φ18 表示梁两侧的抗扭钢筋,每侧两根Φ18。
f、 梁下部钢筋表示方法:(标在梁的下部)⑴4Φ25表示只有一排主筋,4Φ25全部伸入支座内。⑵6Φ252/4表示有两排钢筋,上排筋为2Φ25,下排筋4Φ25。⑶6Φ25(-2 )/4表示有两排钢筋,上排筋为2Φ25,不伸入支座,下排筋4Φ25,全部伸入支座。⑷2Φ25+3Φ22(-3)/5Φ25表示有两排筋,上排筋为5根。2Φ25伸入支座,3Φ22,不伸入支座。下排筋5Φ25,通长布置。

6、板平法施工图

6.1板(有梁楼板、无梁楼板直接支持在柱子上不设主次梁,主要介绍常用的有梁楼板11G101-1,36页-52页)平面注写方式有板块集中标注和原位标注。
6.2板块集中标注的内容为:板块编号、板厚、贯通纵筋,以及当板面标高不同时的标高高差。贯通纵筋按板的上部和下部分别注写(当板块上部不设贯通纵筋时则不标注),并以B大表下部,以T代表上部,X向贯通纵筋以X打头,Y向贯通纵筋以Y打头两向贯通纵筋配置相同时则以X&Y(&,ande缺一不可)。

例如:LB3,厚度h=100.底部贯通纵筋XY方向均为HRB400直径8,间距150.上部贯通纵筋X方向HRB400直径8,间距150。
6.3板支座原位标注的内容为:板支座上部非贯通纵筋和悬挑板上部受力钢筋,板支座原位标注的钢筋应在配置相同的第一跨表达。在实际应用中要两种方法相结合,下图板支座非贯通纵筋

长按下方二维码→识别关注



