搜索
首页
大数快讯
大数活动
服务超市
文章专题
出海平台
流量密码
出海蓝图
产业赛道
物流仓储
跨境支付
选品策略
实操手册
报告
跨企查
百科
导航
知识体系
工具箱
更多
找货源
跨境招聘
DeepSeek
首页
>
【知识】船体开孔规则(文件可下载)
>
0
0
【知识】船体开孔规则(文件可下载)
武昌造船
2019-05-13
0
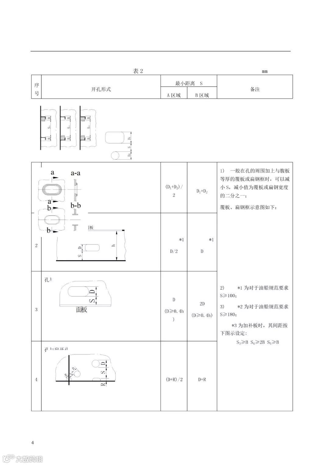
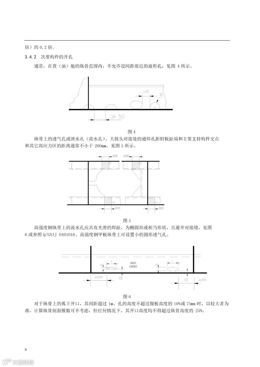
导读:船体结构开孔规则标准
◎转自丨龙de传人
点击文末
阅读原文
,下载
《
船体结构开孔规则标准
》
,
提取码:zxql
点击下方
阅读原文
,下载
《
船体结构开孔规则标准
》
,
提取码:zxql
—
END
—
【声明】内容源于网络
0
0
武昌造船
中国船舶集团有限公司所属武昌船舶重工集团有限公司官方订阅号。
内容
3377
粉丝
0
关注
在线咨询
武昌造船
中国船舶集团有限公司所属武昌船舶重工集团有限公司官方订阅号。
总阅读
9
粉丝
0
内容
3.4k
在线咨询
关注