搜索
首页
大数快讯
大数活动
服务超市
文章专题
出海平台
流量密码
出海蓝图
产业赛道
物流仓储
跨境支付
选品策略
实操手册
报告
跨企查
百科
导航
知识体系
工具箱
更多
找货源
跨境招聘
DeepSeek
首页
>
【船舶知识】电气控制原理动图,直观易懂!
>
0
0
【船舶知识】电气控制原理动图,直观易懂!
武昌造船
2019-12-02
0
导读:电气控制原理动图,直观易懂!
◎荐读丨科技部
转
自丨机械知网
今天分享的动画资源是来自机械工业出版社出版的《电气控制与PLC(三菱)》一书,作者:杨林建,ISBN:978-7-111-50680-5
低压电器部分
1
按钮开关
2
闸刀开关
3
行程开关
4
交流接触器
5
热继电器
6
时间
继电器
7
速度
继电器
电动机及控制线路
1
异步电动机
2
直流电动机
3
步进电动机
4
永磁电机
5
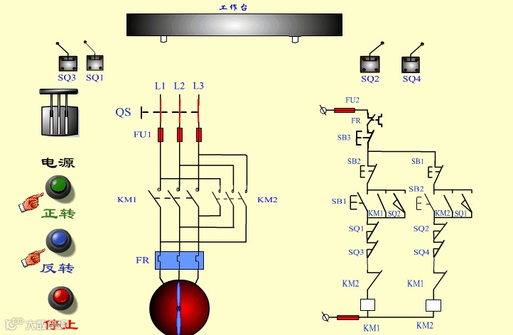
正反转控制
6
自动往返控制
7
顺序控制
8
多点控制
9
星三角启动
10
手动控制
传感及控制原理
1
布料张力测量
2
MQN型气敏电阻
3
气泡式水平仪
4
直滑式电位器控制气缸活塞行程
5
电容加速度传感器
原理图纸对照
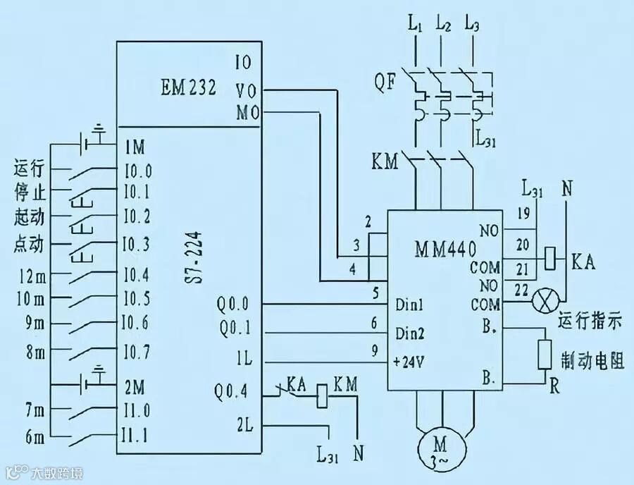
最后分享一个“我是小豆”录播的电气控制原理图纸对照视频,希望对大家有帮助。
—
END
—
点击下方“
阅读原文
”进入【
船舶知识
】专栏
阅读更多船舶建造知识
欢迎识别上方二维码关注我们
喜欢就点一下右下角的“在看”吧↘↘
【声明】内容源于网络
0
0
武昌造船
中国船舶集团有限公司所属武昌船舶重工集团有限公司官方订阅号。
内容
3377
粉丝
0
关注
在线咨询
武昌造船
中国船舶集团有限公司所属武昌船舶重工集团有限公司官方订阅号。
总阅读
2.9k
粉丝
0
内容
3.4k
在线咨询
关注