
尽管很多地区(如江西、安徽、山西等地)开始限制或禁止使用复合发泡水泥板,目前但是这种材料还是拥有一席之地。在经济发达的江苏省、上海市都有地方标准而且没有被明令限制或禁止。在湖南、江苏等地我们还能碰到很多复合发泡水泥板的设计。在一些知名集采中,也有复合发泡水泥板这种材料。那这种存在争议的材料到底怎样呢?

无机发泡水泥板(网络图片)
该材料最最大的优势就是A级不燃,所以其地位目前还比较稳妥。无机保温材料不燃,但是保温性能还是不如有机保温材料。同时还有各种各样的不足。近年来发生了非常多的建筑火灾事故,这些事故虽然不能直接让保温材料背锅,但是保温材料也别想摘的干净。所以保温工程的从业者一直会被这些难题所困扰:
1、无机保温材料保温绝热性能好,但是不防火。
2、有机保温材料燃烧等级A级不燃,但是保温性能比无机保温材料差。
3、建筑火灾一旦燃烧,参与燃烧的往往还有很多物质,比如装饰层,房间堆放的杂物,保温若采用B1级,火势一旦爆发,迅速蔓延,后果严重。
复合发泡水泥板也可以说是一种政策性产品,公通字[2009]46号)第二条规定,民用建筑外保温材料采用燃烧性能为A级的材料。 这些严苛的规定让无机发泡水泥板又迎来了发展春天,因为毕竟人命关天。
同时, 该产品为JGJ289-2012建筑外墙外保温防火隔离带技术规程中推荐的防火隔离带保温材料,但宜选用岩棉带。
在下列地区,复合发泡水泥板被限制使用:
1、江西地区
2017年 江西发布 关于发布江西省建设领域第一批限制、禁止类技术产品目录的通知,复合发泡水泥板限制使用,不得使用在倒置式屋面,理由:复合发泡水泥板的强度较低,吸水率较大,不得用于倒置式屋面。
此外该地区的A级保温材料还有几种材料被限制使用。
(1)岩棉,岩棉不得使用在混凝土结构屋面保温,理由,岩棉具有较大的吸水率,且压缩强度较低,无法满足相应要求,不得用于建筑屋面。
(2)无机轻集料保温砂浆(含无机活性保温砂浆)。
I型无机轻集料(活性)保温砂浆不得用于外墙外保温,理由:I型无机轻集料(活性)保温砂浆轻度(抗压强度和拉伸强度)较低,施工过程中的质量难以保证,易开裂,脱落。
II型无机轻集料(活性)保温砂浆用于外墙外保温的厚度不得超过3cm,理由:分层施工容易导致保温层剥落。
2、安徽地区
2017年 安徽省 关于发布《安徽省建设领域技术新产品推广应用停止受理项目清单(第一批)》的通知规定,
发泡水泥板外墙外保温系统停止受理,原因,发泡水泥板外墙外保温系统易粉化、易开裂、抗压、拉伸、剪切等强度低,吸水率大,性能指标不符合JGJ144《外墙外保温技术规程》等标准要求;板材制作采用强氧化剂发泡,造成板材碳化,粉化速度快,耐久性差。
此外还有 砂浆类保温材料外墙外保温系统、保温胶泥-反射隔热涂料外墙外保温系统、建筑反射隔热涂料-保温腻子外墙外保温系统、玻璃棉外墙外保温系统、菱镁类保温板外墙外保温系统也被停止受理。
3、山西地区
2019年4月19日,山西省发布《关于建筑节能产品(技术)推广应用有关事项的通知(第92号)》,其规定
泡沫混凝土保温板(发泡水泥保温板)、膨胀珍珠岩保温板等无机发泡类保温板材,不能用于外墙外保温工程,限制使用的依据或原因为:耐久性和保温性能不能满足严寒和寒冷地区建筑工程外墙外保温系统标准要求。
此外还有,酚醛板(不能作为A级保温材料使用)、玻璃棉及其制品(不能用于外墙)、高密度无机材料改性EPS板(热固性复合聚苯板G型)不能用于薄抹灰外墙外保温系统,低密度无机材料改性聚苯板(热固性复合聚苯板D型),不能作为A级保温材料使用,建筑反射隔热涂料(不能单独作为保温材料用于民用建筑保温工程),真空绝热板(不能用于薄抹灰外墙外保温工程),矿物棉、无机纤维喷涂绝热层(不能用于外墙外保温工程),这些材料也被禁止使用。
虽然在经济发达地区水泥发泡板还没有被明确限制或者禁止,但作为一个大的趋势,无机水泥发泡板或无机保温砂浆的应用范围会受到限制。但是如果外墙防火安全无法根治,B级防火材料无法满足要求,这些无机保温材料也会有一定的市场。目前就只有岩棉外墙外保温系统尚有稳妥的市场地位。(当然玻璃棉不可作为外墙外保温薄抹灰体系的保温材料,可以用于钢结构幕墙的填塞保温材料)。
目前关于无机发泡水泥板的地方规范不多,主要如下
发泡水泥板涉及的标准规范一览表(以地标为例)
序号 |
标准/规范号 |
标准/规范名称 |
1 |
DG/TJ 08-2138-2014 |
上海市发泡水泥板保温系统应用技术规程 |
2 |
DGJ32/T174-2014 |
江苏复合发泡水泥板外墙外保温系统应用技术规程 |
3 |
DBJ50/T-185-2014 |
重庆市改性发泡水泥保温板建筑保温系统应用技术规程 |
(1)发泡水泥板外墙保温系统
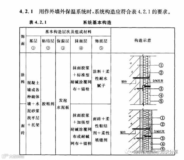
该系统采用粘贴、锚固的方法将发泡水泥板固定在建筑物外墙一侧,并在发泡水泥板表面由抹面胶浆和耐碱涂覆中碱玻璃纤维网格布或耐碱玻璃纤维网格布复合形成抹面层,以涂料或面砖为饰面层组成的不燃型外墙保温构造。按发泡水泥板固定在外墙的外侧或内侧,分为外墙外保温系统和外墙内保温系统。
(2) 发泡水泥板
发泡水泥板是以普通硅酸盐水泥、粉煤灰等为主要材料,掺加发泡剂等其他外加剂,经发泡、成型、养护、切割等工艺制成的轻质多孔保温板。
也即是说,复合发泡水泥板是水泥加入双氧水,硬钙、粉煤灰和水泥发泡剂融合发泡制成。
(3)发泡水泥板尺寸

发泡水泥板的尺寸一般为300*300,与其他保温材料1200*600相比,它的板幅较小,上墙后的拼缝较多,容易引起板面不平整,平整度控制不理想,操作效率低,施工难度大。
(4)发泡水泥板的主要性能指标

与岩棉系统相比,密度比岩棉大,导热系数比岩棉高出很多。其优势在于抗压强度和抗拉强度。但其吸水率达到10%,非常不利。所以综合分析,A级保温材料功能排序应为:岩棉>无机保温砂浆>发泡水泥板。
(5)发泡水泥板的优点
1)A级,不燃。造价低。
(6)发泡水泥板的缺点
1)发泡水泥板的保温性能较差,不适用于高节能要求的外墙外保温项目中。
2)材质很脆,缺棱掉角现象严重,运送、存贮、使用过程中容易破损,破板率较高,使用时小心翼翼(工人的耐心却是有限度的)。膨胀变形内应力较大,强度较低,吸水率高,吸水后,自身强度大幅度下降。容易收缩、开裂。品质低端。江苏省前几年上马了几百家企业,技术门槛太低,小厂多,配方和工艺不精确,竞争大,低价不保质量,市场做烂。

缺棱掉角(网络图片)
3)采用薄抹灰外墙外保温体系,施工板缝处容易开裂(板幅仅为300*300,拼缝多),导热系数较高,严寒和寒冷地区使用较厚,
4)耐久性存疑,长久后会出现坍塌问题,合格品少。应谨慎选材。
(1)各地复合发泡水泥板主要构造设计对比
1)江苏省
1 外墙应采用涂料饰面,不应采用面砖饰面(出于系统抗风安全考虑);
2 发泡水泥板的厚度不宜超过45mm,若超过这个厚度,应适当增加机械锚固措施和保温层有效排水构造;
3 在楼层结构梁部位安装水平通长角钢托架;
4 系统构造

复合发泡水泥板外墙外保温薄抹灰系统在江苏省采用双网构造,锚固件设置于两层网格布之间。在结构梁部位设置(通)(长)的托架。
5 基层处理。基层为淤泥烧结砖(砌块)、烧结保温砖(砌块)等墙体,墙体可不做界面处理。外侧应设置防水砂浆找平层。当基层墙体为加气混凝土,其表面应涂刷专用界面砂浆,然后粉刷专用找平(抹面)砂浆。
7 发泡水泥板与基层墙面的连接应采用满铺粘结砂浆粘结,并辅以机械固定。
8 建筑物首层抹面层乘湿压入一层标准耐碱玻纤网格布和一层加强型耐碱网格布。二层以上墙面抹面层中趁湿压入网格布,应采用两层标准型耐碱玻纤网格布。抹面层厚度宜为5~7mm;
9 辅助固定的锚固件应设置在内层耐碱网格布之外。用于空心砌块砌体时,应采用回拧打结型锚固件;
10 关于托架。采用薄抹灰系统时,建筑高度40m以下的,角钢托架每三层设一道;总建筑高度40~60m的,应每两层设置一道;建筑高度60m以上时,应每一层设置一道。
2)上海市
1 用作外墙外保温系统时,保温板厚度不大于70mm,使用高度不应超过60m;
2 基层墙体应有水泥砂浆找平层,厚度12~20mm
3 基层墙面与水泥砂浆找平层之间应采用界面剂处理
4 系统构造

上海市地标的无机发泡水泥板采用的是单网系统(涂料饰面),锚固件固定在板面上;然后抹面挂网。
5 发泡水泥板与基层墙体的连接应采用满粘,布胶厚度不应小于5mm;
6 涂料饰面时,建筑物首层抹面层应压入两层标准型耐碱涂覆网格布。二层及二层以上抹面层压入一道标准型耐碱涂覆网格布。抹面层厚度为4~6mm。标准型网格布的搭接宽度≥100mm。
7 涂料饰面,高度24m以下可不设金属托架。高度24m以上,每三层且不大于10m设置一道金属托架。如墙面有混凝土突出构造,可以代替金属托架;
8 锚栓设置:
涂料饰面,高度12m以下,可不设置锚栓,高度12m~40m,每平米不少于4个锚栓;40~60m,每平米不少于5个锚栓。
外墙阳角部位,锚栓离角边120mm~150mm内的位置,在已有锚栓中间加设一个。
虽然地方规定不同,我们还是建议复合发泡水泥板采用双网系统。
施工流程图


售楼处实景图(来源网络)
项目名称:万科|弘阳 君望甲第
项目地点:常州新北薛冶路与瀛平路交汇处
开发商:常州市沛凌房地产开发有限公司
项目类型:住宅
节能系统:复合发泡水泥板外墙外保温系统
施工面积:49900㎡
免责声明:图文来源于网络,版权归原作者所有,本平台转载旨在参考交流。

