为保障船舶航行安全和发生海损时仍能保持一定的航海性能,并使船舶具有尽可能大的装载能力,《1966年国际载重线公约》(The International Convention on Load Lines,1966)及《法定规则》均规定必须在船舶两舷勘绘载重线标志,以限制船舶满载时的最大吃水。

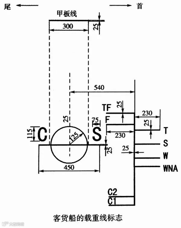
载重线标志由外径300mm,宽为25mm的圆圈与长为450mm,宽为25mm的水平线相交组成。水平线的上边缘通过圆圈中心。
圆圈中心应位于船舶两舷按1966年《国际载重线公约》1988年议定书附则B修正案(MSC.143(77))所规定的船长中点处,从甲板线上边缘垂直向下量至圆圈中心的距离等于所核定的夏季干舷。
勘划载重线时,应在载重线圆圈两侧并在通过圆圈中心的水平线上方或圆圈的上方和下方加绘表示勘定当局的简体字母。

所勘划的载重线的各线段,均为长230mm,宽25mm的水平线段,这些线段与标在圆圈中心前方长540mm,宽25mm的垂线成直角,为不同区带、区域和季节期的最大吃水限制线,度量时应以载重线的上边缘为准。对圆圈、线段和字母,当船舷为暗色底者,应漆成白色或黄色,当船舷为浅色底者,应漆成黑色。
国际航行非木材甲板货船载重线标志


❂ CS(China classification society)——中国船级社;
❂ S(Summer loadline)——夏季载重线,其上边缘通过圆圈中心;
❂ T(tropical loadline)——热带载重线;
❂ W(winter loadline)——冬季载重线;
❂ F(fresh water loadline)——夏季淡水载重线;
❂ TF(tropical fresh water loadline)——热带淡水载重线;
❂ WNA(winter north atlantic loadline)——北大西洋冬季载重线;
国际航行木材甲板货船的载重线标志


由于木材甲板货给船舶提供了一定的附加浮力,增加了抗御海浪的能力,因而木材最小干舷比相应的其他船舶最小干舷小些。木材载重线在通常载重线以外另行勘绘,位于载重线圈后方一定距离处。各载重线一端在规定字母前加标“L”。
——LT载重线对应的干舷较LS载重线对应的干舷小1/48的夏季木材吃水;
——LW载重线对应的干舷较LS载重线对应的干舷大1/36的夏季木材吃水;
——LWNA载重线对应的干舷与WNA载重线对应的干舷相同。
对于淡水木材干舷的规定同其他货船。
国内航行船舶载重线标志


对于国内沿海航行的船舶,由于沿岸海面风浪较小,对稳性、强度、抗沉性等的要求可低于国际航行船舶,储备浮力也可相应减小,因此,根据《法定规则》规定,其干舷可降低要求。
国内航行船舶载重线下半圈与标志同色,两侧标以字母ZC,共有夏季、热带、淡水和热带淡水4条载重线,并在各载重线一端分别标有X、Q、R、RQ汉语拼音缩写。
客货船的载重线标志


❂ C1——客船分舱载重线;
❂ C2——交替运载客货分舱载重线;
船舶在营运期间使用载重线标志时,应注意以下事项:
(1)船舶所勘绘的载重线位置与证书所载相符合。
(2)保持载重线标志清晰可见。
(3)保持证书在有效期内,展期不超过5个月。
(4)保证船体和上层建筑、有关装置和设备无实质性变动。
(5)封闭的上层建筑所有出入口关闭设备应当能够保持风雨密,其出入口的门槛高度应至少为380mm(干舷甲板上门槛严重锈蚀或破损是PSC扣船的原因之一)。
(6)船舶载重量应受到限制以保证船舶无论在出港时、航行中还是到港时,由区带或区域、季节期所确定的载重线不被水线淹没。
(7)当船舶处于载重线海图中的区带或区域分界线港口装货且驶向使用较高载重线的海区,则适用较高载重线;反之,适用较低载重线。
(8)当船舶处于密度为1.000g/cm3的淡水中,应根据水域位置及季节期使用淡水或热带淡水载重线。若密度大于1.000g/cm3时,此宽限量应以1.025g/cm3 和实际密度的差值按比例决定。
(9)船舶从江河或内陆水域的港口驶出时,准许超载量至多相当于从出发港至海口间所需油水及其他物料的重量。
(10)对于船舶由于气候恶劣或其他不可抗力的原因而发生绕航或延滞情况,可背离公约中的有关规定。
微信号:HAIYINGGUOJI
专业海盈成就您的未来

