一种由尿液中的主要成分制成的凝胶看起来就像一条友情手链。它由自发形成“辫子”的微小纤维组成,可被用来制造新药。相关成果日前发表于《自然—化学》。

英国杜伦大学的Jonathan Steed和同事用两种寡聚的脲类化合物创造了这种凝胶。在分子水平上,该凝胶以两种不同的结构将自己组装成四股辫。
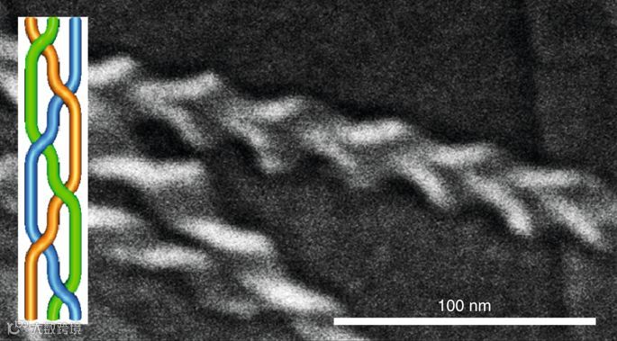
最简单的四股辫是四股螺旋——类似于DNA的双螺旋,但有四股平行缠绕的“辫子”。另一种是两个相互交织的双螺旋。
“我们设计了一种玩具分子,并且可以看着它形成相当漂亮的‘辫子’。”Steed说。
虽然他们的分子是经过设计的,但像这样的“辫子”可以自然地出现。例如,在疯牛病中,淀粉样蛋白的纤维会形成“辫子”并聚集在一起。
该团队使用类似的以尿素为基础的凝胶生产具有不同性质的药物。
“我们将其中的新药物分子结晶,有时会发现不同的晶体排列。”Steed表示。由此产生的不同结构可改变药物的溶解度,以及服用后进入人体血液的药物含量。
这种新分子比研究人员此前生产的凝胶更有黏性,并且可能有助于更好地控制其性质。
“你可以想象这样一种情况:用一种方法编织纤维,然后得到了类似于番茄酱的东西;也可以用另一种方法编织它们,然后得到了像橡皮球一样的东西。”Steed 说,“如果你能用同样的分子产生不同的微观结构,那么就能得到具有不同性质的材料。”
论文链接:
https://www.nature.com/articles/s41557-019-0222-0
来源:中国科学报
相关进展
东南大学张久洋教授课题组成功制备了一种液态金属高分子凝胶功能材料
免责声明:部分资料来源于网络,转载的目的在于传递更多信息及分享,并不意味着赞同其观点或证实其真实性,也不构成其他建议。仅提供交流平台,不为其版权负责。如涉及侵权,请联系我们及时修改或删除。邮箱:info@polymer.cn
关注高分子科学技术 👉
长按二维码关注
诚邀投稿
欢迎专家学者提供稿件(论文、项目介绍、新技术、学术交流、单位新闻、参会信息、招聘招生等)至info@polymer.cn,并请注明详细联系信息。高分子科技®会及时推送,并同时发布在中国聚合物网上。
欢迎加入微信群 为满足高分子产学研各界同仁的要求,陆续开通了包括高分子专家学者群在内的几十个专项交流群,也包括高分子产业技术、企业家、博士、研究生、媒体期刊会展协会等群,全覆盖高分子产业或领域。目前汇聚了国内外高校科研院所及企业研发中心的上万名顶尖的专家学者、技术人员及企业家。
申请入群,请先加审核微信号PolymerChina (或长按下方二维码),并请一定注明:高分子+姓名+单位+职称(或学位)+领域(或行业),否则不予受理,资格经过审核后入相关专业群。
点
这里“阅读原文”,查看更多

