快速完成电机驱动系统设计
电机控制设计套件为电机驱动系统的设计提供了快速解决方案。设计套件提供预建的设计模板,适用线性及非线性PMSM和感应电机(IM),支持有传感器或无传感器控制。基于最低系统规格,电机控制设计套件自动设计所有反馈控制器,包括速度和电流回路,确保正确的穿越频率和稳定性裕度,并生成一个完整且可运行的系统,随时可以进行仿真。
设计套件提供了先进的PMSM电机控制技术,如最大扭矩电流比控制(MTPA)和弱磁控制。此外,对于以弱磁控制模式运行的无限转速PMSM驱动器,还提供了最大扭矩电压比控制(MTPV),也称为最大扭矩磁通比控制(MTPF),以进一步扩展电机驱动器在高速区域的运行范围。
外环速度回路的采样率通常比内部电流回路的采样率低,控制器设计支持不同的采样率。
对于PMSM(IPM)和PMSM(SPM)模板,提供速度-扭矩工具。基于电机参数和运行条件,如直流母线电压和电机最大电流,该工具可以绘制基于上述先进电机控制技术所能实现的最大扭矩和功率,为用户在拥有真实的驱动系统之前,了解电机驱动的边界提供了非常便捷的方式。
凭借可以快速搭建具有详细电路模型的电机驱动系统的功能,电机控制设计套件通过以下方式为工程师提供帮助:
帮助系统工程师评估系统需求,了解直流母线、三相电源逆变器、电机和控制器等主要子系统的交互作用。同时,帮助工程师制定详细的子系统硬件/软件规格,从而更好地了解子系统的工作情况。
可以帮助硬件工程师进行硬件组件的选择和设计,帮助软件/控制工程师开发和评估先进的控制算法和D SP控制软件。
可以帮助集成/测试工程师根据系统需求完成系统集成和测试工作。
电机控制设计套件为开发电机驱动系统提供快速的设计解决方案,并大大加快开发过程。
以下设计模版适合于感应电机驱动:
此外,还提供了以下设计模板用于使用TI的InstaSPIN技术的无传感器PMSM电机驱动:
请注意,无传感器电机设计模板使用了PIL模块(InstaSPIN)。由于PIL模块(InstaSPIN)是PIL模块的一部分,因此需要在PSIM中安装PIL模块才能运行这四个模板。
在IPM电机中,q轴电感大于d轴电感,即Lq> Ld。在SPM电机中,d轴和q轴电感相等,即Ld= Lq。在非线性IPM电机中,Ld随电机电流变化而变化。
典型的电机驱动系统由直流电源、三相电压源逆变器、电机、电机控制器和机械负载组成。驱动模板的整体结构如下所示:
输入每个模块的参数后,控制器的所有参数将根据运行条件自动设计,整个电路可以随时进行仿真来验证。
本教程介绍如何使用设计模板。我们将使用PMSM(IPM)驱动模板和以下电机作为示例来说明该过程。
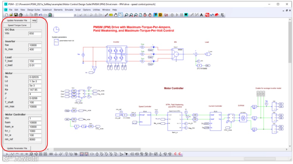
PMSM电机:125 kW,4极,8000 rpm,150Nm
参数:Rs = 0.02035 Ohm,Ld = 1.5mH,Lq = 5mH,Back EMF常数=147.95Vpk/krpm,惯性矩=0.0206kgm2
最高额定值:180 kW, 1200Nm,10000 rpm
电机的直流母线电压设置为650V。逆变器的开关频率为10kHz。电流回路采样频率设置为10 kHz,速度回路采样频率设置为10kHz。电流回路带宽设置为1 kHz,速度回路带宽设置为100Hz。
运行电机控制设计套件包括三个步骤:定义系统参数、检查电机速度-扭矩曲线、更新参数文件并进行仿真。
运行PMSM(IPM)驱动模板,按照以下步骤操作:
在PSIM中,执行Design Suites>> Motor Con trol Design Suite,选择PMSM(IPM)Drive,将出现如下所示的对话框,单击Unpack以解包文件至 默认文件夹。要解压到不同的文件夹,请单击Change Folder以浏览文件夹,或输入文件夹名称。在此示例中,文件将放置在“c:\temp”目录下。
文件解包后,将在PSIM中显示一个模板电路,如下所示。在左侧的参数面板输入或修改设计参数。
原理图左侧是参数面板,该面板定义系统参数(如直流母线电压、逆变器频率、电机参数)和控制计参数(如电流和速度回路带宽)。在此示例中,输入值如下。
变量是电路参数文件中使用的名称。
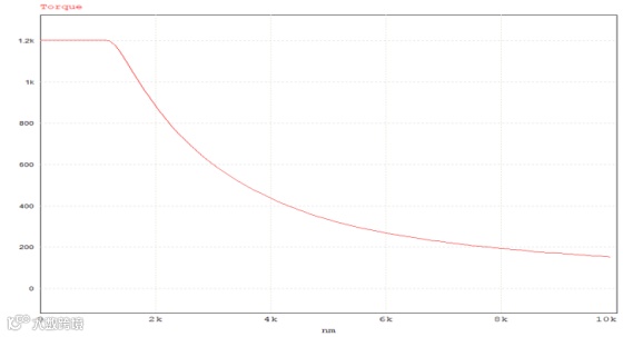
在参数面板中输入所有必要的参数后,点击“Speed-Torque Curve”按钮,可以展示电机在整个速度范围内的扭矩和功率特性。这些特性反映了电机驱动系统在特定工作条件下的最大性能,也是控制器设计时必须考虑的约束条件。如果预期的电机驱动系统需要超出“速度-扭矩曲线”所示的性能,即在扭矩、功率或速度上有更多的需求,那么应该通过调整直流母线电压、逆变器的最大电流,或者选择一个性能更强的电机来满足这些额外的需求,确保所选方案在电机驱动系统的最大能力范围内。
在步骤2中检查了电机速度-扭矩曲线,并更新了参数面板中的所有参数后,点击“Update Parameter File”按钮以更新原理图中的参数文件“parameters-main.txt”。此参数文件包含用户输入的参数和设计套件计算得到的参数。设计套件的一个关键特性是,电流回路控制和速度回路控制的参数会自动计算,从而省去了用户设计控制器的麻烦。
如果参数面板中的任何参数发生变化,则必须再次单击更新参数文件以更新参数文件。否则,参数将不会更新。参数文件更新后,运行时域仿真并验证设计。可能需要调整切换频率、采样频率、电流和速度的穿越频率以及d轴电流参考值,以实现所需的性能。
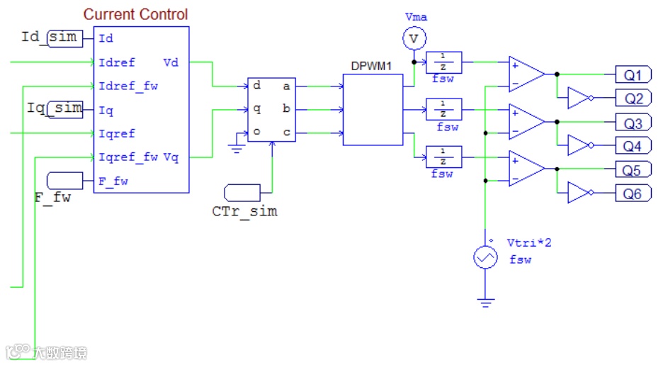
需要关注的关键仿真波形是PWM模块输入端的调制信号Vma,确保Vma在载波工作范围内,保证PWM逆变器在PWM线性范围内工作。该原理图可以在开关模型或平均模型之间切换,以实现更快的仿真。要更改逆变器模型类型,请将三相逆变器的模型级别设置为开关模型的理想模型或平均模型,然后相应地启用或禁用PWM模块。
进行各种必要的工程分析
创建模板电路后,可以修改电路以进行其他分析。只要控制结构保持不变,由电机控制设计套件设计的控制器保持一直有效。
可以进行的一些更改包括:
可以使用离散开关与二级 IGBT/MOSFET模型进行逆变器建模,并评估逆变器的开关效应。
不连续的PWM模块DPWM1、DPWMMIN和DPWMMAX在开关损耗方面比传统的SPWM和SVPWM方法更有效。可以将空间向量PWM模块替换为以上三种选项之一。
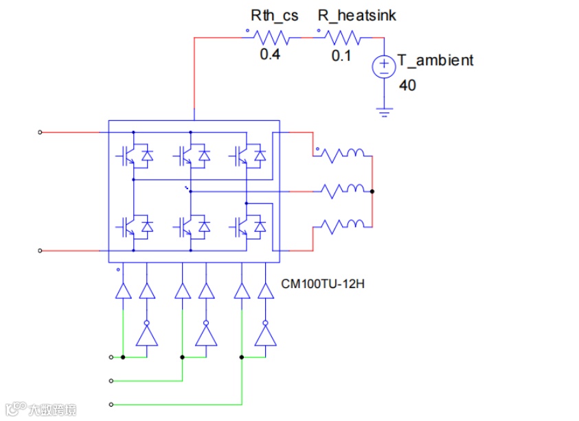
通过用下图所示的带热模块逆变器模块替换逆变器,可以评估器件开关损耗和结温。
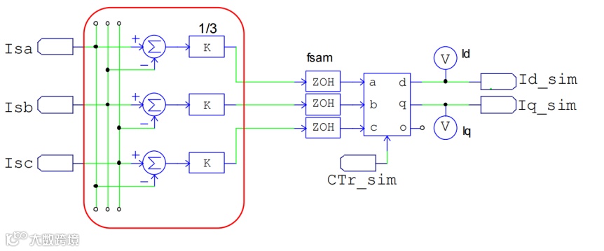
电机控制设计套件中的交流电机均为Y型连接电机。如果使用Δ型连接的电机,则需要将检测到的电机线电流转换为相电流,如下图所示:
补充说明
下图显示了使用外部磁铁(SPM)和内置磁铁(IPM)的永磁同步电机的截面示意图。
如您需要本教程的PDF版本,请写邮件至infor@cnsim.cn获取!

