3月29日,国家环保总局发布了
《建设项目竣工环境保护验收技术规范涤纶》(HJ 790-2016)
《建设项目竣工环境保护验收技术规范粘胶纤维》(HJ 791-2016)
以上两个标准将于2016年7月1日起执行。
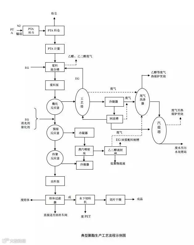
涤纶生产工艺流程
1 涤纶总体生产工艺流程

2 典型聚酯生产工艺流程

3 典型涤纶短纤生产工艺流程
4 典型涤纶长丝生产工艺流程
粘胶生产工艺流程
1 粘胶长丝生产工艺流程
2 粘胶短纤生产工艺流程
-转载请注明出处-
文章来源:染整百科、环保总局
供稿:中纺联检(泉州)

---------------------------------
如果喜欢,请点击右上角“...”
将这篇文章发送给朋友/分享到朋友圈
您可以直接搜索微信公众账号“中纺联检”
或通过以下方式添加关注

