保呈快讯内容:关于《辽宁省工业和信息化厅关于做好2024年度专精特新中小企业申报工作的通知》-内容分享
发布时间:2024年01月23日
来源:工业供给侧结构性改革处

文号:辽工信明电〔2024〕6号
各市工业和信息化局、沈抚示范区产业创新局:
为加强优质企业梯度培育,引导我省中小企业专精特新发展,按照《辽宁省优质中小企业梯度培育管理实施细则(暂行)》((辽工信发〔2022〕209号,以下简称《实施细则》)有关要求,现就做好2024年度辽宁省专精特新中小企业申报工作有关事宜通知如下。
一、申报条件
(一)在辽宁省内登记注册,具有独立法人资格,企业注册满两年,且是有效期内的创新型中小企业或省级“专精特新”产品(技术);
(二)符合《中小企业划型标准规定》;
(三)未被列入经营异常名录或严重失信主体名单,提供的产品(服务)不属于国家禁止、限制或淘汰类,同时近三年未发生重大安全(含网络安全、数据安全)、质量、环境污染等事故以及偷漏税等违法违规行为;
(四)坚持企业自愿原则,符合《辽宁省优质中小企业梯度培育管理实施细则》规定的专精特新中小企业认定标准。
(五)已被认定且在有效期内的国家级专精特新“小巨人”企业、省级“专精特新”中小企业和省级专精特新“小巨人”企业不参与认定。
二、申报时间
2024年度将组织两批专精特新中小企业申报认定和复核工作。
第一批时间:2024年1月22日0:00-3月31日24:00;
第二批时间:2024年7月1日0:00-10月31日24:00。
三、组织实施
申报专精特新中小企业、申请复核专精特新中小企业、更新企业信息等,企业均需在优质中小企业梯度培育平台(以下简称培育平台,https://zjtx.miit.gov.cn/)进行线上操作。市级和省级审核、公示、评审等工作采取线上与线下相结合的方式进行。
(一)申报专精特新中小企业
1.企业申报。经省工业和信息化厅公告的创新型中小企业,可自愿在培育平台进行线上申报。申报企业先通过“数字化水平评测”窗口进行自评后,进入“专精特新中小企业申报”模块,完整填写《专精特新中小企业申请表》(附件1),并在“其他材料”处上传佐证材料(佐证材料清单见附件2)。
2.市级审核。各市工业和信息化主管部门要根据《实施细则》规定的专精特新中小企业认定标准,对属地企业填报信息和相关佐证材料进行初审、实地抽查。初审通过后将推荐企业名单报省工业和信息化厅,同时完成线上提交工作。
3.省级认定。省工业和信息化厅将委托第三方服务机构或组织专家对各市推荐的企业进行评审、抽查后,对拟认定企业进行公示。经公示无异议的,印发正式通知公布认定企业名单,制作授发牌匾。
(二)复核专精特新中小企业
2021年度认定的省级专精特新中小企业、专精特新“小巨人”企业,可按照申报专精特新中小企业流程自愿申请复核。未申请和未通过复核的企业,相应称号自动失效。
(三)更新企业信息和报告企业重大变化
按照《实施细则》有关要求,有效期内(2021年以来)的专精特新中小企业,应于2024年4月30日前通过培育平台更新企业信息,并对信息的真实性和准确性负责。未及时更新企业信息的,取消复核资格。企业如发生更名、合并、重组、跨省迁移、设立境外分支机构等与评价认定条件有关重大变化的,应在发生变化后的3个月内登录培育平台,填写重大变化情况报告表(附件3)。其中,如发生更名的企业需填写企业简单更名申请表(附件4),提供相应佐证材料(附件5)。经省市两级核实、审核后,仍符合认定标准的,其称号及有效期不变。不符合认定标准的,核实审核后由省工业和信息化厅取消认定。
四、工作要求
1.各市要加强对优质企业培育工作的组织领导,广泛动员符合条件的企业参评,开展政策宣传解读,指导企业开展申报,对本地区企业咨询问题答疑。
2.各市要落实好初审责任,对企业材料严格把关,认真做好实地抽查等工作,按程序进行推荐。省工业和信息化厅从未委托任何单位或个人为企业代理专精特新中小企业认定事宜。
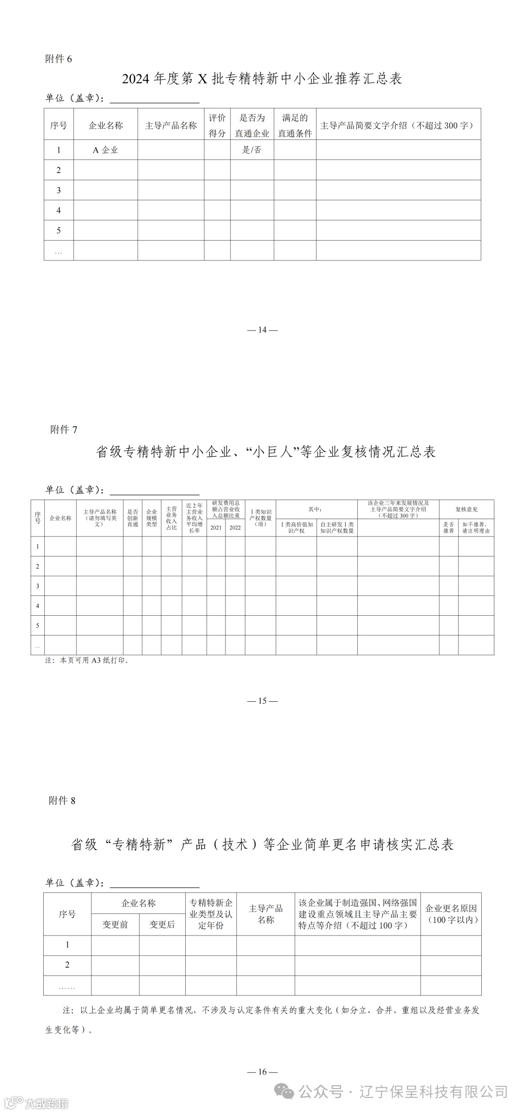
3.请各市于2024年4月10日(第一批)、11月10日(第二批)前完成初审和报送工作,将拟推荐专精特新中小企业名单(附件6)、复核企业名单(附件7)、简单更名企业名单(附件8)以正式文件形式报送省工业和信息化厅,同时报送企业纸质版申请表(附件1,一式两份)。纸质材料邮寄至省工业和信息化厅改革处,Word(或WPS)版和PDF版材料同步发送至指定电子邮箱。企业纸质佐证材料由各市存档备查,无需上报。
4.未通过认定且被退回的专精特新中小企业,若再次申报,需登录培育平台重新进行申报操作,不可在原申报记录上直接修改后报送。
省厅工作联系人:刘 宁 024-86906664
平台技术联系人:文 露 李阳阳 024-86895724
电 子 邮 箱:lnmyjj@163.com
附件:1.辽宁省专精特新中小企业申请表
2.申报专精特新中小企业佐证材料清单
3.优质中小企业重大变化情况报告表
4.简单更名申请表
5.简单更名佐证材料清单
6.2024年度第X批专精特新中小企业推荐汇总表
7.2021年度省级“专精特新”产品(技术)等企业复核情况汇总表
8.简单更名申请核实汇总表
辽宁省工业和信息化厅
2024年1月22日




提醒各企业:项目申报找对服务机构尤为重要
要持续关注保呈科技
END


