危险和可操作性研究(Hazard and Operability (Study) ,中文简称HAZOP)是针对设计中的装置或现有装置的一种结构化和系统化的审查,其目的在于辨识和评估可能造成人员伤害或财产损失的风险。HAZOP是一种基于引导词的定性评价技术,通过一个多专业小组组织一系列会议完成。HAZOP研究技术是1963年由英国帝国化学公司首先开发的,1970年首次公布,其间经过不断改进与完善,在欧洲和美国,现已广泛应用于各类工艺过程和项目的风险评估工作中。
随着计算机技术、人工智能技术的进步,HAZOP智能化工具开始出现。南京安元科技有限公司于2011年开发了企业工艺HAZOP分析软件,下面我们结合上周HAZOP培训时演示的实际案例应用工具软件来进行HAZOP分析。
案例:
项目简称:拟定的产物蒸馏组件
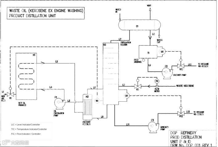
管道仪表图

设施简述:
主要的装置包括蒸馏柱H3、燃气热油炉H1、生成物再沸器H2、凝结器C1及辅助泵、控制及管道。
受污染的废弃煤油从积储缸(没有显示)输送至H3,由流速控制阀V0控制于指定的流速。加热液体从H1加热并由泵P1经H2 (管壳式换热器)循环于封闭的热油系统内。废弃煤油会于H2煮沸。
H3的温度显示及控制器控制连接至H1的燃烧器的天然器管道进料阀V1,以维持H3的设定的温度。层级显示及控制器会控制泵P3及控制阀V12,以维持H3内的残余物于所需水平。
H3的煤油蒸汽会于水冷管壳式换热器C1凝结,而不能凝结的其他部分会经排气口排出。成品收集器T1内的煤油水平由层级显示及控制器以及V10控制,成品泵会将煤油输送至积储缸(没有显示)以便进一部用运油车分送予客户。
1、登陆安全无忧网,在左边的菜单栏里选择工艺风险管理中的企业工艺HAZOP分析,开展评价。


2、确定风险矩阵模板。

3、添加要评价的工艺。

4、划分节点,将每个节点添加进去。

5、5个节点添加完成。在讨论参数时,软件提供所有可能用到的参数,避免漏项情况发生。在考虑偏差时,软件也将提供所有偏差的可能,防止遗漏对某些风险的分析。

6、所有参数和偏差都考虑一遍后,分析完毕。



7、最后统计分析,软件自动生成HAZOP分析报告,包括方法简介、分析节点清单、统计分析范围、初始风险等级分布、剩余风险等级分布以及所有节点的分析记录表。

PS:由于时间限制,本案例只是通过管道和仪表控制流程图做的HAZOP分析,没有其他数据。下面是其他案例的演示图。


【图为某工艺分析完毕后形成的表】

【图为报告中初始风险等级分布的饼状图和柱状图】

【图为剩余风险等级分布的饼状图和柱状图】

通过结合软件分析废油精制工段,弥补了人工HAZOP分析的很多不足之处,如:人工评价不能考虑到所有的事故情况、原因和影响;人工难于处理大规模的数据、信息和计算;开始进行讨论时,由于成员多,容易走题;口头讨论时用词不严谨造成概念混乱,对后续讨论带来不必要的麻烦;人工评价一般是一次性的,无法反复进行;人工评价得出的报告不规范,没有统一的格式,会后不容易看懂。


点击【阅读原文】认识标识,知觉风险!

