随着打造美丽家园, 建设宜居环境的观念深入人心, 绿化环保已成了我们生活环境的重要主题。为了维护赏心悦目的环境, 需要定期修理花草树木,特别是草坪。随着家庭小花园的普及,自己手工除草不但费时费力,且修剪效果参差不齐,整体美观度得不到保证。电动割草机的出现解决了这些问题。电动割草机修剪迅速,效果统一,而小型锂电池割草机更因为轻便,体积小,便于携带,功能齐全,一机多用且价格经济而备受家庭欢迎。
割草机直流无刷电机驱动方案
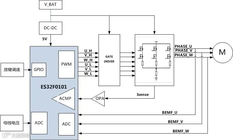
essemi割草机直流无刷电机驱动方案采用32位MCU ES32M0101 作为主控芯片,采用无传感器方波控制。通过反电动势过零点方法计算转子速度,同时具有调速、过压欠压、过流、过热,堵转保护功能。
1方案特点
-
无传感器控制载波频率20KHz -
启动速度快,转速可达12000rpm -
保护机制:过压、欠压、过流、堵转保护功能 -
电机驱动 DC最高200V -
电机微控器运行频率52MHz -
按键调速
2方案框图


ES32F0101是采用ARM 32位Cortex-M0内核的微控制器,最高支持52MHz系统时钟频率。具有64KB FLASH和4KB SRAM。支持多达22个IO,支持1路12Bit ADC,2路模拟比较器。带丰富的定时器资源,包含1路高级定时器(AD16C4T),3路通用定时器(GP16C2T),1路基本定时器(BS16T)。支持丰富的通信资源,包括2路I2C,1路SPI,2路USART。
我司为客户提供直流无刷(BLDC)电动工具开发套件,通过灵活的参数配置,用户可快速导入产品,缩短产品的开发周期。


