再不点蓝字关注,机会就要飞走了哦
MAXPRO 系列 408 报警
是指设备正常开机的情况下,当主接触器吸合瞬间,斩波器会瞬间充电后输出电流进行自检。由于 MAXPRO 系统使用的是双通道斩波器(A 和 B通道),两个通道都必须保证有电流反馈通过。当斩波器自检时A和B通道的电流传感器都检测不到电流反馈时,就会出现408报警。
MAXPRO200 等离子切割系统
408报警很有可能是主回路本身存在问题。如下是主回路的示意图。
如您遇到408报警,请参照以下流程进行检查:
01
检查主接触器正常吸合后是否有三相电压输出。共有两种方法:
在主接触器吸合的瞬间直接测量主接触器的三相输出测量是否正常,三相是否平衡,见下图。
在斩波器一侧测量输入整流桥上的三相电压是否有输入电压。在斩波器的下部有2个三相整流桥,当主接触器吸合后,三相整流桥的三相输入电压是 AC130V,见下图。
02
对斩波器输出检查开路电压是否正常。
一般情况下,我们只要对I/O板上的正极及负极进行测量即可达到一样的效果,见下图。
03
验证I/O板上的电阻是否正常。
用万用表读取当前值,见下图。
04
断开弧压采样线测试。
05
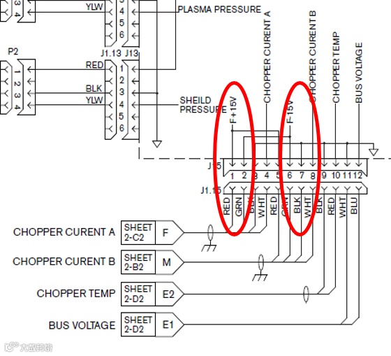
检测主控板上的插头J1.15。打开电源面板后在电源控制板的右边可以找到该插头,见下图。
电流传感器上红线对地是DC+15V,绿线对地是DC-15V,见下图。
我们可以从控制板上D26灯做判断,见下图。
如果控制板确认无此电压输出,那么控制板本身供电故障导致此故障。
如果测量得到DC±15V均正常,那么此故障就有可能是斩波器本身故障导致的。
与 408 报警相关的备件列表
点击“阅读原文”,了解更多“MAXPRO200”产品信息。

Shaping Possibility
智造未来


