再不点蓝字关注,机会就要飞走了哦
745报警
是指屏幕上显示报警信息为 Low speed MagFan 2。通常情况下,745 报警是指等离子系统内变压器和电感器的冷却风扇 MagFan 2转速低于设定值,变压器和电感器可能会冷却不到位。
通常,出现此故障的原因多是因为缺乏对风扇的不定期维护保养(比如清洁、吹灰等)进而导致风扇损坏。
实际风扇图片如下:

当系统出现745报警时,可以参考以下步骤检查测试:
风扇的动作过程
MagFan 2 要旋转,需要执行以下步骤:
等离子系统上电;
接通远程启动信号;
发送相应的切割工艺给等离子;
等离子自检完成,处于等待切割状态;
给等离子一个切割信号,等离子会正常起弧至少一次;
风扇开始旋转,同时系统会检测风扇的转速。系统根据转速反馈结果判断是否满足系统要求,如果 MagFan 2 的速度低于设定值,则给出745报警。
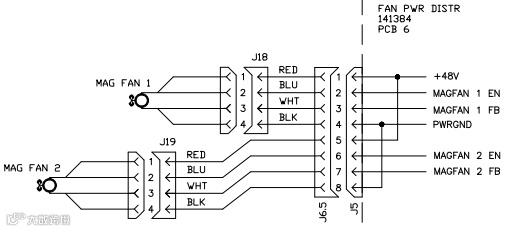
风扇的控制回路图:

故障处理步骤
注:测试 MagFan 2 状态时,需要带电操作,请携带好相关护具,并注意周边的旋转物体,防止造成人身伤害事故。
确认风扇是否旋转。为了确认MagFan 2风扇状态需要拆开等离子正面的盖板,然后观察风扇转速是否足够快(一般可以与相邻的MagFan 1作对比观察),如果不能确定,执行下一步。
测量风扇的电源是否正常。检查J19插头的Pin 1和Pin 4 之间的电压是否正常(正常为48VDC),如果电源电压没有达到48VDC,则需要检查48V开关电源的输出电压是否正常。如果48V开关电源的输出电压偏差过大,建议更换48V开关电源测试;如果48V开关电源的120VAC输入电压不正常,则需要检查电源板是否有异常。
由于风扇使能信号是PWM脉冲信号,我们没办法精确测量,只要在风扇旋转时有电压就可以(0-5VDC)。测量电源板上J5插头Pin 8和Pin 6之间的电压,如果测量风扇使能信号的电压异常,严重小于5VDC,则需要更换电源控制板测试。
反馈信号也是脉冲信号,通常可以通过测试电压来确认,只要在风扇旋转时有电压就可以(0-5VDC)。测量电源板上J19插头Pin 4和Pin 3之间的电压,最低不能低于1.3VDC(理论计算),如果低于1.3VDC,则需更换风扇测试(可以与相邻的MagFan 1交换测试,看报警是否改变为744)。
745 常用备件列表

Shaping Possibility
智造未来
www.hypertherm.com


