
中兴网信江苏云计算中心位于江苏省南通市国际数据中心产业园内,设计PUE为1.4,于2016年10月份投入试运营,建设标准符合中国标准机房设计GB 50174-2008《电子信息系统机房设备规范》A级及GB 50462-2008《电子信息系统机房施工及验收规范》标准,达到国际Tier 3+等级标准,在中国移动数据中心评级中达到五星标准。
云计算中心采用绿色环保设计,系统线路以及设备选型都进行了统一的特别考虑。运维团队的节能意识突出,自运营以来,参照各区域照明光照度、动力安全生产、暖通系统降耗等方面对现场设备进行专项分析,针对不同设备构想多重节能方案,并与实际相结合实施节能操作。操作过程中不断优化、完善操作流程,制定相关节能制度,并对现场人员进行实地培训并严格执行此项管理制度。
该项目位于国家级经济技术开发区内--江苏南通经济开发区。南通是我国首批对外开放的14个沿海城市之一,南靠长江、东临黄海,紧邻上海,地处中国长三角核心区域;交通运输便捷,有“三桥、三路、三铁、三机场、两港口”的交通优势。
项目总体规划建设面积达67000平米,可用机房面积45000平米;其中一期建设规模达12000平米,已投入使用标准机架1000架。

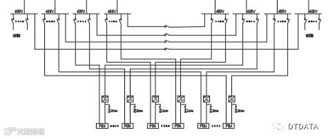
市电接入:云计算中心采用双市电接入法,由来自不同变电站的20KV供电线路进行供电,采用两个独立供电分界室进行变压输出。
发电机组:配备10KV,2000KW柴油发电机组,采用N+1冗余方式进行配置,并机时间小于30S,储油罐/地下油库的备用储油可满足满载供电时长20小时,并与供油公司签署单位时间内紧急供油制度。

光伏发电:云计算中心顶层安装有1360KW光伏发电站,作为可再生资源,可持续满足现阶段制冷设备及生产照明用电。

云计算中心采用模块化、弹性设计,单机柜最大装机功率可达6.5KW(可定制),采用双电源模式供电:一路高压直流不间断电源+一路市电,高压直流不间断电源后备电源时间为15分钟。高压直流不间断电源比传统UPS设备具备以下优势:减少逆变环节,减少故障点,且使用效率更高;电池挂母线的连接方式,扩容更方便;模块化结构,可以热插拔,发生故障时,恢复时间更快;且具有休眠功能,能在功耗较低时自动休眠功率模块。

冷水机组: 采用两台400冷吨磁悬浮冷水主机及两台800冷吨离心冷水主机,磁悬浮技术相比传统主机节能45%以上;低噪音无干扰;减少50%以上占地;使用中无磨损,寿命可长达30年;2安培低启动电流,对电网无任何冲击,减少配电损耗。

冷塔机组:楼顶按N+1模式配备1400KW制冷量的绝热冷却塔,其优点如下:闭式结构,可减少水量蒸发,降低管路腐蚀;夏季可采用喷雾制冷,精确控制水量,冬季可启用自然冷却功能;采用铜管铝翅片换热器,可增强换热能力。

蓄冷水罐:采用100立方米的蓄冷罐,使用不间断EPS电源进行供电,能确保在电源切换或故障造成冷水主机停机后仍能为机房满载供冷30分钟。

规划总设计机架数6000架,目前一期已经完成交付1000架。机房采用列间空调和冷通道封闭技术,气流循环路径短,就近能量转移快,即能节能约10%,还可提高制冷效果和能源利用率。

机房主管道砌有挡水墙和排水地漏,在管道隔墙内以及全部列间空调周围铺有漏水感应绳,漏水时能发出警告。

• 项目所在位于南通保税区内,有海关执勤巡逻,公司一楼设置保安岗,全天24小时值守巡检。
• 大楼周边,通道,全部机房区域无死角视频监控,可进行24小时不间断录像功能设置,且视屏资料保存期限不少于90天。
• 园区设置摄像头动态捕捉录像系统;园区、机房模块及设备间、机柜冷通道实行四级安全区域控制,门禁分级授权管理,人防+技防多重安防保护。
• 每个模块有独立的电子门禁、指纹锁以及密码锁,安全防护每个模块的空间。

根据不同需求设置不同分区和消防及报警系统,设立独立消防空间,实现独立消防控制。智能消防管理平台,远程监控消防系统设备运行情况,水系统情况,可与视频系统联动,自动定位火灾发生详细地址。
消防生命通道监控子系统与视频监控系统、视频自动识别系统、门禁延迟报警系统的关联。

大楼所有通道区域内,按规定不超过三十米设立一个消火栓,确保万无一失。

云计算中心具备三线一纤。三线(移动,电信,联通)连通,网络带宽容量达到1.2T,峰值达到800G以上,线路质量在江苏全省测试中数据优秀。同时数据中心与亨通光电等多家线路公司协商合作,在江苏省内和上海能够进行裸光纤互通,为客户提供了多种选择。

云计算中心与亨通光电合作,2018年年初将部署量子通讯设备,为用户提供高品质的数据通信。

云计算中心具有一只经验丰富,工种齐全的运维队伍,有完善的维护管理制度,详细的维护作业表,以及各种情景的应急预案。提供24小时机房保障服务、电话热线支持(0513-69900418)。根据用户要求可以提供99.99%的SLA。同时也可以提供各种增值服务,例如服务器上柜,操作系统和数据库安装,密码破解,远程配合,布线等。

往期精彩内容分享
欢迎加入DTDATA数据中心全生态服务平台,找机房、找品牌、找产品、找朋友,DTDATA团队为大家分享更多,敬请关注。服务热线:400-089-1045,投稿邮箱:service@dtdata.cn。
DTDATA生态云平台上线啦!!!

