彩色透水混凝土和普通混凝土区别
彩色透水混凝土应用范围
彩色透水混凝土路面优点
彩色透水混凝土路面缺点
彩色透水混凝土施工工艺
彩色透水混凝土路面常见通病如何预防
彩色透水混凝土立方配合比
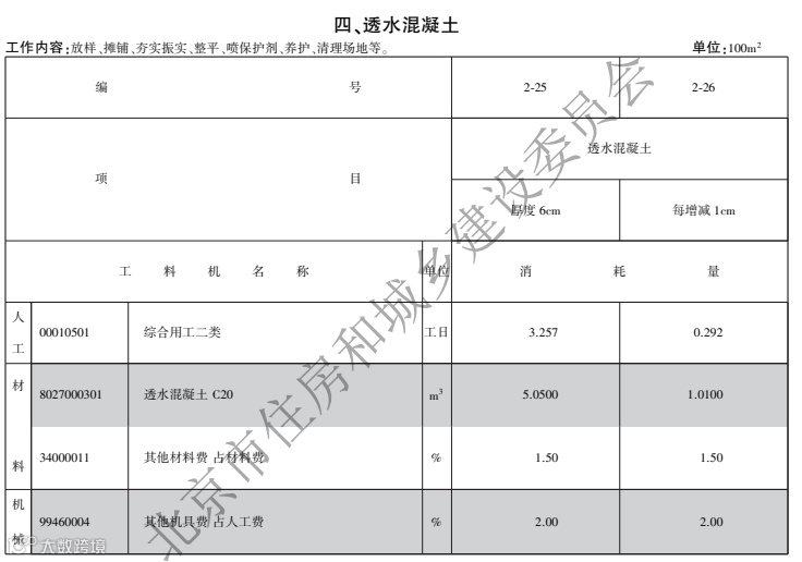
彩色透水混凝土路面每平米成本

总结
*本文系王培峰原创,独家来稿
转载务必申请授权,并注明作者与出处,违者必究
本文仅代表作者观点,仅供参考,如有异议,烦请留言
编辑:刘歌 李梅
审核:王迪 相杰
点赞关注【广联达造价圈】视频号
查看更多精彩视频
广联达安徽
彩色透水混凝土和普通混凝土区别
彩色透水混凝土应用范围
彩色透水混凝土路面优点
彩色透水混凝土路面缺点
彩色透水混凝土施工工艺
彩色透水混凝土路面常见通病如何预防
彩色透水混凝土立方配合比
彩色透水混凝土路面每平米成本

总结
*本文系王培峰原创,独家来稿
转载务必申请授权,并注明作者与出处,违者必究
本文仅代表作者观点,仅供参考,如有异议,烦请留言
编辑:刘歌 李梅
审核:王迪 相杰
点赞关注【广联达造价圈】视频号
查看更多精彩视频