在水厂及大型泵站数字化建设过程中,选择合适的PLC(可编程逻辑控制器)设备至关重要,需综合考虑可靠性、兼容性、通信能力及行业适应性。
一、PLC推荐
1、西门子(Siemens)
优势:市场份额领先,符合IEC 61131-3标准,支持TIA Portal一体化编程平台;S7-1200/1500系列适合中大型水厂,具备强大的冗余和通信能力(支持Profinet、OPC UA)。
适用场景:大型水务项目、需高可靠性和复杂控制的系统(如泵站群控、水质监测)。
项目案例:陕西水务发展集团洛川污水厂、富县污水厂、淳化污水厂、汉阴污水厂等。
2、施耐德电气(Schneider Electric)
优势:Modicon系列(如M580、M340)以高能效和环保设计见长,支持EcoStruxure平台,集成能源管理功能。
适用场景:中小型水厂或需节能优化的项目(如泵房能效监控)。
项目案例:陕西水务发展集团西吴净水厂、铜川新区净水厂、神木水务集团引黄泵站等。
3、罗克韦尔自动化(Rockwell Automation)
优势:ControlLogix和CompactLogix系列以高性能著称,支持EtherNet/IP协议,与FactoryTalk软件无缝集成;适合需要高精度控制的场景(如加药系统)。
适用场景:适用于复杂工艺控制和SCADA系统深度整合。
4、ABB
优势:AC500系列与驱动系统(如变频器)深度集成,擅长泵阀控制和过程自动化。
适用场景:需与ABB传动设备配合的大型水厂,或高动态响应场景。
5、通用电气(GE)
优势:Rx3i系列在重工业领域经验丰富,支持Proficy平台,适合老旧系统改造。
适用场景:需兼容传统设备的水厂升级项目。
项目案例:陕西水务发展集团洞河水库水电站
二、选择建议
1、项目规模:
◆ 大型水厂:优先西门子(S7-1500)、罗克韦尔、ABB、GE。
◆ 中小型水厂:考虑施耐德、西门子(S7-1200)。
2、兼容性:
◆ 若已有SCADA/HMI系统,选择同品牌PLC(如西门子配WINCC,施耐德配Intouch)。
3、通信需求:
◆ 需物联网集成:选支持OPC UA、MQTT的型号(如西门子S7-1500)。
4、本地支持:
5、网络安全:
◆ 优先选用工信部《网络关键设备安全通用要求》相关设备。
三、典型应用案例
1、智慧水厂建设-兴平市西吴水厂
兴平市西吴水厂PLC设备选用施耐德Modicon系列M580产品,共计4套,与仪表、专用控制设备之间通过标准工业现场总线(Profibus DP)进行数据通信,与计算机监控系统组成环形工业以太网架构,实现生产运行数据的分析和上传,满足远程控制管理需求,网络架构图如下:
本项目智能数据公司精准把握水厂数字化生产控制及业务管理需求,采用高度集成化与模块化设计,保障控制系统的高可靠性与稳定性,实现净水厂的集中监控和维护便利性,提高净水厂运营效率,同时项目执行中加强部门间多学科团队协作,提高项目执行资源优化配置,助力供水公司降本增效,加速数字化转型。
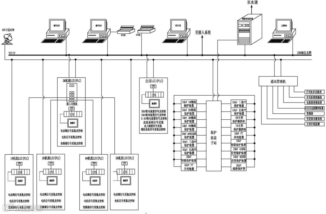
2、智慧泵站建设-神木支线取水泵站
神木支线取水泵站PLC设备选用施耐德Modicon系列M580产品,共计6套,机组LCU 5套,实现机组电动阀、电机、变频器、仪表等信号的采集和控制,公用LCU 1套,实现高低压配电、直流系统、辅机设备等信号的采集和控制,与计算机监控系统构成星型工业以太网架构,实现生产运行数据的分析和上传,满足远程控制管理需求,网络架构图如下:
本项目智能数据公司精准把握数字化泵站生产控制及业务管理需求,在高度集成和灵活编程的基础上,充分考虑扩展性和兼容性,提高系统的抗干扰性和稳定性,实现泵站管理的精准控制与智能调度,提高泵站的运行效率和管理水平,为水资源的合理利用和节约提供了有力的支持,支撑了引调水工程运行管理现代化。
四、注意事项
认证标准:确保PLC符合IEC 61131、IP67防护等级(适用于潮湿环境)及行业认证(如ISO 9001)。
备件供应:选择主流品牌以保证长期备件供应。
培训资源:评估厂商是否提供行业定制化培训(如水处理PID控制案例库)。

