搜索
首页
大数快讯
大数活动
服务超市
文章专题
出海平台
流量密码
出海蓝图
产业赛道
物流仓储
跨境支付
选品策略
实操手册
报告
跨企查
百科
导航
知识体系
工具箱
更多
找货源
跨境招聘
DeepSeek
首页
>
植筋争议如何避免?关于施工位置、计算方法这些要点须知!
>
0
0
植筋争议如何避免?关于施工位置、计算方法这些要点须知!
广联达上海
2024-02-18
0
导读:植筋的位置以及计算方法
植筋,因其施工灵活、工艺简单的特点在工程建设过程中广泛应用。
项目竣工结算时,在图纸、合同明确要求按植筋结算的情况下,甲乙双方经常产生关于植筋根数的争议。
如某项目结算时,乙方上报几万根植筋,由于甲方人员缺乏对施工现场植筋位置的了解,导致了工程量大幅审减,双方又通过核对,最终确认了植筋的数量。其实如果知道植筋的计算方法,这样的情况完全可以避免,
那么到底如何计算植筋的根数,现场又有哪些部位施工需要植筋呢?本篇文章就和大家分享一下植筋的位置以及计算方法。
首先要知道什么是植筋:
植筋,也可以称之为种筋,植筋锚固技术又称后锚植筋。钢筋植筋通俗来讲就是在混凝土、墙体岩石等基材上钻孔,然后在孔中注入高强度植筋胶,随后再插入钢筋或型材,胶固化后将钢筋与基材粘接为一个整体。
植筋的分类
:
一般分为普通钢筋和高强度钢筋,规格常有φ6、φ8、φ10、φ12等,植筋的价格受地区、施工难度、工作内容、工程量等因素的影响,常规的施工工艺如下图所示:
植筋的应用
:那么植筋都应用在哪里呢?以一般的住宅楼项目为例,主要发生在三个位置:
1、建筑物加固;
2、二次结构;
3、砌体拉结筋。
当我们在计算植筋数量的时候,要结合设计图纸和现场施工方案等资料,明确各个部位需要植筋的规格和数量,下面针对三个位置详细分析一下:
建筑物加固
建筑物加固的方法有很多,植筋加固是其中的一种。植筋加固是在项目修缮加固工程中,利用植筋的方式将新增加的钢筋构件与原结构构件连接,达到在不破坏原有结构构件的情况下进行有效加固的效果。如某项目钢筋混凝土柱子加固采用增大截面的方式,在加宽位置上进行钻孔植筋。
需要注意的是:在项目施工过程中,如果出于甲方或者设计变更的原因,如:梁、板需要拆除调整、改造加固、重新增加梁、板等,导致需要在已完主体构件上进行植筋时,要及时的办理现场签证单,落实植筋的规格与具体数量,并且取得建设单位、监理单位、施工单位三方的认可,同时变更图纸应加盖设计院出图章,以免结算时产生争议。
二次结构
在二次结构中,植筋多数发生在构造柱、圈梁等位置,二次结构的植筋数量也是最容易产生分歧的,下面以构造柱、圈梁为例,详细分析一下:
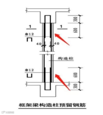
1、构造柱植筋:构造柱的常规施工工艺是先在梁或板的上面或下面进行植筋,然后构造柱纵筋在与植筋的钢筋进行绑扎,如下图所示:
构造柱的纵筋通常采用4φ12或4φ14,所以一般情况下对应植筋就是上下各4根,也就是说一根构造柱对应8根植筋,构造柱植筋深度不小于80毫米。
举个例子:某项目第二层共有10根构造柱,那么需要植筋的数量为:10×4×2=80根。构造柱植筋在广联达软件中的处理方式如下图所示:
2、圈梁植筋:圈梁的最小纵筋不应小于4φ10,箍筋最大间距不应大于250mm,通常在圈梁与柱子或者剪力墙接触的位置需要植筋,一般情况下植筋的根数就是圈梁主筋的根数。
举个例子:某项目檐高5m,采用砌体填充墙,共4根柱子,结构设计说明规定墙高超过4m设置钢筋混凝土圈梁一道,主筋为4C12,则需要植筋的数量为:4×2×4=32根。圈梁植筋在广联达软件中的处理方式如下图所示:
砌体拉结筋
植筋是砌体拉结筋连接方式的一种,即采用HRB335、HRB400等钢筋将砌体与混凝土构件拉结在一起。注:当采用HRB335级钢筋种植时,原构件的混凝土强度等级不得低于C15;当采用HRB400级钢筋种植时,原构件的混凝土不得低于C20。
通常情况下,非承重墙应沿墙高每500mm~600mm设置2φ6拉结筋和承重墙或柱拉结,伸入墙内不应小于500mm,在大多数房建项目中,为施工方便,施工现场多数情况会采用植筋方式。
举个例子:某项目结构设计说明中要求,砌体填充墙应沿框架柱(或构造柱)高度每隔500mm设2φ6拉筋,墙高5m,那么一般情况下一面墙的植筋根数为:5÷0.5×2×2=40根。砌体植筋在广联达软件中的处理方式如下图所示:
总结
在造价工作中,工程量的计算非常重要,工程量的准确与否对整个工程有直接影响。只有工程量算准了,才能正确计取工程相关的费用,最后确定合理的金额。
通过阅读本篇文章,相信大家已经了解了植筋的施工位置,以及对应的计算方法。在以后的工作中碰到需要计算植筋根数的时候,如果能够快速、准确的计算工程量,那么在大幅度提高工作效率的同时也可以避免一些不必要的争议。希望我的总结,能够对大家有所帮助。
*本文系
马玉晴
原创,独家来稿
转载务必申请授权,并注明作者与出处,违者必究
本文仅代表作者观点,仅供参考,如有异议,烦请留言
编辑:刘歌 路欢
审核:王迪 相杰
【声明】内容源于网络
0
0
广联达上海
广联达数字科技(上海)有限公司,立足建筑产业,致力于为您提供行业动态、政策法规、软件答疑、精品课程、本地企业招聘等,愿与您携手共进!
内容
889
粉丝
0
关注
在线咨询
广联达上海
广联达数字科技(上海)有限公司,立足建筑产业,致力于为您提供行业动态、政策法规、软件答疑、精品课程、本地企业招聘等,愿与您携手共进!
总阅读
220
粉丝
0
内容
889
在线咨询
关注