
申江万国数据信息股份有限公司是国内首家以档案寄存托管业务上市的企业;首批获得中国档案学会指定“档案数字化加工服务类”“档案寄存托管类”的定点生产企业;在全国8大城市拥有自主产权档案馆库基地。
申江万国数据信息股份有限公司是国内首家以档案寄存托管业务上市的企业;首批获得中国档案学会指定“档案数字化加工服务类”“档案寄存托管类”的定点生产企业;在全国8大城市拥有自主产权档案馆库基地。
适用范围:
本标准规定了社会保险业务档案管理的术语和定义、原则、设施设备规范、岗位及人员职责、管理规则和信息化规范。
本标准适用于各级社会保险经办机构。社会保险主管部门依法制定、授权、委托及社会保险经办机构委托提供社会保险服务的机构可参照执行。
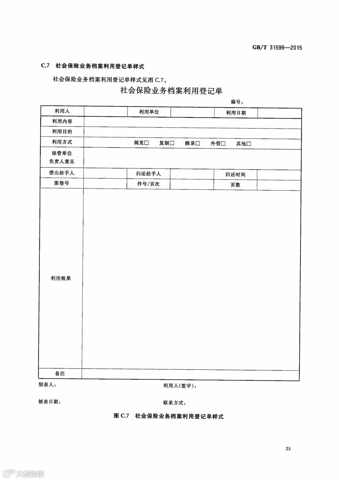
以下是正文,仅供档案从业者学习交流,原文件请在标准出版社购买。

总部馆库:北京东燕郊经济开发区申江路8号
北京分公司:北京市朝阳区建外SOHO西区14号楼2602室
电话:400-080-0505


































