石油化工装置工艺流程详解
涵盖异构化、加氢、制氢、PP生产及公用工程系统
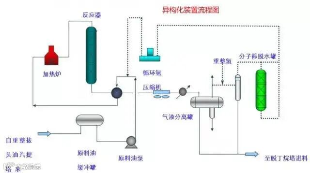
异构化装置流程
异构化装置工艺类似于加氢精制。以丁烷异构化为例,原料经脱异丁烷塔分离出异丁烷,塔底正丁烷与氢气混合后加热进入反应器。典型操作条件:压力2.1~2.8MPa,温度145~205℃,氢烃摩尔比0.1~0.5,空速3~5h⁻¹。
反应产物经分离器回收氢气(循环使用),稳定塔脱除少量裂解气(作燃料气)后返回脱异丁烷塔。塔底正丁烷循环反应,异丁烷收率可达90%以上。该装置可与烷基化装置整合,实现设备共用与投资节约。
苯抽提装置流程
苯抽提装置用于从重整汽油中提取苯,主要由预分馏、抽提蒸馏、溶剂回收与再生、苯精制及C6非芳烃加氢分馏等单元组成。
柴油加氢反应部分流程
原料油经缓冲罐、过滤器后由加氢进料泵增压,与混合氢换热并加热至反应温度,进入加氢精制反应器。反应器设双催化剂床层,中间注入急冷氢控温。
反应流出物经多级换热冷却至45℃后进入高压分离器,进行油、气、水三相分离。循环氢经压缩机升压后分两路:一路作急冷氢,另一路与新氢混合参与反应。高分油经减压进入低压分离器,闪蒸气送燃料气管网。
低分油经换热后进入柴油汽提塔。新氢经压缩机两级增压后与循环氢混合使用。
柴油加氢分馏部分流程
低分油换热至约275℃后进入柴油汽提塔,塔底采用1.0MPa过热蒸汽汽提。塔顶油气经空冷器和后冷器冷却至40℃,进入回流罐进行气、油、水三相分离。不凝气送催化装置,油相部分回流,部分作为粗汽油外送。
塔顶管道注入缓蚀剂以抑制H₂S腐蚀。塔底精制柴油经换热、空冷冷却至50℃后出装置。
航煤加氢反应部分流程
航煤加氢分馏部分流程
制氢装置流程
制氢造汽部分流程
硫磺回收制硫部分流程
硫磺回收尾气部分流程
溶剂再生装置流程
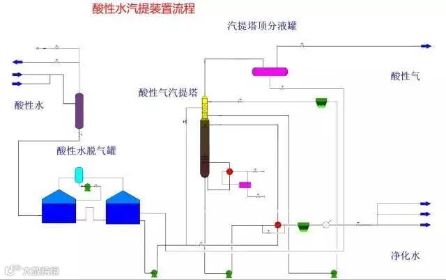
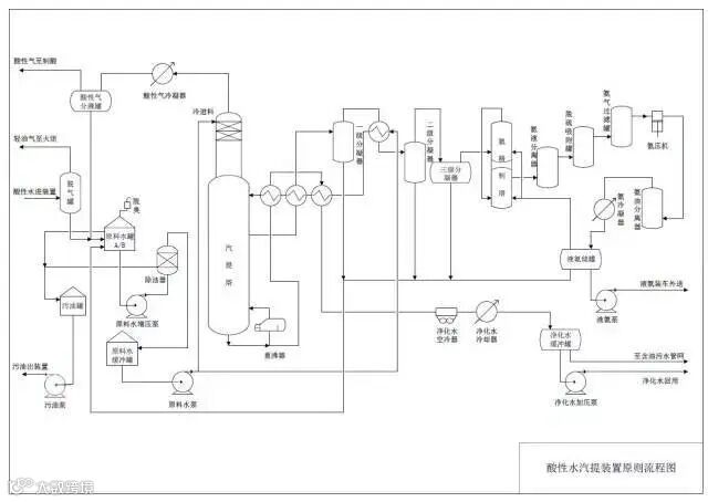
酸性水汽提装置流程
PP装置反应部分流程
PP装置即聚丙烯生产装置,采用气相法聚合工艺。反应部分包括两个串联聚合单元:第一反应器为卧式搅拌床,以丙烯为原料、氢气为分子量调节剂,在催化剂作用下生成聚丙烯粉料;第二反应单元结构与控制方式类似,通过引入乙烯生产抗冲共聚物,提升产品性能与催化剂利用率。
PP装置闪蒸、汽蒸部分流程
PP装置造粒部分流程
聚丙烯树脂与添加剂混合后,在200–300℃下熔融,经双螺杆挤出机和熔融齿轮泵输送,通过模板进行水下切粒。造粒目的包括:添加助剂改善性能、便于包装运输、提升产品质量。
储运系统管线冲洗原则流程
储运放空系统流程
空分系统流程
空分装置用于分离空气中各组分,生产氧气、氮气、氩气等工业气体,广泛应用于化工、炼油等领域。
化学水处理流程
循环水场流程
循环水经泵加压后送至各装置换热,回水经凉水塔降温进入水池,部分经无阀滤器过滤回用。当水质指标接近上限时,启动排污并补充新鲜水。
含盐污水处理流程
含油污水处理流程
含硫天然气净化系统流程
CDU装置原则流程
冷箱工艺流程

