











学习如春起之苗,不见其日增,而日有所长。
喜欢就关注我们吧!每周更新4-5篇相关技术文章。欢迎并感谢您分享转发朋友圈!




自从推出半导体放大器以来,模拟和混合信号设计人员就一直在其电路设计中面临放大器1/f噪声以及DC偏移和漂移的挑战。该博客旨在为设计师提供有关如何在其设计中实现斩波稳定的基本知识。
根据凌力尔特公司(LinearTechnology)的吉姆·威廉姆斯(JimWilliams)所说,斩波稳定的方法是由EA戈德堡(EAGoldberg)在1948年开发的,它使用放大器的输入来对交流载波进行幅度调制。该载波被放大并同步解调回DC,并提供放大器的输出。由于直流输入被转换为交流信号并放大为交流信号,因此放大器的直流项不会影响整体漂移。因此,斩波稳定型放大器与传统差分类型相比,可实现更低的时间和温度漂移。

图1开关在经典的斩波稳定型运算放大器中实现调制。资料来源:ADI公司
如图1所示,开关执行调制,从而使输入在斩波频率下乘以方波。结果,由于输入抗混叠滤波器,放大器将仅使低频通过。
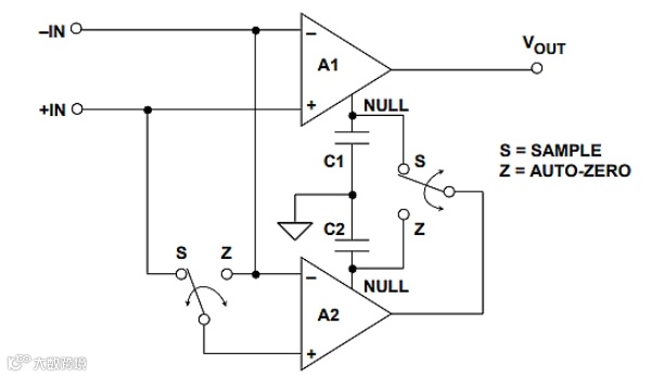
现在,让我们看一个改进的自动归零或斩波稳定放大器(图2)。

图2该图显示了一种改进的自动归零或斩波稳定放大器。资料来源:ADI公司
在此,A1是主放大器,其中输入信号始终连接到输出,而A2执行归零自动归零放大器功能。
该做什么和不该做什么
要注意避免与容性负载发生共振
设计人员需要了解运算放大器的复数输出阻抗(Z0)及其与容性负载的相互作用。一旦补偿了运算放大器,应用电路将变得稳定。
避免1/f噪音
避免1/f噪声的一种方法是将信号调制到没有1/f噪声的区域,然后对其进行解调。这种被称为斩波稳定的方法已经使用了很多年,以将1/f噪声移至另一个频带,在该频带中可以将其滤除。零漂移运算放大器利用这种方法来获得从0.1Hz到10Hz的接近100nVpp(16nVrms)的噪声电平,这主要是由白噪声引起的。
不要以为现代斩波运算放大器会消除对标准运算放大器的需求
但是,当今的新一代斩波放大器在更广泛的应用领域中很有用。它们具有强大的失调电压稳定性,几乎没有闪烁噪声,并且具有非常接近标准运算放大器的性能。
现实世界中的设计实例
通常与物联网(IoT)应用相关的加速度计,角速度传感器和霍尔传感器等设备在从模拟输入信号转换为数字信号时需要高效的后处理。电压至频率转换器是此处的解决方案,电压至频率转换的关键部分是精密运算放大器。
斩波稳定型运算放大器是精密运算放大器,可不断校正放大器输入两端的低频误差。
斩波运算放大器通常用于工业和仪器仪表应用,尤其是在需要低工作功率的情况下。加上合适的ADC,可实现高达24位精度的可靠性能。典型的应用可能是斩波稳定的运算放大器,用作缓冲的精密电压或电流源,或者用作传感器应用中的前端增益放大器,或者同时用作这两种角色。
另一个常见的应用是可以使用高精度的24位sigma-deltaADC将压力感测桥的输出数字化。设计人员面临的挑战是,高端sigma-deltaADC的差分输入通常需要进行缓冲,以防止其干扰传感器性能。
在这里,斩波稳定的放大器非常适合用作该缓冲器,因为常规的仪器拓扑无法满足噪声,电压偏移(VOS)或漂移规范的要求。单独的参考电压通常不会驱动压力传感器电桥。它的输出必须经过缓冲,以确保桥接传感器的有效电压在温度和时间范围内保持稳定。
新一代的斩波器比早期的斩波器要安静得多。现代斩波器包含一个开关电容器滤波器,该滤波器具有多个与斩波频率及其奇次谐波对齐的陷波。在频域中,这将产生一个sinc(x)或sin(x)/x滤波器响应,其零点与三角波的基波和所有谐波精确对准(图3)。

图3斩波运算放大器的滤波器响应的输入级显示了新一代斩波运算放大器如何将开关电容器滤波器与具有与斩波频率和谐波对齐的多个陷波的滤波器相结合。
由于1/f或闪烁噪声只是一个随时间变化的缓慢偏移电压,因此斩波器可以消除低频范围内这种增加的噪声频谱密度中的大部分。斩波动作会将基带信号移至斩波频率,该频率远超出输入级的1/f区域。因此,斩波放大器的低频信号范围的噪声频谱密度等于放大器高频范围的噪声频谱密度。

1.值得收藏的电子产品20多种认证;
2.环境及可靠性试验设备选择的基本原则;
3.电阻器常见的失效模式与失效机理;
4.LCD屏的电磁兼容整改及设计技术分析;
5.工程师必读:如何在型号研制过程中控制电子元器件的可靠性;
6.给企业带来巨额损失的PCB“黑盘”,可以规避;
7.EMC整改分析—散热结构引起的ESD问题
8.电子元件的可靠性与可靠性试验;
9.LED驱动电源如何进行EMC整改?;
10.信号完整性100条经验规则;
11.滤波器选择需注意的十个问题;
12.产品EMC辐射发射超标原因有哪些?
13.浅谈HALT(高加速寿命筛选试验)在可靠性设计中的应用......
直接在公众号(需先关注)对话框回复序列号即可查看,例如“1”。
欢迎添加我们的微信服务号:pxke01




中国电子标准协会培训中心(http://www.ways.org.cn)专业提供可靠性设计、热设计、EMC培训、SMT工艺、电路设计、架构设计、研发管理、嵌入式软件测试、软件技术等课程及服务。欢迎来电来函咨询:0755-26506757 13798472936 martin@ways.org.cn
喜欢本文请點個贊
并分享到您朋友圈哦!

