

![]()
![]()
![]()
![]()
![]()

![]()
![]()
![]()

学习如春起之苗,不见其日增,而日有所长。




运算放大器具有两个输入端和一个输出端,如图1-1所示,其中标有“+”号的输入端为“同相输入端”而不能叫做正端),另一只标有“一”号的输入端为“反相输入端”同样也不能叫做负端,如果先后分别从这两个输入端输入同样的信号,则在输出端会得到电压相同但极性相反的输出信号:输出端输出的信号与同相输人端的信号同相,而与反相输入端的信号反相。

图1-1:运算放大器的电路符号
运算放大器所接的电源可以是单电源的,也可以是双电源的,如图1-2所示。运算放大器有一些非常有意思的特性,灵活应用这些特性可以获得很多独特的用途,总的来说,这些特性可以综合为两条:
1、运算放大器的放大倍数为无穷大。
2、运算放大器的输入电阻为无穷大,输出电阻为零。

图1-2:运可接的两种电源算放大器
现在我们来简单地看看由于上面的两个特性可以得到一些什么样的结论。
首先,运算放大器的放大倍数为无穷大,所以只要它的输入端的输入电压不为零,输出端就会有与正的或负的电源一样高的输出电压本来应该是无穷高的输出电压,但受到电源电压的限制。
准确地说,如果同相输入端输入的电压比反相输入端输入的电压高,哪怕只高极小的一点,运算放大器的输出端就会输出一个与正电源电压相同的电压;反之,如果反相输入端输入的电压比同相输人端输入的电压高,运算放大器的输出端就会输出一个与负电源电压相同的电压(如果运算放大器用的是单电源,则输出电压为零)。
其次,由于放大倍数为无穷大,所以不能将运算放大器直接用来做放大器用,必须要将输出的信号反馈到反相输入端(称为负反馈)来降低它的放大倍数。
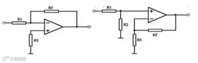
如图1-3中左图所示,R1的作用就是将输出的信号返回到运算放大器的反相输入端,由于反相输入端与输出的电压是相反的,所以会减小电路的放大倍数,是一个负反馈电路,电阻Rf也叫做负反馈电阻。

图1-3:运算放大器的反馈电阻接法(左:反相接法 ,右:同相接法)
还有,由于运算放大器的输入为无穷大,所以运算放大器的输入端是没有电流输入的——它只接受电压。同样,如果我们想象在运算放大器的同相输入端与反相输入端之间是一只无穷大的电阻,那么加在这个电阻两端的电压是不能形成电流的,没有电流,根据欧姆定律,电阻两端就不会有电压,所以我们又可以认为在运算放大器的两个输人端电压是相同的(电压在这种情况就有点像用导线将两个输入端短路,所以我们又将这种现象叫做“虚短”)。
快速熟悉运算放大器基础
为了更好的学习了解运算放大器,下面16个问答可以快速熟悉运算放大器基础。
1、一般反相/同相放大电路中都会有一个平衡电阻,这个平衡电阻的作用是什么呢?
(1) 为芯片内部的晶体管提供一个合适的静态偏置。
芯片内部的电路通常都是直接耦合的,它能够自动调节静态工作点,但是,如果某个输入引脚被直接接到了电源或者地,它的自动调节功能就不正常了,因为芯片内部的晶体管无法抬高地线的电压,也无法拉低电源的电压,这就导致芯片不能满足虚短、虚断的条件,电路需要另外分析。
(2)消除静态基极电流对输出电压的影响,大小应与两输入端外界直流通路的等效电阻值平衡,这也是其得名的原因。
2、同相比例运算放大器,在反馈电阻上并一个电容的作用是什么?
(1)反馈电阻并电容形成一个高通滤波器, 局部高频率放大特别厉害。
(2)防止自激。
3、运算放大器同相放大电路如果不接平衡电阻有什么后果?
烧毁运算放大器,有可能损坏运放,电阻能起到分压的作用。
4、在运算放大器输入端上拉电容,下拉电阻能起到什么作用?
(1)是为了获得正反馈和负反馈的问题,这要看具体连接。比如我把现在输入电压信号,输出电压信号,再在输出端取出一根线连到输入段,那么由于上面的那个电阻,部分输出信号通过该电阻后获得一个电压值,对输入的电压进行分流,使得输入电压变小,这就是一个负反馈。因为信号源输出的信号总是不变的,通过负反馈可以对输出的信号进行矫正。
5、运算放大器接成积分器,在积分电容的两端并联电阻RF 的作用是什么?
泄放电阻,用于防止输出电压失控。
6、为什么一般都在运算放大器输入端串联电阻和电容?
如果你熟悉运算放大器的内部电路的话,你会知道,不论什么运算放大器都是由几个几个晶体管或是MOS 管组成。在没有外接元件的情况下,运算放大器就是个比较器,同相端电压高的时候,会输出近似于正电压的电平,反之也一样……但这样运放似乎没有什么太大的用处,只有在外接电路的时候,构成反馈形式,才会使运放有放大,翻转等功能……
7、运算放大器同相放大电路如果平衡电阻不对有什么后果?
(1)同相反相端不平衡,输入为0 时也会有输出,输入信号时输出值总比理论输出值大(或小)一个固定的数。
(2)输入偏置电流引起的误差不能被消除。
8、理想集成运算放大器的放大倍数是多少输入阻抗是多少其同相输入端和反相输入端之间的电压是多少?
(1) 放大倍数是无穷大,输入阻抗是无穷小,同向输入和反向输入之间电压几乎相同(不是0哦!!!比如同向端为10V,反向端为9.999999V),刚考完电工,还记得!
9、请问,为什么理想运算放大器的开环增益为无限大?
(1)实际的运放开环增益达到10 万以上,非常非常大所以把实际运算放大器理的开环增益想化为无穷大,并由此导出虚地。
(2)导出虚地只是针对反相放大器而言吧。
在书上看见:运算放大器的开环增益无穷大,可以使得我们在设计电路的时候,闭环增益可以不受开环增益的限制,而仅仅取决于外部元件。就是牺牲大的开环 增益换取闭环增益的稳定性。
(3)导出虚地是针对运放在负反馈接法时不仅仅是反相放大器;正反馈时没有虚地。
(4)很好理解假设增益很小, 则,对于一个输出电压,加在运放两端的电压的差值相对较大,如果接成负反馈状态,就会带来运放两端的电压的不一致,从而引起放大的误差 。
(5)运放“虚短” 的实现有两个条件:
1 ) 运放的开环增益A 要足够大;
2 ) 要有负反馈电路。
先谈第一点,我们知道,运放的输出电压Vo 等于正相输入端电压与反相输入端电压之差Vid乘以运放的开环增益A。即 Vo = Vid * A = (VI+ - VI-) * A ( 1 )由于在实际中运放的输出电压不会超过电源电压,是一个有限的值。
在这种情况下,如果A很大,(VI+ - VI-)就必然很小;如果(VI+ - VI-) 小到某程度,那么我们实际上可以将其看作0,这个时候就会有VI+ = VI-,即运放的同相输入端的电压与反相输入端的电压相等,好像连在一起一样,这我们称为“虚短路” 。注意它们并未真正连在一起,而且它们之间还有电阻,这一点一定要牢记。
在上面的讨论中,我们是怎样得到“虚短” 的结果的呢?
我们的出发点是公式 ( 1 ) ,它是运放的特性,是没有问题的,我们可以放心。然后,我们作了两个重要的假设,一个是运放的输出电压大小有限,这没有问题,运放输出当然不会超过电源, 因此这个假设绝对成立,所以以后我们就不提了。第二个是说运放开环增益A 很大。
普通运放的A 通常都达10 的6、7 次方甚至更高,这个假设一般没问题,但不要忘记,运放的实际开环增益还与其工作状态有关,离开了线性区,A 就不一定大了,所以,这第二个假设是有条件的,我们也先记住这一点。
因此我们知道,当运放的开环增益A 很大时,运放可以有“虚短” 。但这只是可能性,不是自动就实现的,随便拿一个运放说它的两个输入端是“虚短” 没有人会相信。“虚短” 要在特定的电路中才能实现。
“虚短” 存在的条件是:
1 ) 运放的开环增益A 要足够大;
2 ) 要有负反馈电路。
明白了“虚短” 得条件后我们就很容易判断什么时候能什么时候不能用“虚短” 作电路分析了。在实际上,条件( 1 ) 对绝大多数运放都是成立的,关键要看工作区域。
如果是书上的电路,通过计算判断;如果是实际电路,用仪器量运放输出电压是否合理即可知道。与“虚短” 相关的还有一种情况叫“虚地” ,就是有一个输入端接地时的“虚短” ,不是新情况。
有些书上说要深度负反馈条件下才能用“虚短” ,我觉得这不准确,我认为这样说的潜思考是,在深度负反馈的情况下运放更可能工作在线性区。但这不是绝对的,输入信号太大时,深度负反馈的运放照样进入饱和。
所以,应该以输出电压值判断最可靠。
10、将输入信号直接加到同相输入端,反相输入端通过电阻接地,为什么U_ = U+ =Ui≠0?不是虚地吗?
问题补充:构成虚短要满足一定的条件。那构成虚地也要满足一定的条件?是什么?为什么?
(1) 在同相放大电路中,输出通过反馈的作用,使得U(+)自动的跟踪U(-),这样U(+)-U(-)就会接近于0。 好像两端短路,所以称“虚短”。
(2)由于虚短现象和 运放的输入电阻很高,因而流经运放两个输入端的电流很小,接近于0,这个现象叫“虚断”(虚断是虚短派生的,不要以为两者矛盾)
(3)虚地是在反相运放电 路中的,(+)端接地,(-)接输入和反馈网络。由于虚短的存在,U(-)和U(+)[电位等于0]很接近,所以称(-)端虚假接地——“虚地”
(4)关 于条件:虚短是同相放大电路 闭环(简单说就是有反馈)工作状态的重要特征,虚地是反相放大电路在闭环工作状态下的重要特征。 注意理解虚短的条件(如“接近相等”),应该就ok 。
11、总觉得运算放大器这个模型有点蹊跷,首先就是“虚短”,因为“虚短”,当运算放大器接成同相放大器时,两输入端的电位是相同的,这时如果测量输入端的波形,将是同样的,这就好比是共模信号,其实,在两输入端上还是有微小的差模信号,只是一般仪器测不出来,可是,这样一来,由于“虚短”就人为(因为虚短是深度负反馈的结果,是人为的)的增大了两输入端的共模信号,这样就对运算放大器的 性能构成挑战。为什么运算放大器要这么使用?
(1)同相放大器的共模信号比反相放大器大得多对共模抑制比要求高。
(2)我对“同、反 相两种放大器的共模信号抑制能力”的看法运放共模信号抑制比的优劣(db值)主要取决于运放内部(仅仅是内部)差动放大器的对称程度及增益。这很明显,没有任何运放提供其共模抑制比的同时,附加了外部电路的结构条件。
对于单端输入,无论是同相还是反相,其等效共模值均是输入值的一半。但因同相放大的输入阻抗通常大于反相放大,其抗干扰的能力当然差些。
如前述,反相输入时,反相端电压几乎为零,所以差分对管集电极电压只有一管变化。同相输入时,反相端的电压和同相端电压相等,故共模电压和输入电压等值!也就是说所以差分对管集电极电压除了有两管有同时朝不同方向变化的部分外还有 朝同方向变化的量,这就是共模输出电压。
它和其中某一管的电压是同相相加的。因此容易导致该管趋于饱和(或者截止),所幸共模电压的放大只是差模放大倍数的数万分之一。
上面所述,并不说明该放大器的差模输入和共模输入的共模抑制抑制比不同!应该是同相输入会附加一个与输入量等值的共模信号!因此对于输入信号较大时要慎用同相放大模式。
12、为什么运放一般要反比例放大?
反相输入法与同相输入法的重大区别是:
反相输入法,由于在同相端接一个平衡电阻到地,而在这个电阻上是没有电流的(因为运算放大器的输入电阻极大),所以这个同相端就近似等于地电位,称为“虚 地”,而反相端与同相端的电位是极接近的,所以,在反相端也存在“虚地”。
有虚地的好处是,不存在共模输入信号,即使这个运算放大器的共模抑制比不高,也保证没有共模输出。而同相输入接法,是没有“虚地”的,当使用单端输入信号时,就会产生共模输入信号,即使使用高共模抑制比的运算放大器,也还是会有共模输出的。
所以,一般在使用时,都会尽量采用反相输入接法。
13、有的运放上电后即使不输入任何电压也会有输出,而且输出还不小,所以经常用VCC/2 作为参考电压。
(1)运放在没有任何输入的情况下有输出, 是由运放本身的设计结构不对称造成的,即产生了我们常说的输入失调电压Vos,它是运放的一个很重要的性能参数。运放常用VCC/2 作为参考电压 是因为该运放处在单电源工作状态下,在此时运放真正的参考是VCC/2,故常在运放正端提供一个VCC/2 的直流偏置,在正负双电源供电时还是常以地为参考的。
运放的选择需注意很多事项,在不是很严格的条件下,常需考虑运放的工作电压、输出电流、功耗、增益带宽积、价格等。当然,当运放在特殊条件下使用时,还需考虑不同的影响因子。
14、为什么由运算放大器组成的放大电路一般都采样反相输入方式?
(1)反相输入法与同相输入法的重大区别是:
反相输入法,由于在同相端接一个平衡电阻到地,而在这个电阻上是没有电流的(因为运算放大器的输入电阻极大), 所以这个同相端就近似等于地电位,称为“虚地”,而反相端与同相端的电位是极接近的,所以,在反相端也存在“虚地”。
有虚地的好处是,不存在共模输入信号,即使这个运算放大器的共模抑制比不高,也保证没有共模输出。而同相输入接法,是没有“虚地”的,当使用单端输入信号时,就会产生共模输入信号,即使使用高共模抑制比的运算放大器,也还是会有共模输出的。所以,一般在使用时,都会尽量采用反相输入接法。
(2)正相是振荡器,反相才能稳定放大器,接入负反馈
(3)从原理上看,接成同相比例放大电路是可以的。但实际应用时被放大的信号(也就是差模信号)往往很小, 此时就要注意抑制噪声(通常表现为共模信号)。而同相比例放大电路对共模信号的抑制能力很差,需要放大的信号会被淹没在噪声中,不利于后期处理。所以一般 选择抑制能力较好的反相比例放大电路。
15、放的重要特性?
(1)如果运放两个输入端上的电压均为0V,则输出端电压也应该等于0V。但事实上,输出端总有一些电压,该电压称为失调电压VOS。如果将输出端的失调电压除以电路的噪声增益,得到结果称为输入失调电压 或输入参考失调电压。这个特性在数据表中通常以VOS 给出。
VOS 被等效成一个与运放反相输入端串联的电压源。必须对放大器的两个输入端施加差分电压,以 产生0V输出。
(2)理想运放的输入阻抗无穷大,因此不会有电流流入输入端。但是,在输入级中使用双极结晶体管(BJT)的真实运放需要一些工作电流,该电流称为偏置电流(IB)。通常有两个偏置电流:IB+和IB-,它们分别流入两个输入端。IB 值的范围很大,特殊类型运放的偏置电流低至 60fA(大z每3μs 通过一个电子),而一些高速运放的偏置电流可高达几十mA。
(3)第一款单片运放正常工作所需的电源电压范围为±15V。 如今,由于电路速度的提高和采用低功率电源(如电池)供电,运放的电源正在向低电压方向发展。尽管运放的电压规格通常被指定为对称的两极电压 (如±15 V),但是这些电压却不一定要求是对称电压或两极电压。
对运放而言,只要输入端被偏置在有源区域内(即在共模电压范围内),那么±15V 的电源就相当 于+30V/0V 电源,或者+20V/–10V 电源。运放没有接地引脚,除非在单电源供电应用中把负电压轨接地。运放电路的任何器件都不需要接地。
高速电路的输入电压摆幅小于低速器件。器件的速度越高,其几何形状就越小,这意味着击穿电压就越低。
由于击穿电压较低,器件就必须工作在较低电源电压下。如今,运放的击穿电压一般为±7V 左右,因此高速运放的电源电压一般为±5V,它们也能工作在+5V 的单电源电压下。
对通用运放来说,电源电压可 以低至+1.8V。这类运放由单电源供电,但这不一定意味必须采用低电源电压。单电源电压和低电压这两个术语是两个相关而独立的概念。
16、运算放大器的放大原理是什么?
运算放大器核心是一个差动放大器。就是两个三极管背靠背连着。共同分担一个横流源的电流。三极管一个是运放的正向输入,一个是反向输入。正向输入的三极管放大后送到一个功率放大电路放大输出。这样,如果正向输入端的电压升高,那么输出自然也变大了。
如果反相输入端电压升高,因为反相三级管和正向三级管共同分担了一个恒流源。反向三 级管电流大了,那正向的就要小,所以输出就会降低。因此叫反向输入。当然,电路内部还有很多其它的功能部件,但核心就是这样的。

1.值得收藏的电子产品20多种认证;
2.环境及可靠性试验设备选择的基本原则;
3.电阻器常见的失效模式与失效机理;
4.LCD屏的电磁兼容整改及设计技术分析;
5.工程师必读:如何在型号研制过程中控制电子元器件的可靠性;
6.给企业带来巨额损失的PCB“黑盘”,可以规避;
7.EMC整改分析—散热结构引起的ESD问题
8.电子元件的可靠性与可靠性试验;
9.LED驱动电源如何进行EMC整改?;
10.信号完整性100条经验规则;
11.滤波器选择需注意的十个问题;
12.产品EMC辐射发射超标原因有哪些?
13.浅谈HALT(高加速寿命筛选试验)在可靠性设计中的应用......
直接在公众号(需先关注)对话框回复序列号即可查看,例如“1”。
喜欢就关注我们吧!每周更新4-5篇相关技术文章。欢迎并感谢您分享转发朋友圈!
欢迎添加我们的微信服务号:pxke01




中国电子标准协会培训中心(http://www.ways.org.cn)专业提供可靠性设计、热设计、EMC培训、SMT工艺、电路设计、架构设计、研发管理、嵌入式软件测试、软件技术等课程及服务。欢迎来电来函咨询:0755-26506757 13798472936 martin@ways.org.cn
喜欢本文请點個贊
并分享到您朋友圈哦!

