【温馨提示】本课程可引进到企业内部培训,欢迎来电预约!
【时间地点】
2026年7月31日-8月1日 12月11-12日 深圳
2026年3月20-21日 5月29-30日 10月16-17日 广州
【培训费用】4200元/人(含培训、资料、中餐费);(会议期间除中餐外,其他费用自理)
【培训对象】 技术总监、项目经理,结构工程师、机械工程师、质量工程师,工艺和制造工程师。具备基本的机械图纸阅读的基础并在实际工作中有基本的机械图纸应用经验,以及基本的产品生产过程知识。
〖课程背景〗
几何尺寸与公差本应该广泛的应用于设计和质量部门,包括机械图纸读图,解释和理解。是产品实现过程的重要工具,是实现和理解客户要求的专业语言。但是目前国内从研发、制造、检测各个环节对这些标准的理解和应用远远不够。
该课程根据北美GD&T标准ASMEY14.5-2018,ISO-GPS标准 (ISO1101-2017) 以及中国产品几何技术规范标准(GB/T1182-2018),关于形状、方向、位置和跳动公差的要求和具体内容,详细说明了先进设计与制造对尺寸公差的标注和解读,并结合各个行业的丰富的案例,剖析标准中相关基准在设计,生产,公差分配和计算以及检具设计,检测过程的应用和理解。
〖课程收益〗
根据客户提供及经典案例,介绍几何尺寸与公差的相关标准的具体内容和要求,以及在设计,生产中的实际应用,并提供现场的辅导,包括设计、制造、检测及综合分析等。
〖课程大纲〗
一、为什么要用到GD&T
1、实例(什么是好的图纸)
2、坐标公差(或正负公差)标注方法的缺点
3、使用GD&T的原因总结
4、尺寸与位置公差互补
5、反应实际零件的装配功能
6、保证强度与最小壁厚
7、基准明确,制造测量无歧义
8、易于使用检具
二、规则与概念
1、最大实体条件、最小实体条件、与实体无关
2、14个几何特征符号
3、32个几何修正符号
4、基准符号
5、符号间的层级关系
6、实际包容体
7、实效状态(VC),合成状态(RC),内部边界(IB),外部边界(OB)
8、孔的MMC/LMC状态
9、轴的MMC/LMC状态
10、公差补偿
11、GD&T 规则(Rule #1 Rule #2 基本尺寸标注规则)
12、公差标准与默认规则
13、检具、通规、止规
三、公差原则
1、公差原则的来源
2、独立原则
3、包容原则
4、最大实体要求及可逆要求
5、最小实体要求及可逆要求
四、基准
1、为什么需要基准
2、基准参照体系
3、基准特征,基准,模拟基准与基准轴
4、第一基准限制的自由度
5、在图纸上怎样表示基准
6、基准的3-2-1法则
7、基准目标
8、建立倾斜平面基准
9、建立中心轴基准
10、建立中心平面基准
11、建立同轴直径基准
12、建立曲面基准
13、建立锥面基准
14、不规则的基准特征
15、阵列(多孔等)基准特征
16、建立RMB基准
17、建立MMC最大实体基准
18、基准边界的计算
19、基准偏移
20、基准目标
21、基准平移符号
五、形状公差
1、平面度
2、直线度
3、圆度
4、圆柱度
5、形状公差之间的相互制约关系
6、尺寸公差和形状公差之间的相互制约关系
7、自由状态
8、平均尺寸
9、形状公差的测量
六、方向公差
1、垂直度
2、平行度
3、相切平面的平行度
4、倾斜度
5、相切平面的倾斜度
6、尺寸公差和定向公差之间的相互关系
7、公差带的偏移与增大
8、方向公差的测量
七、定位公差
1、位置度定义
2、位置度要求
3、位置度应用
4、位置度计算
5、位置度公差与边界概念的解释
6、功能检具与实效边界的应用
7、用位置度边界控制管材公差
8、复合位置度与两段位置度
9、同步要求
10、投影公差带
11、位置度公差的检测
12、浮动螺栓连接
13、固定螺栓连接
14、同轴度
15、对称度
16、同心度和对称度
17、同轴控制方法的对比
18、位置公差的测量
八、轮廓度
1、面轮廓度
2、不对称及单边公差带轮廓度
3、线轮廓
4、轮廓度的广泛应用及强大功能
5、配合零件轮廓的公差的标注
6、复合轮廓度与两段轮廓度公差对比
7、共面及连续形体
8、锥度的控制
9、轮廓度的测量
九、跳动
1、圆跳动
2、全跳动
3、平面的垂直度和轮廓度标注方法的对比
4、跳动的应用
5、跳动公差的测量
学习目的:
1、目前公差标注存在欧美两大体系,正负公差标注和GD&T公差标注。
a. 中国和欧洲图纸倾向正负公差标注,即采用大量的正负公差来标注尺寸和位置。
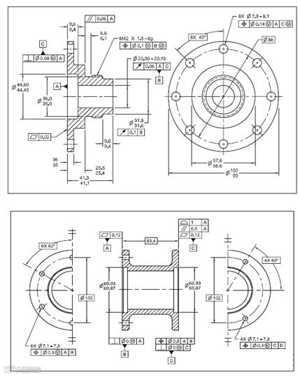
b. 北美图纸大量采用GD&T形位公差标注,尤其是位置度和轮廓度,例如:
示例图纸:
示例:
从简单的图纸举例。
下面第一张图纸,是常见的大多数公司采用的标注方法。第二张图纸,是按照几何尺寸与公差的标准标注的图纸。
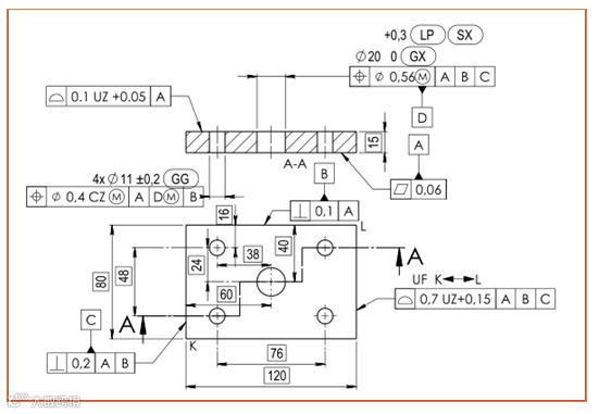
转换后的标注:
这样标注带来的好处:
a、尺寸和位置公差互补,增大生产公差,降低成本。
b、反应实际零件实际装配功能。
c、基准明确,制造测量无歧义。
d、易于使用检具。降低品质控制成本。
这样的标注,恰恰是更容易制造。很多企业因为不懂图纸,把加工工艺定得太复杂了
也许你已经对自己公司的图纸习以为常了!
对加工制造的企业来说,想要提高企业效率和降低加工成本来,最重要的第一步就是从读懂客户的图纸开始。
对产品设计公司来说,也需要利用很好的这样的工具来实现自己的设计意图。而不是把公差定得越严越好。
学习收获:
学习GD&T标准基本知识、应用和检测
〖讲师介绍〗
李昊老师
华南理工大学机械设计及理论硕士;
首席产品结构设计培训师;
机械制造及其自动化专业高级工程师
多家国内外知名企业顾问;
【背景经历】:
在欧美仪器、设备行业,从事研发、制造工作13年。多年的高级工程师,研发经理职业经历。具有丰富的机械结构与机械传动设计经验,并在海外研发工作多年,熟悉行内的最新动向及技术更新,了解大量的国外产品设计案例。在培训方面,有丰富的授课经验,可根据客户特定需求来调整授课内容的偏重。可以就现场问题做分析与咨询。多年企业内部技术课程讲师及商业讲师经验。
【培训特色】
擅长结合客户的产品和案例讲解,激发学员兴趣,达到真正掌握并灵活运用。培训以讲解和实际产品练习相结合的方式,注重与学员之间的互动。通过大量欧美机械设计产品优秀案例、生动的语言,将专业知识讲解得让学员想听、易懂,有收获。工作语言为英语和汉语普通话。
【主讲课程】:
《塑料件的设计与制造》2 - 3 天;
《GD&T形位公差与尺寸链计算》 1 - 2天;
《机械图纸的尺寸公差的合理标注》1-2天
《产品结构设计》2-3天;
《金属材料》2天;

