
摘要:在电力变压器的交接试验中,标准要求对变压器进行交流耐压试验,现场试验人员常会遇到使用便携式试验变压器的输出电流不够,而采用大容量的试验变压器又有设备笨重、携带不便等问题,因此,便携式试验变压器对大容量变压器进行交流耐压试验,用高压电抗器作并联补偿的应用探讨很有必要。
1引言
在电力变压器的交接试验中,标准要求对变压器进行交流耐压试验,现场试验人员常会遇到使用便携式试验变压器的输出电流不够,而采用大容量的试验变压器又有设备笨重、携带不便等问题;采用成套的变频串联谐振装置,由于相关标准对变压器外施耐压试验电压的频率要求较高,(应不低于80%额定频率,最好在45~55Hz之间),变频装置的谐振频率不容易满足标准要求。因此,便携式试验变压器对大容量变压器进行交流耐压试验,用高压电抗器作并联补偿的应用探讨很有必要。
2原理
试验变压器配电抗器作并联补偿进行外施交流耐压试验的原理接线如图1。

TY—调压器:T—试验变压器:R—限流电阻:r—球隙保护电阻:G—球间隙:
L—补偿电抗器:CX—被试品电容: C1、C2—电容分压器高、低压臂:PV—电压表
图1 试验变压器配电抗器作并联补偿进行外施交流耐压试验的原理接线图
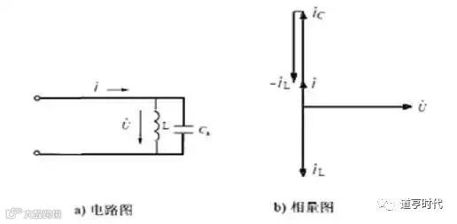
用高压电抗器并联补偿作外施交流耐压试验的电路图和相量图如图2。

CX—被试品电容:L—补偿电抗器: R—限流电阻:
U—电源电压:IC—试品电容电流:IL—电抗器电感电流:I—补偿后的总电流
图2 用高压电抗器补偿作外施交流耐压试验的电路图和相量图
3应用
现场对电力变压器的外施交流耐压试验,为携带方便常用的试验变多为10kV/100kV,其高压侧电压为100kV,容量为10kVA,高压绕组额定电流0.1A。
该类规格的试验变压器及控制系统设备轻巧、搬运方便,对35kV及以下的小电容量变压器试验,非常实用,但对容量较大的35kV变压器或110kV等级变压器的耐压试验,虽然电压能满足要求,而电流往往不能满足需要。
在高压侧用高压电抗器对容性电流作补偿,就能做到既方便又实用,可以方便地解决这一难题。
以下是常见电力变压器在交流耐压试验时的电容量参考值及相关标准对变压器交流耐压试验的试验电压值。
常见电力变压器的电容量参考值如表1。

常见变压器交流耐压的试验电压值见表2。

注:试验电压值依据GB 50150-2016《电气装置安装工程电气设备交接试验标准》附录D。
采用补偿电抗器的技术参数为:7.6kVAr,38kV,0.2A,电感量为605 H。数量2台,试验电压高于38kV时采用2台电抗器串联组合。
以表1电力变压器交流耐压时的参考电容量和表2的试验电压值为依据,电抗器的组合方式及对应的试验电压、电感量、补偿电流见表3。

说明:表中允许试品最大电容量含分压器电容。
以下用1套便携式10kV/100kV试验变压器,对表1中序号1的110kV变压器做交流耐压为例,对高压电抗器并联补偿前后的电流变化进行验证。
例:表1中序号1的110kV的变压器做外施交流耐压试验,该变压器容量为50000kVA,三侧额定电压为110kV/35kV/10kV,三侧电容量分别为11000pF /12000pF /15000pF,按交接试验标准,试验电压分别为76kV/68kV/28kV,采用便携式10kV/100kV试验变压器,配100kV(电容量1000pF)分压器作高压测量,试验变压器的额定电流0.1A,现对高压电抗器补偿前后的电流作如下计算分析:
高压电抗器补偿前在试验电压下试品(含分压器电容)的电容电流:
110kV侧:IC=ωCU=2×3.14×50×(11000+1000)×10-12×76000=0.286(A)
35kV侧:IC=ωCU=2×3.14×50×(12000+1000)×10-12×68000=0.278(A)
10kV侧:IC=ωCU=2×3.14×50×(15000+1000)×10-12×28000=0.141(A)
从以上计算结果可看出:耐压时三侧绕组的电容电流均超出试验变压器的额定电流0.1A,试验无法进行。
试验电压下高压电抗器补偿的电感电流:
110kV侧:电抗器76kV(2只串联):IL= U/ωL=76000/(2×3.14×50×1210)=0.200(A)
35kV侧:电抗器68kV(2只串联):IL= U/ωL=68000/(2×3.14×50×1210)=0.179(A)
10kV侧:电抗器28kV:IL= U/ωL=28000/(2×3.14×50×605)=0.147(A)
高压电抗器补偿后,试验变压器高压侧应输出的电流为:
110kV侧:I=IC-IL=0.286-0.200=0.086(A)
35kV侧:I=IC-IL=0.278-0.179=0.099(A)
10kV侧: I=IC-IL=0.141-0.147=-0.006(A)
经高压电抗器补偿后,三侧绕组试验时的电流均小于试验变压器的额定电流0.1A,试验能正常进行。
同理,可用上述方法对表1所列的常见变压器交流耐压试验时,电抗器并联补偿前后的电流计算分析,结果见表4:

注:计算补偿前电流值应加上分压器的1000pF电容量。
从表4中可以看出:对表1所列的常见变压器交流耐压试验时,补偿前电流除序号9、序号10较小容量的变压器外,全都超出试验变压器0.1A的额定电流,但经电抗器并联补偿后,所需电流值都降到了0.1A以下,都用能便携式10kV/100kV小容量试验变压器完成上述常见变压器的交流耐压试验。
4结语
采用便携式10kV/100kV小容量试验变压器,配高压电抗器作并联补偿,设备轻巧,携带方便,能完成表1提供的常见电力变压器的交流耐压试验。若220kV及以下变压器,试验电压和对应的允许试品最大电容量符合表3要求,都能用该套试验装置完成交流耐压试验。
注:部分图片来源网络,版权归属原作者,如有侵权请联系我们,我们将及时处理。

道亨时代公众号主要服务于电力行业从业者,愿景为大家分享相关技术,部分作品或内容来自或参考相关文章,如涉及版权问题,请联系我们及时处理,由此带来的不便敬请谅解!

道亨时代微信公众号:BJDHSDKJ
投稿和联系邮箱:25458091@qq.com

道亨时代&恒华科技 出色源自专业

