道亨电缆数字化设计平台3.20版本近日正式发布,新版本优化了直线竖井、三通竖井和四通竖井参数化快速构建模型以及三维渲染效果,支持各种竖井类型进行配筋计算,支持圆形隧道的有限元计算,支持GIM成果快速移交。
现将相关产品功能更新内容说明如下:
1. 支持参数化输入井高、井宽、壁厚等数值,快速实现竖井建模。
竖井轮廓参数
竖井断面图
竖井轴测图
竖井平面图
竖井三维模型图
2. 重构竖井结构,支持隧道口设置角度、宽度,满足工程需要。
设置出口角度的直线竖井平面图
设置出口角度的直线竖井三维模型图
设置出口角度的三通竖井平面图
设置出口角度的三通竖井三维模型图
设置出口角度的四通竖井平面图
设置出口角度的四通竖井三维模型图
3. 支持设置井出口样式,可以实现与不同隧道连接。
出口包含马蹄形和方形的四通竖井三维模型图
4. 优化竖井的渲染,支持设置方形、折线形和圆形井腔样式,渲染效果更细腻。
方形井腔的四通竖井三维模型图
折线形井腔的四通竖井三维模型图
圆形井腔的四通竖井三维模型
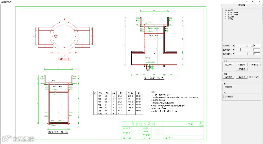
5. 竖井支持配筋计算并输出施工图和计算书。
直线竖井配筋计算后施工图
直线竖井配筋计算后计算书
6. 圆形隧道支持有限元计算。
7. 异形井添加人孔进出线。
8.支持多条电缆线路同场景一体化设计。
9. 优化GIM导出文件功能。
某实际三维工程,支持导出GIM移交文件
新版本还对电气计算功能升级,支持多段电缆工程同时计算;支持对电缆终端塔窗体中电缆进行间隙校验;在土建设计施工图中增加四种盖板的绘制;土建设计计算书中添加对裂缝的计算。
应用案例——某设计院电缆三维工程应用
工程概况:
某设计院电缆工程,将A站双回110kV线路切改至B站,形成B站至A站的电缆线路。A站侧先拆除现状双回电缆后,再敷设新缆。该工程新建B站至A站双回110kV电缆,敷设于电力隧道内。配合新建电缆敷设,新建电力隧道,分别与某西路现状隧道和A站外现状隧道接通。其中,某路局部需穿越在运地铁,此段为专项设计。
平台应用:
1) 工程中交叉跨越管线较多,设计难度较大。该设计院依托道亨电缆数字化设计系统通过对勘测数据的识别、补充、编辑功能,构建1:1的地下高精度三维空间,为三维正向设计奠定基础并实现勘测数据的有效传递。
2) 同时结合相关规范要求创新推出“参数化建模与几何法建模相结合、构建分级模型”的建模方法,快速构建该工程中的竖井、电缆隧道等模型,模型可满足各设计专业需求。
3) 依托系统提供的常用电缆库,设计人员实现快速布置电缆,且支持智能添加固定夹具、接地箱等设备。
4) 系统提供了可视化调整工井位置和敷设段、灵活配置电缆接头和电缆转弯方案,提供全自动管线交跨软硬碰撞检测、电缆三维空间转弯半径检测、立柱支架计算,蛇形敷设计算等专业计算,且支持二三维图形联动编辑、二三维设施快速定位及设施动态漫游展示功能。
5) 全线路材料自动统计、输出各类统计报表和纵断面图,输出国网标准的GIM模型,支持GIM快速移交。
经用户反馈,以上各功能可显著提升设计效率,满足全设计周期应用需求。
某设计院电缆三维工程应用
END
道亨软件
国内领先的输变电工程专业设计软件开发商
工程全生命周期智慧化服务解决方案供应商

