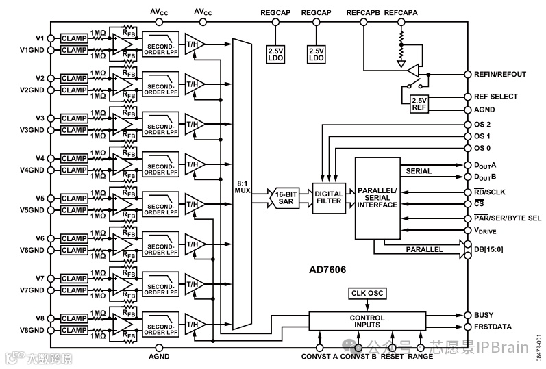
AD7606是亚德诺(ADI)公司在2010年左右发布的一款经典的16位、8通道、双极性输入的同步采样模数转换器(ADC)。AD7606具备高分辨率、高通道数量、灵活的增益控制和适应性强的通信接口,适用于各种需要高性能模数转换器的应用(如数据采集系统、工业自动化、医疗设备、通信设备等领域),据说这是一款让ADI公司数钱数到手抽筋的芯片。AD7606主要功能和性能参数如下:
1.分辨率:16位,提供高精度的模拟信号转换。
2.通道数:8个模拟输入通道,可以同时对多个信号进行采样。
3.采样率:最大采样速率为200kSPS(千次每秒采样),使其适合于高速数据采集应用。
4.输入类型:支持单端输入和差分输入,满足不同应用场景的需求。
5.内部参考电压:集成了2.5V的内部参考电压,也支持外部参考电压输入。
6. 增益控制:具有可编程增益放大器(PGA),可配置增益为1、2、4或8,以适应不同的输入范围。
7.通信接口:采用串行外设接口(SPI),便于与微控制器或数字信号处理器进行通信和控制。
8.低功耗:典型功耗为70mW,能够在功耗敏感的应用中提供高性能的数据转换。
9.高输入阻抗:单端输入电阻为160 kQ,差分输入电阻为320KQ,降低了外部信号源对ADC输入的干扰。
10.温度范围:工作温度范围为-40°C到+105°C,可满足工业和汽车等各种环境下的应用需求。
根据IPBrain小组掌握的信息,AD7606有多个版本,包括:初版AD7606BSTZ(版标:TF94C ADI 2010)、增强版AD7606BBSTZ(版标:AD7606B_BB ADI 2018)、豪华版AD7606C-16BSTZ(版标:AD7606C_A ADI 2020)和终极版AD7606C-18BSTZ(版标:AD7606C_A ADI 2020)。今天我们来分享一下初版AD7606BSTZ的工艺全景图和局部电路图。
AD7606BSTZ顶层全景图(M4)
AD7606BSTZ多晶层全景图(PL)

AD7606BSTZ的顶层电路图(来源:AD7606芯片规格书)

AD7606BSTZ的顶层电路图
有业内人士表示,AD7606芯片在国内每年采购需求是以亿为单位。目前各大IC在线采购平台如艾瑞电子、云汉芯城、华强商城、贸泽电子的单颗价格大约在98~243元之间。
因此,国内不少芯片设计公司也积极研发并发布了可以替代AD7606的产品,比如思瑞浦TPAFE5160、智芯微SCA7606等。
感兴趣的朋友可以联系IPBrain@cellixsoft.com或致电010-62901860-639/609/611咨询细节。