
在当前汽车价格战的大环境下,人们越来越倾向于拥有一辆个人汽车,这导致了严重的交通拥堵问题,尤其是在北京等一线城市。短途出行时,四轮车不如两轮车的现象越来越普遍,使得两轮车出行成为更多人的选择。
两轮车行业的发展势头强劲,电动自行车和电动滑板车等两轮出行产品热度不减,成为短途出行潮流下的标志性出行工具。
2023年,我国电动两轮车年销量约为5500万台,出口额更是达到320.5亿元人民币,作为该领域龙头企业的雅迪更是在2023年控股总营收高达347.63亿人民币,显示出全球市场的庞大需求。
随着两轮车数量的增加,电池的使用也随之增加,电池管理系统的加入变得至关重要,以确保电池的安全和高效运行。
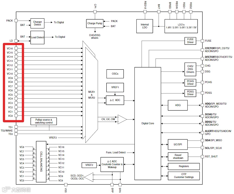
平台君已经与大家分享过很多有关电源管理类的芯片,而今天的主角是凭借什么被广泛运用于电动两轮车领域呢?首先我们来看一下BQ76952的概貌图。

概貌图(图源:IPBrain平台)
BQ76952 是 TI 支持 3-16S 的 AFE 产品,具有采样精度高,集成高边驱动和可编程 LDO,支持脱离 MCU 独立工作,支持乱序上电,功耗小等诸多优点。
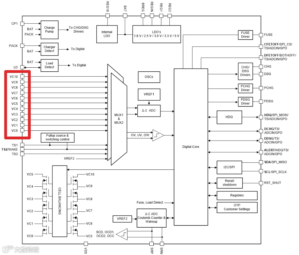
并且电动两轮车一般电池组数量为16以下,所以被广泛应用于电动两轮车领域。同系列的产品还有 BQ76942 和 BQ769142,分别支持 3-10S和 3-14S 的电池包。
平台君找到了BQ76952的logo图,展示了该款芯片五年的奋斗史,同时平台君也发现,有好几款芯片的logo图与其一致。

芯片标识图(图源:IPBrain平台)
比如BQ769142、BQ76942,分别支持3-10串和3-14串电池的应用,应用者可以根据实际需要自行选择,原来TI在这个方面布局了这么多产品其实都是用同一个管芯做的。
<<左右滑动查看更多>>
典型应用(图源:芯片规格书)
<<左右滑动查看更多>>
框图(图源:芯片规格书)
平台君了解到他们之间的一个主要差异在VCn端口上,芯片内部有OTP,是用OTP里配置不同数据控制VCn端口是否有效,来实现电池节数不同的。
下面为大家展示一下BQ76952连接VCn端口的MUX1&MUX2模块以及OTP模块的电路图。

MUX1&MUX2模块(图源:IPBrain平台)

OTP_BLOCK模块 (图源:IPBrain平台)
BQ76952共有四种功能模式,可以自主切换也可以由主机处理器进行切换以用于优化功能和功耗。
1.正常模式:设备频繁地对系统电流、电池电压、内部温度等进行测量,并且按配置运行保护,提供数据和状态的更新。
2.睡眠模式:设备以较低的功率运行,最大限度的降低总平均电流的消耗。电池保护仍处于启用状态。
3.深度睡眠模式:电池保护处于关闭状态,并且对电流和电压的测量停止。
4.关机模式:设备完全禁用,所有电池保护均被禁用。使用该模式会丢失寄存器设置。
在平台君看来多功能模式大大降低了功耗,这就是BQ76952区分于同类型电池管理类芯片的核心竞争力,那么在芯片细节上BQ76952又有怎样的表现呢?

高压MOS管(图源:IPBrain平台)
科普知识:高压MOS管的核心是其特殊的MOS结构,比如:沟道区宽,栅极使用特殊工艺,漏极区大等特点使管子可以承受高电压。它的性能特点包括:截止损耗小,开关速度快,电压承受力高,导通损耗小。

电阻(图源:IPBrain平台)

三极管(图源:IPBrain平台)

电容(图源:IPBrain平台)
以上就是葫芦娃兄弟横扫百亿电动两轮车领域的全部战绩,如果大家对这几款芯片有其他的见解可以在下方评论区留言哦,平台君期待大家的评论。
往期精彩推荐

