
阅读提示
本文章为电缆故障测试园地原创文章,供电缆故障测试仪器使用者,测试爱好者参考。可以分享朋友圈供电缆故障测试仪器相关人员以及爱好者参考、交流学习。文章版权作者所有。文章转载请与作者联系。关注本公众号,查阅 电缆故障测试园地。

1、 基础理论概述
电力电缆供电以其安全、可靠、有利于美化城市与厂矿布局等优点,获得了越来越广泛的应用。
电力电缆(以下简称电缆)多埋于地下,一旦发生故障,寻找起来十分困难,往往要花费数小时,甚至几天的时间,不仅浪费了大量的人力、物力,而且会造成难以估量的停电损失。如何准确、迅速、经济地查寻电缆故障便成了供电部门日益关注的问题。
电缆故障情况及埋设环境比较复杂,变化多,测试人员应熟悉电缆的埋设走向与环境,确切地判断出电缆故障性质,选择合适的仪器与测量方法,按照一定的程序工作,才能顺利地测出电缆故障点。
电缆故障探测有其固有的特点,现场测试人员曾形象地说探测电缆故障点“七分靠仪器,三分靠人”,说明单纯地靠购买先进仪器是不能解决问题的。要重视操作人员的培训工作,生产单位和使用部门要经常交流信息、积累经验,加强电缆故障探测技术的研讨,以促进我国电缆故障探测技术整体水平的提高。



2、 电缆故障原因
了解电缆故障的原因,对于减少电缆的损坏,快速地判定出故障点是十分重要的。
电缆故障的原因大致可归纳为以下几类:
2.1、机械损伤
机械损伤引起的电缆故障占电缆事故很大的比例。有些机械损伤很轻微,当时并没有造成故障,但在几个月甚至几年后损伤部位才发展成故障。造成电缆机械损伤的主要有以下几种原因:
(1)、 安装时损伤:在安装时不小心碰伤电缆,机械牵引力过大而拉伤电缆,或电缆过度弯曲而损伤电缆;
(2)、直接受外力损坏:在安装后电缆路径上或电缆附近进行城建施工,使电缆受到直接的外力损伤;
(3)、行驶车辆的震动或冲击性负荷会造成地下电缆的铅(铝)包裂损;
(4)、因自然现象造成的损伤:如中间接头或终端头内绝缘胶膨胀而胀裂外壳或电缆护套;因电缆自然行程使装在管口或支架上的电缆外皮擦伤;因土地沉降引起过大拉力,拉断中间接头或导体。
2. 2、绝缘受潮
绝缘受潮后引起故障。造成电缆受潮的主要原因有:
(1)、因接头盒或终端盒结构不密封或安装不良而导致进水;
(2)、电缆制造不良,金属护套有小孔或裂缝;
(3)、金属护套因被外物刺伤或腐蚀穿孔;
2. 3、绝缘老化变质
电缆绝缘介质内部气隙在电场作用下产生游离使绝缘下降。当绝缘介质电离时,气隙中产生臭氧、硝酸等化学生成物,腐蚀绝缘;绝缘中的水分使绝缘纤维产生水解,造成绝缘下降。
过热也会引起绝缘老化变质。电缆内部气隙产生电游离造成局部过热,使绝缘碳化。电缆过负荷是电缆过热很重要的因素。安装于电缆密集地区、电缆沟及电缆隧道等通风不良处的电缆、穿在干燥管中的电缆以及电缆与热力管道接近的部分等都会因本身过热而使绝缘加速损坏。
2.4、过电压
大气与内部过电压作用,使电缆绝缘击穿,形成故障,击穿点一般是存在缺陷。
2. 5、设计和制作工艺不良
中间接头和终端头的防水、电场分布设计不周密,材料选用不当,工艺不良、不按规程要求制作会造成电缆头故障。
2.6、材料缺陷
材料缺陷主要表现在三个方面。一是电缆制造的问题,铅(铝)护层留下的缺陷;在包缠绝缘过程中,纸绝缘上出现褶皱、裂损、破口和重叠间隙等缺陷;二是电缆附件制造上的缺陷,如铸铁件有砂眼,瓷件的机械强度不够,其它零件不符合规格或组装时不密封等;三是对绝缘材料的维护管理不善,造成电缆绝缘受潮、脏污和老化。
2.7、护层的腐蚀
由于地下酸碱腐蚀、杂散电流的影响,使电缆铅包外皮受腐蚀出现麻点、开裂或穿孔,造成故障。
2.8、电缆的绝缘物流失
油浸纸绝缘电缆敷设时地沟凸凹不平,或处在电杆上的户外头,由于起伏、高低落差悬殊,高处的绝缘油流向低处。而使高处电缆绝缘性能下降,导致故障发生。
在分析电缆故障发生的原因以及寻找故障点时,极为重要的是:要特别注意了解高压电缆敷设、故障及修复的情况。要注意做好电缆安装敷设及故障修复过程中的记录工作。记录应主要包括以下内容:
(1)、线路名称及起止地点。
(2)、故障发生时间。
(3)、故障发生的地点及排除经过。
(4)、电缆规范:如电压等级、型式、导体截面、绝缘方式,制造厂名及购置日期等。
(5)、装置记录:如安装日期及气候,各个对接头、三通接头的设计型式、绝缘种类、热处理温度及精确位置。
(6)、电缆的埋设情况:如电缆弯曲半径的大小,路径的走向,有无反常的敷设深度或者有特别的保护措施,如钢板、穿管和排管等;电缆敷设中的技工和技术人员的姓名(这也常常是提供重要线索的来源之一)。
(7)、电缆周围环境情况:如临近故障处的地面情况,有无新的挖土、打桩或埋管等工程,泥土中有无酸或碱的成分,是否夹有小石块,附近地区有无化学工厂等。
(8)、运行情况:如电缆线路负荷及温度等。
(9)、校验情况:包括试验电压、时间、泄漏电流及绝缘电阻的数值、历史记录。
由于制造缺陷而造成的电缆故障是不多的,分析了解可能造成电缆故障的原因,对寻找电缆故障点是很有帮助的。例如,通过测距知道了电缆的故障距离,而在对应位置上,发现近期进行过城建施工,就可以怀疑为在施工的过程中损伤了被测电缆而引起了故障,往往不需要费很大功夫,就能很快地对故障进行定点。

3、 电缆故障的性质与分类
电缆故障从型式上可分为串联与并联故障。串联故障指电缆一个或多个导体(包括铅、铝外皮)断开;通常在电缆至少一个导体断路之前,串联故障是不容易发现的。并联故障是导体对外皮或导体之间的绝缘下降,不能承受正常运行电压。实际的故障型式组合是很多的,图1给出了可能性较大的几种故障形式。例如:图1.c所示,导体断路往往是电缆故障电流过大而烧断的,这种故障一般伴有并联接地或相间绝缘下降的情况。实际发生的故障绝大部分是单相对地绝缘下降故障。(不同的电缆故障测试仪器厂家,对故障的分类有所区别)。

图1 几种电缆故障形式
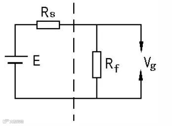
电缆故障点可用图2所示电路来等效。Rf代表绝缘电阻,G是击穿电压为Vg的击穿间隙,Cf代表局部分布电容,上述三个数值随不同的故障情况变化很大,并且互相之间并没有必然的联系。

图2 电缆故障等效电路
间隙击穿电压Vg的大小取决于放电通道的距离,电阻Rf的大小取决于电缆介质的碳化程度,而电容Cf的大小取决于故障点受潮的程度,数值很小,一般可以忽略。
根据故障电阻与击穿间隙情况,电缆故障可分为开路、低阻、高阻与闪络性故障,如表1所示。
表1 电缆故障性质的分类
说明:表中Z0为电缆的波阻抗值,电力电缆波阻抗一般在10-40Ω之间。
以上分类的目的也是为了选择测试方法的方便,根据目前流行的故障测距技术,开路与低阻故障可用低压脉冲反射法,高阻故障要用冲击闪络法测试,而闪络性故障可用直流闪络法测试。现场人员有把Rf<100KΩ的故障称为低阻故障的习惯,主要是因为传统的电桥法可以测量这类故障。智能型电缆故障闪测仪,Rf<1KΩ以下的故障,也就是用万用表能够直接测量出来绝缘电阻的故障,才可以称为低阻故障。高压摇表测试电阻为零,可能还是高阻故障。
据统计,高阻及闪络性故障约占整个电缆故障总数的90%以上。现场是通过试验方法区分高阻与闪络性故障的。
图3给出了电缆耐压试验等效电路,其中Rs为试验设备内阻,E为设备所能提供的直流电压值,电阻Rf与临界击穿电压为Vg的间隙并联代表故障点。

图3 电缆耐压试验等效电路
由图3可知,在对电缆进行高压绝缘试验时,电缆故障点所能获得的电压为:

对闪络性故障来说Rf较大,故障间隙两端电压可以增加至很高,当试验电压升至某一值时,故障点击穿放电,电流突然升高,电压突然下降。预防性试验中发生的故障多属闪络性故障。
高阻故障的故障点电阻Rf较小(但大于10Z0,电缆特性阻抗的10倍),导致故障点两端所加电压不能升至高于故障点击穿电压,也就不能使故障点击穿。因此,可以从在对电缆进行高压绝缘试验时有无故障点击穿现象判断电缆存在高阻还是闪络性故障。显然,高阻与闪络性故障的区分不是绝对的,它与高压试验设备的容量或试验设备的内阻等因素有关。
实际上还存在一种封闭性故障,它多发生于电缆接头或终端头内,特别是多发生在浸油的电缆头内。发生这类故障时,有时在某一试验电压下绝缘击穿,待绝缘恢复,击穿现象便完全消失,这类故障称为封闭性故障,因故障不能再现,寻找起来就比较困难。

4、 电缆故障探测的步骤
电缆故障的探测一般要经过诊断、测距、定点三个步骤。
4. 1. 电缆故障性质诊断
电缆故障性质的诊断,即确定故障的类型与严重程度,以便于测试人员对症下药,选择适当的电缆故障测距与定点方法。
4.2. 电缆故障测距
电缆故障测距,又叫粗测,在电缆的一端使用仪器确定故障距离,测试现场常用的故障测距方法有:古典电桥法(高压电桥、低压电桥)与现代行波法(脉冲法:低压脉冲法,高压脉冲法)。
4.3. 电缆故障定点
电缆故障定点,又叫精测,即按照故障测距结果,根据电缆的路径走向,找出故障点的大体方位来,在一个很小的范围内,利用放电声测法或其它方法确定故障点的准确位置。
一般来说,成功的电缆故障探测都要经过以上三个步骤,否则欲速则不达。例如不进行故障测距而利用放电声测法直接定点,沿着很长的电缆路径(可能有数公里长),探测故障点放电声是相当困难的。如果已知电缆故障距离,确定出一个大体方位来,在很小的一个范围内(10米左右)来回移动定点仪器探测电缆故障点放电声,就容易多了。
5、电缆故障性质的诊断
所谓诊断电缆故障的性质,就是指确定:故障电阻是高阻还是低阻;是闪络还是封闭性故障;是接地、短路、断线,还是它们的混合;是单相、两相,还是三相故障。
可以根据故障发生时出现的现象,初步判断故障的性质。例如,运行中的电缆发生故障时,若只是给了接地信号,则有可能是单相接地的故障。继电保护过流继电器动作,出现跳闸现象,则此时可能发生了电缆两相或三相短路或接地故障,或者是发生了短路与接地混合故障。发生这些故障时,短路或接地电流烧断电缆将形成断线故障。但通过上述判断不能完全将故障的性质确定下来,还必须测量绝缘电阻和进行“导通试验”。
测量绝缘电阻时,使用兆欧表(1千伏以下的电缆,用1000伏的兆欧表;1千伏以上的电缆,用2500伏的兆欧表)来测量电缆线芯之间和线芯对地的绝缘电阻;进行“导通试验”时,将电缆的末端三相短接,用万用表在电缆的首端测量芯线之间的电阻。现将一故障电缆的测量结果列于表2中,供参考。
根据表2所列绝缘电阻之测量结果,可以分析出此故障是两相接地;根据“导通试验”结果,以确定三相电缆未发生断线。此故障点的状态,如图4所示。
表2 绝缘电阻的测量与“导通试验”


图4 电缆线路故障状态图
由于兆欧表分辨率比较差,当指示为零时,不能以为故障电阻就是零欧姆,要用万用表测量故障电阻的精确值,以确定故障是否是属于低阻的。可通过耐压试验确定高阻与闪络性故障,弄清故障点的击穿电压。


6、 不同的电缆故障探测方法的简介
长期以来,涌现出了许多测量方法与仪器,这些方法与仪器适用于不同故障情况,各有优缺点,这里就故障测距与定点仪器简单地做一下评价和比较。
6. 1.故障测距
(1)、电桥法
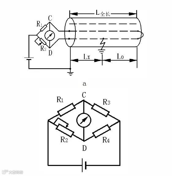
电桥法是一种最为经典测试电缆故障测距方法。如图5所示:

图5 电桥测距原理
电桥法测试线路的连接如图5a所示,将被测电缆终端故障相与非故障相短接,电桥两臂分别接故障相与非故障相,图5b给出了等效电路图。仔细调节R2数值,总可以使电桥平衡,即CD间的电位差为0,无电流流过检流计,此时根据电桥平衡原理可得:
R3/R4=R1/R2 (1.1)
R1、R2为已知电阻,设:R1/R2=K,则
R3/R4=K
由于电缆直流电阻与长度成正比,设电缆导体电阻率为R0,L全长代表电缆全长, LX 、L0 分别为电缆故障点到测量端及末端的距离,则R2可用(L全长+L0)R0代替,根据式(1.1)可推出:
L全长+L0=KLX
而 L0=L全长-LX,所以
LX=2L全长/(K+1)
电缆断路故障可用电容电桥测量,原理与上述电阻电桥类似。
电桥法优点是简单、方便、精确度高,但它的重要缺点是不适用于高阻与闪络性故障,因为故障电阻很高的情况下,电桥里电流很小,一般灵敏度的仪表,很难探测,实际上电缆故障大部分属于高阻与闪络性故障。
在用电桥法测量故障距离之前,需用高压设备将故障点烧穿,使其故障电阻值降到可以用电桥法进行测量的范围,而故障点烧穿是件十分困难的工作,往往要花费数小时,甚至几天的时间,十分不方便,有时会出现故障
点烧断,故障电阻反而升高的现象,或是故障电阻烧得太低,呈永久短路,以至不能用放电声测法进行最后定点。电桥法的另一缺点是需要知道电缆的准确长度等原始技术资料,当一条电缆线路内是由导体材料或截面不
同的电缆组成时,还要进行换算,电桥法还不能测量三相短路或断路故障。
现在现场上电桥法用的越来越少了,不过一些测试人员,尤其是老的测试人员,仍然习惯于使用该方法。特别是对一些特殊的故障没有明显的低压脉冲反射,但又不容易用高压击穿,如故障电阻不是太高的话,使用电桥法往往可以解决问题。
(2)、低压脉冲反射法
低压脉冲反射法,又叫雷达法,是受二次世界大战雷达的启发而发明的,它通过观察故障点反射脉冲与发射脉冲的时间差测距。
低压脉冲反射法的优点是简单、直观、不需要知道电缆的准确长度等原始技术资料。根据脉冲反射波形还可以容易地识别电缆接头与分支点的位置。
低压脉冲反射法的缺点是仍不能适用于测量高阻与闪络性故障。
(3) 高压脉冲电压法
高压脉冲法,又称闪测法,是六十年代发展起来的一种高阻与闪络性故障测试方法。现在国内大多数企业生产、销售该原理的电缆故障闪测仪。
首先使电缆故障闪测仪,在直流高压或脉冲高压信号的作用下击穿故障点,然后,通过观察放电电压脉冲在测试点与故障点之间往返一次的时间测距。脉冲高压法的一个重要优点是不必将高阻与闪络性故障烧穿,直接利用故障击穿产生的瞬间脉冲信号,测试速度快,测量过程也得到简化,是电缆故障测试技术的重大进步。
高压脉冲电压法的缺点如下:
A.安全性差,仪器通过一电容电阻分压器分压测量电压脉冲信号,仪器与高压回路有电耦合,很容易发生高压信号串入,造成仪器损坏。
B.在利用闪测法测距时,高压电容对脉冲信号呈短路状态,需要串一电阻或电感以产生电压信号,增加了接线的复杂性,且降低了电容放电时加在故障电缆上的电压,使故障点不容易击穿。
C.在故障放电时,特别是进行冲闪测试时,分压器耦合的电压波形变化不尖锐,难以分辨。
(4)、高压脉冲电流法
高压脉冲电流法是八十年代初发展起来的一种测试方法,以安全、可靠、接线简单等优点显示了强大的生命力。
高压脉冲电流法与高压脉冲电压法的区别在于:前者通过一线性电流耦合器测量电缆故障击穿时产生的电流脉冲信号,成功地实现了仪器与高压回路的电耦合,省去了电容与电缆之间的串联电阻与电感,简化了接线,传感器耦合出的脉冲电流波形亦比较容易分辨。
(5)、对测距方法与仪器选择的建议
目前,普遍采用脉冲测距法。低阻与断路故障采用低压脉冲反射法,它比电桥法简单直接;测量高阻与闪络性故障采用高压脉冲电流法;两者都是通过脉冲信号在故障点与测量点之间往返一次时间测距,但前者是主动向
电缆发射探测电压脉冲,后者是被动记录故障击穿产生的瞬间脉冲电流信号;信号的记录与处理显示可由同一个电路完成,故可方便地使仪器同时实现两个功能。
6. 2. 故障定点
电缆故障的精确定点是故障探测的关键。目前,比较常用的方法是冲击放电声测法及主要用于低阻故障定点的音频感应法。实际应用中,往往因电缆故障点环境困素复杂,如振动噪声过大、电缆埋设深度过深等,造成定点困难,成为快速找到故障点的主要矛盾。
声磁同步检测法,提高了抗振动噪声干扰的能力;通过检测接收到的磁声信号的时间差,可以估计故障点距离探头的位置;比较在电缆两侧接收
到脉冲磁场的初始极性,亦可以在进行故障定点的同时寻找电缆路径。
6. 3. 新一代智能化电缆故障探测仪器
现代微电子技术的发展,促进了电缆故障探测仪器的进步。仪器正向智能化方向发展,能对采集的信号进行复杂的数学处理,自动计算故障点;记忆测量波形;打印输出波形及测量结果;并具有体积小、携带方便、操作简单等优点。图6是部分智能型电缆故障测试仪-粗测仪器闪测仪的图片。

图6 电缆故障粗测仪器-闪测仪图片

图7 电缆故障定点仪 电缆路径探测仪图片
----------E N D------------
注:部分图片来源网络,版权归属原作者,如有侵权请联系我们,我们将及时处理。
----本文经输配电线路公众号授权转载----

道亨时代公众号主要服务于电力行业从业者,愿景为大家分享相关技术,部分作品或内容来自或参考相关文章,如涉及版权问题,请联系我们及时处理,由此带来的不便敬请谅解!
同时感谢公众号合作伙伴的鼎力支持!

道亨时代微信公众号:BJDHSDKJ
投稿和联系邮箱:25458091@qq.com

道亨时代&恒华科技 出色源自专业

