
本期是平台君和您分享的第149期内容
近年来,随着电子汽车行业的发展,车规级芯片赛道涌出一匹“黑马”,它就是汽车系统基础芯片(SBC)。
SBC芯片是电源管理细分子类之一,是一种集成了电源管理、通信接口、监控诊断和安全监控等功能的独立芯片。
通过集成多种功能,简化了汽车电子系统的复杂性,提高了系统的稳定性和效率。实现了汽车电子模块低功耗、小型化以及高可靠性的要求。
下图为系统基础芯片(SBC)在电子汽车中的应用图。

SBC应用图(图源:英飞凌官网)
目前,由于SBC本身集成度高,技术难度高、认证周期长等特点,导致SBC是一个高度垄断的领域,全球的SBC供应主要依靠国外的几个大厂。
据相关行业预测,现全球系统基础芯片(SBC)市场规模处于持续增涨阶段,预计到2033年,系统基础芯片市场预计将达到620亿美元。这个时候若能接住这“泼天的富贵”,可谓是“钱途无量”啊!
平台君今天为大家带来的芯片就是英飞凌旗下专为各种CAN-LIN汽车应用而设计的高性能SBC芯片——TLE9263BQX 。它不仅作为微控制器的主要电源,还可作为LIN和CAN的总线网络接口。
大家先根据平台君的小卡简单了解一下这款芯片吧。

TLE9263BQX 芯片中包含一个 5V、250mA 的主稳压器,一个 5V、100mA 的辅助稳压器,以及一个可驱动外部 PNP 晶体管的 5V/3.3V 稳压器,它们共同构建了稳定高效的电源供应体系。
下图是这款芯片的电路框图。

功能框图(图源:芯片规格书)
为了让大家能够更直观的了解芯片中的功能布局,平台君的小伙伴对芯片的内部电路也进行了详细分析,现在,让我们通过电路图和概貌图一同探索这款芯片吧。

电路图(图源:IPBrain平台)

概貌图(图源:IPBrain平台)
TLE9263BQX 具有集成的高速 CAN 收发器,支持 CAN FD 数据传输,速率高达 5Mbps,符合 HS - CAN 标准 ISO 11898 - 2:2016。
还有两个 LIN 收发器分别支持 LIN 2.2a 和 J2602 标准,让车辆内部电子控制单元间数据通信又快又准,实现信息高速流转与共享。
四个高边输出,典型值为7Ω,以及专用的高边输出电源引脚,为芯片的输出控制提供了强大的动力支持。
两个通用高压输入输出(GPIOs)可根据需求灵活配置为额外的故障输出、唤醒输入、低边开关或高边开关,极大地增强了芯片的适用性与灵活性。

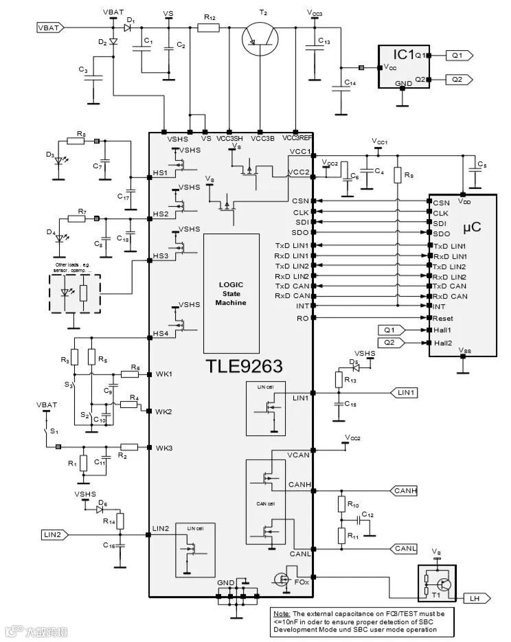
典型应用电路(图源:芯片规格书)
在安全保护方面,过温和短路保护特性时刻守护着芯片及整个车辆系统的安全,三个用于电压电平监控的通用高压唤醒输入,如同警惕的哨兵,密切关注着电压的一举一动,一旦出现异常立即唤醒系统采取措施。
可配置的超时/窗口看门狗电路与复位特性,以及三个故障输出和欠压复位特性,更是为系统的稳定运行上了多重保险。
低功耗模式的设计充分考虑到汽车电池应用的需求,能够有效最小化永久连接到电池应用的电流消耗,并且通过双级敏感监控/唤醒输入以及循环唤醒功能,能迅速从低功耗模式唤醒,实现了节能与高效的完美平衡。
TLE9263BQX的设计使其能够承受汽车应用中的恶劣条件,适用于多种CAN-LIN汽车应用,如车身控制模块(BMC)、无钥匙进入和启动模块、网关应用、暖通空调(HVAC)以及灯光控制模块等。
文章的最后,跟随平台君从芯片内部的细节处观察一下这个芯片吧。

金属3至4层插指电容(金属3层)(图源:IPBrain平台)

金属3至4层插指电容(金属4层)(图源:IPBrain平台)
该芯片中用到了许多插指电容,这种电容其特殊的结构,能够在小面积中达成较大电容值提升集成度,高频性能出色,可以处理射频信号,还能隔离模块直流偏置并耦合交流信号,保障模拟与数字混合信号芯片的正常运作。

P型单端阱扩展的高压管(图源:IPBrain平台)

MOS管(图源:IPBrain平台)

LOGO(图源:IPBrain平台)


点击“发消息”后,在聊天对话框发送9263,即可自动获取47页免费报告的下载链接。
如果小伙伴儿们对更多市场上热门的芯片资讯感兴趣,也可以点击“阅读原文”访问IPBrain网站进行查询。
关于IPBrain平台
IPBrain集成电路大数据平台归属北京芯愿景公司旗下。IPBrain平台为半导体行业客户提供先进芯片技术资讯、专利资讯、市场动态等信息。平台可以分析的最先进制程已达到3纳米,单个项目最大规模达超过100亿个晶体管,最大金属层数达到20层,目前平台已积累的报告有13000+。
欢迎关注IPBrain平台公众号及网站:https://www.ipbrain.com.cn,及时掌握技术动态和市场资讯,精准研发不走弯路,更快实现产品成功。
往期精彩推荐
2025-01-06
2025-01-03
2025-01-03
2025-01-02
2024-12-31
2024-12-30

