Chip Characteristics
01.芯片特性
-
稳压静态电流 27µA,轻载条件下具有高效率(DCM 和 PFM) -
集成同步整流,可调频率范围从200kHz 至 2.2MHz(默认值为 500kHz),与外部时钟频率同步 -
内部补偿,与陶瓷、聚合物、钽和铝电容器等大多数电容器组合搭配使用时均可保持稳定
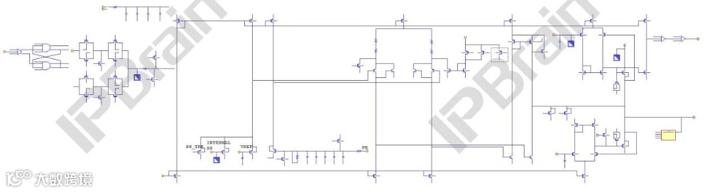
Circuit Internal Details
02.电路内部细节
Chip Detail Images
03.芯片图像细节
Chip Applications
04.芯片应用
-
便携式设备:移动电源 -
网络系统:交换机 -
分布式电源系统:通信基站和数据中心 -
消费电子:汽车电子系统
想获取更多产品课堂中学习资源的朋友们可以联系IPBrain@cellixsoft.com或致电010-62901860-639/609/611咨询细节呦。
更多独家资讯尽在IPBrain集成电路大数据平台,如果小伙伴儿们对更多市场上热门的芯片资讯感兴趣,也可以点击“阅读原文”访问IPBrain网站或点击下方小程序链接进行查询。
往期推荐 >





