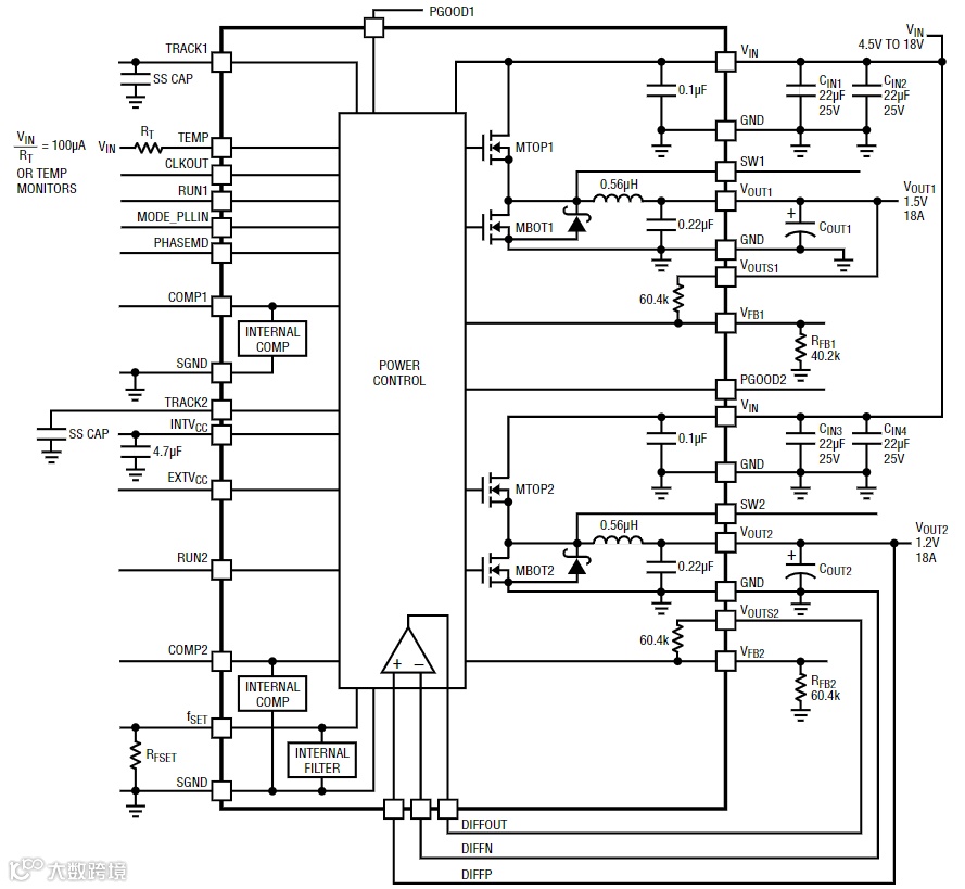
Chip Characteristics
01. 芯片特点
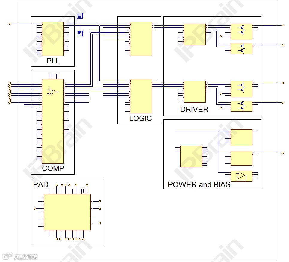
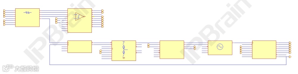
Chip Detail Diagrams
02. 器件细节图
Application Scenarios
03. 应用场景
-
电信与网络设备:宽输入电压范围适用于基站电源、交换机、路由器等通信设备的电源模块;支持多相并联输出(最高144A),可应对通信设备中高功率密度的电源轨设计。
-
工业自动化与控制设备:±1.5%的输出精度,适用于工业机器人、PLC(可编程逻辑控制器)、传感器阵列等设备;快速瞬态响应能力可应对电机启动、电磁阀切换等突发负载变化。
-
存储设备:在服务器存储系统、磁盘阵列等存储设备中,LTM4630A 可以为存储控制器、磁盘驱动器等部件提供合适的电压,保证数据的可靠存储和读取。
往期推荐 >

