
Why Important?
01. 为什么ASIL-D认证
对BMS如此重要?
Core Advantages
02. 核心优势,树立行业新标准
1. 超高精度测量能力
2. 高度集成,大幅节省空间与成本
3. 灵活可扩展的系统适配性
-
支持霍尔传感器与检流电阻两种电流检测方式; -
提供UART/SPI双通信接口,可灵活适配主控单元; -
支持多拓扑电池组态,包括高压平台及48V轻混系统。
Typical Application Scenarios
03. 典型应用场景
-
纯电动汽车(BEV)高压电池包 -
混合动力车(HEV/PHEV)电池系统 -
48V轻混系统(MHEV) -
商用车辆、储能系统及无人运输工具
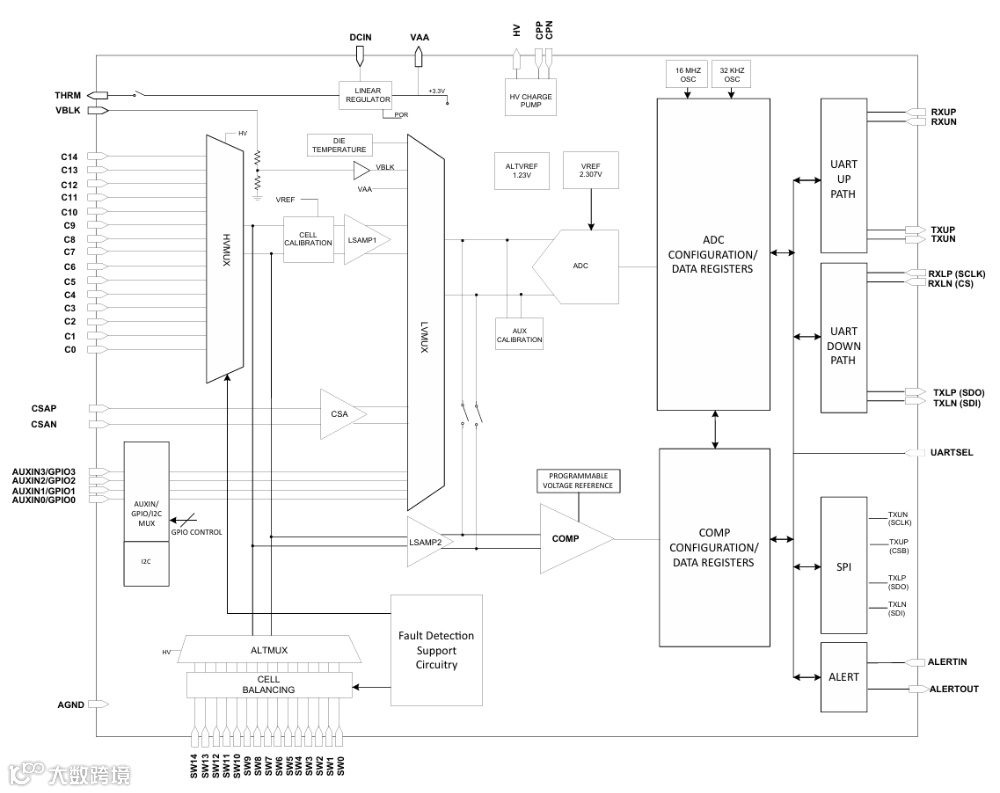
Chip Details
04. 芯片细节
往期推荐 >

