
本期是平台君和您分享的第137期内容
随着汽车电子技术的发展,控制器局域网总线(CAN)作为一种高效可靠的通信协议,在汽车行业得到了广泛应用。现如今,单台车的CAN节点总数能够达到几十个,其中高速CAN节点就能占总数的3成。
高速CAN收发器是用于CAN总线通信的重要硬件设备,在汽车系统中实现各控制单元间的高速数据通信。恩智浦TJA1043芯片是汽车CAN总线收发器的核心器件,在汽车电子领域的应用非常广泛且不可或缺。
例如荣威RX5 MAX版智驾域控制器使用TJA1043作为CAN总线驱动芯片,实现了智能驾驶域控制器与其他汽车电子控制单元之间的高速数据传输。
接下来,就让我们一同深入探寻TJA1043芯片的奥秘吧。

TJA1043是恩智浦旗下的一款高速CAN收发器,可在控制器局域网总线(CAN)协议控制器和物理双线式CAN总线之间提供接口。并且可为(微控制器中的)CAN协议控制器提供发送和接收差分信号的功能。
TJA1043芯片为COMS 500nm工艺,管芯面积为2.46x1.61mm²,有3层金属布线,下图为该芯片的概貌图。

概貌图(图源:IPBrain平台)
TJA1043共有5种工作模式,分别为Normal mode(正常模式)、Listen-only mode(只听模式)、Standby mode(待机模式)、Go-to-Sleep mode(进入休眠模式)、Sleep mode(休眠模式)。
五种模式间的转换关系如下图所示:

模式转换图(图源:芯片规格书)
由上图可以看出,模式的跳转主要通过收发器的两个IO引脚STB_N和EN的电平状态以及Wake flag共同控制。
接下来随平台君了解一下该芯片的主要技术规格。

该芯片提供SO14和HVSON14封装,HVSON14封装为无引脚设计(3.0mmx4.5mm),增强了自动光学检测(AOI)功能。
下图给出了两种封装形式对比图。

封装对比图(图源:芯片规格书)
今天平台君为大家介绍的是SO14封装形式,从下图的射线图可以看出其引脚的对应。

射线图(图源:IPBrain平台)
TJA1043属于恩智浦半导体的第三代高速CAN收发器,相比第一代和第二代器件,有明显的改进。它提升了电磁兼容性(EMC)和静电放电(ESD)性能,具有极低的功耗和电源电压关闭时的无源性能。

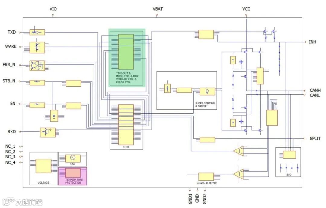
电路图(图源:IPBrain平台)
从电路图我们可以看到该芯片配备了多个诊断功能模块,如发送数据(TXD)主导的超时检测电路、TXD到RXD短路检测电路以及总线短路检测、超温检测等电路,这些电路能够实时监测芯片的工作状态和各种故障情况。
SPLIT电压输出可以稳定隐形电平,减小对地直流泄露的EME,在正常模式和只听模式下,引脚SPLIT电压为0.5VCC,在其他模式时,引脚SPLIT悬空。
宏观感受了芯片的整体概貌,下面平台君给大家分享一些该芯片的器件细节图。

三极管(图源:IPBrain平台)

电容(图源:IPBrain平台)

二极管(图源:IPBrain平台)
这三种器件都有保护电路的作用,三极管在过流等异常情况时导通分流,电容可吸收电路中的瞬间电压尖峰,二极管可防止电源极性接反或出现反向电压时损坏芯片。
文章最后,平台君还找到了该芯片的LOGO图如下。

LOGO图(图源:IPBrain平台)
好啦,本篇文章分享就到这里,想了解更多的朋友们可以联系IPBrain@cellixsoft.com或致电010-62901860-639/609/611咨询细节呦。
如果小伙伴儿们对更多市场上热门的芯片资讯感兴趣,也可以点击“阅读原文”访问IPBrain网站进行查询。
关于IPBrain平台
IPBrain集成电路大数据平台归属北京芯愿景公司旗下。IPBrain平台为半导体行业客户提供先进芯片技术资讯、专利资讯、市场动态等信息。平台可以分析的最先进制程已达到3纳米,单个项目最大规模达超过100亿个晶体管,最大金属层数达到20层,目前平台已积累的报告有13000+。
欢迎关注IPBrain平台公众号及网站:https://www.ipbrain.com.cn,及时掌握技术动态和市场资讯,精准研发不走弯路,更快实现产品成功。
往期精彩推荐
2024-12-19
2024-12-18
2024-12-17
2024-12-17
2024-12-17

