
本期是平台君和您分享的第201期内容
霍尔传感器是根据霍尔效应制作的一种磁场传感器,霍尔传感器能够判断半导体材料的导电类型、载流子浓度及载流子迁移率等重要参数。
同时霍尔器件具有许多优点,它们的结构牢固,体积小,重量轻,寿命长,安装方便,功耗小,频率高(可达1MHZ),耐震动,不怕灰尘、油污、水汽及盐雾等的污染或腐蚀。
霍尔线性器件的精度高、线性度好;霍尔开关器件无触点、无磨损、输出波形清晰、无抖动、无回跳、位置重复精度高(可达μm级)。
今天平台君要与大家分享的是一款由迈来芯公司(MELEXIS)设计的磁性霍尔传感器-MLX90288。

MLX90288管芯文字,图源:IPBrain平台
MLX90288产品信息
MLX90288芯片共4层金属层,制造工艺为CMOS工艺,特征尺寸为350nm,其管芯尺寸为2.08mm x 1.50mm。

MLX90288概貌图,图源:IPBrain平台
MLX90288这款产品特点突出,主要特点如下:
-
可在输出范围外进行偏移微调,以及一阶和二阶磁体TC补偿,反极性、过压保护,包括广泛的诊断特性 -
霍尔线性传感器提供高达0.5%的精度,可以满足高精度的丈量需求,例如测量河道水位每秒/每分升降水位线的情况 -
出色的线性度,可确保在全部丈量范围内进行精确测量 -
以低功耗为产品亮点,可使用电池供电的方式进行工作续航,极大地降低了工作环境的限制 -
具有低噪声的特性,即使处于环境嘈杂,波动扰乱的环境下,依然可以提供清晰稳定的信号,确保了信号的稳定性和持续性 -
具有可编程的特性,即允许用户根据特定运用场景需求定制传感器特性,例如选择信号输出的类型和调控信号的灵敏度
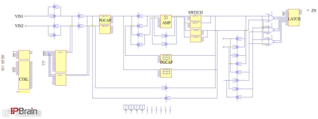
MLX90288电路介绍
MLX90288是一款经济高效的单片可编程线性霍尔传感器,可提供与比例垂直于模具表面施加的磁通密度成比例的模拟比例输出信号;使用PTC-04编程工具,可以通过连接器对MLX90288进行完全编程(例如偏移,灵敏度,钳位电平,磁体温度漂移,数字IIR滤波等),它支持线性和二次磁体热补偿。

MLX90288功能框图,图源:MLX90288芯片规格书
具体到电路功能模块,该芯片由SENSING_MODULE(SensingModule),VOL_GEN(Voltage Generator),AMP(Amplifer),ADC(Analog Digital Converter), DAC(Digital Analog Converter),COMP(Comparator), SC,DETECT和PAD等多个模块组成。
下图是平台的小伙伴完成了芯片的电路分析后,根据经验,参考规格书绘制的顶层电路图。

MLX90288顶层电路图,图源:IPBrain平台
下面一起来看一下ADC(Analog Digital Converter)模块和DAC(Digital AnalogConverter)模块电路。
ADC模块电路图如下所示:

ADC模块电路图,图源:IPBrain平台
DAC模块电路图如下所示:

DAC模块电路图,图源:IPBrain平台
MLX90288器件介绍
平台君为大家截取了电容(CAP)、三极管(BJT)、二极管(DIODE)的细节图供大家参考。



应用场景
汽车:用于踏板位置传感、节气门位置传感、EGR阀位置传感、变速箱位置传感、悬架高度控制、转向角传感等。
工业:用于液位丈量、接近开关、直线位移丈量、角度丈量、电流传感等。
消费电子:用于手机和平板电脑的翻盖检测、笔记本电脑的盖子开合检测、机器人吸尘器的避障等。
医疗:用于交流、直流、脉冲等复杂信号的隔离转换,通过霍尔效应原理使变换后的信号能够直接被AD、DSP、PLC、二次仪表等各种生物信息装置直接采集和接受。
农业:精准感知植物湿度、温度和空气中二氧化碳浓度等变化,进而将收集到的信息转为可视化数据,调控其他设备以实现最优农作物生长环境。
价格信息

平台君在网上商城查到这颗芯片的售价为13.5元左右。
相信大家看到这里已经对MLX90288芯片有了一定的了解。IPBrain平台已经对该芯片已经进行了详细的电路分析,想了解更多的朋友可以联系IPBrain@cellixsoft.com或致010-62901860-639/609/611咨询细节。
更多独家资讯尽在IPBrain集成电路大数据平台,如果小伙伴儿们对更多市场上热门的芯片资讯感兴趣,也可以点击“阅读原文”访问IPBrain网站进行查询。
关于IPBrain平台
IPBrain集成电路大数据平台归属北京芯愿景公司旗下。IPBrain平台为半导体行业客户提供先进芯片技术资讯、专利资讯、市场动态等信息。平台可以分析的最先进制程已达到3纳米,单个项目最大规模达超过150亿个晶体管,最大金属层数达到20层,目前平台已积累的报告有13000+。
欢迎关注IPBrain平台公众号及网站:https://www.ipbrain.com.cn,及时掌握技术动态和市场资讯,精准研发不走弯路,更快实现产品成功。
往期精彩推荐
2025-03-17
2025-03-18
2025-03-20
2025-03-21
2025-03-14

