
点击上方蓝字关注IPBrain公众号,回复“199”,免费获取该型号35页详细电路分析报告。
在电子系统中,通常需要一种器件,用于实时监测电流的大小和方向,并根据检测结果实现系统控制、保护或优化。这就是本文的主角——双向电流检测芯片。
在电动汽车、电动工具、储能系统中,需要双向电流检测芯片来精确监测电池的充放电电流,实现电量精确计量、电池状态监测和保护功能,防止过充、过放和过流对电池造成损害,延长电池使用寿命。
在工业自动化设备、机器人、电动汽车的电机驱动中,双向电流检测芯片用于实时监测电机的相电流,通过检测电流大小和方向来控制电机的转速、扭矩,实现精确的电机控制,还可用于电机故障诊断,如检测到堵转或短路时进行保护。
今天,平台君就给大家介绍一款由德州仪器(TI)设计的一款高精度、零漂移的双向电流检测芯片INA199A1。
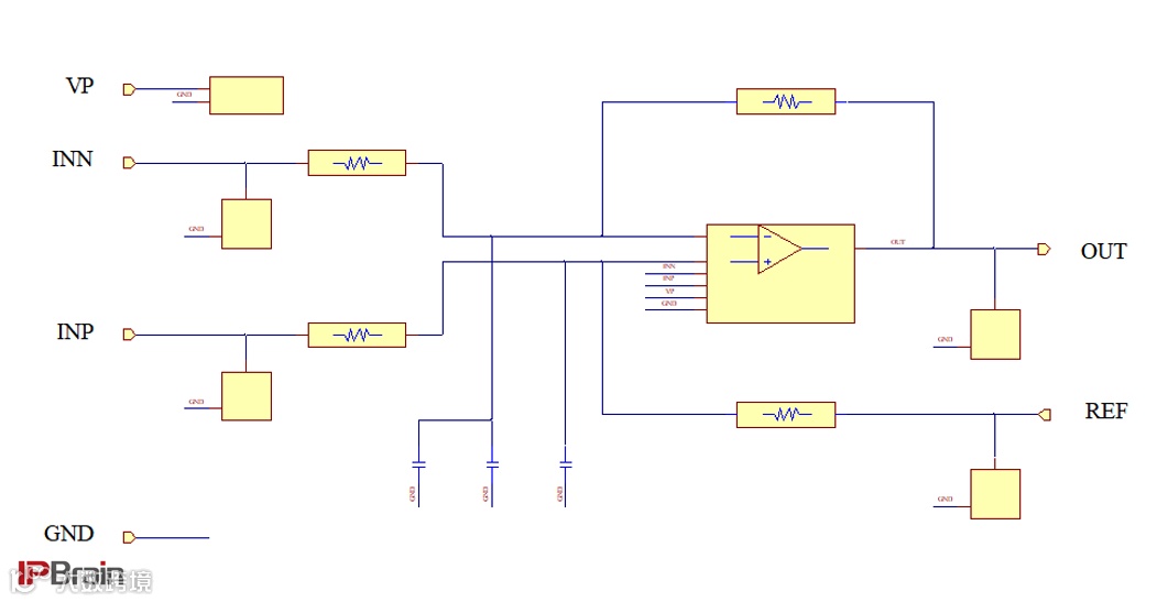
功能框图,图源:IN199A1芯片规格书
INA199A1芯片的优势
高精度测量:具有低偏移、低噪声特性,能实现高精度电流检测,可准确测量微小电流变化,为系统提供精确电流数据,便于优化与控制。例如在精密仪器的电源管理中,可精确监测电流消耗,利于分析和优化功耗。
高共模抑制比:差分输入和高共模抑制特性,使其能在共模干扰环境下准确测量电流,有效抑制共模噪声,确保测量结果不受外界干扰影响,在工业现场等复杂电磁环境中表现稳定。
宽工作电压范围:工作电压范围为2.7V到26V,能适应多种不同电源电压的应用场景,无论是电池供电的低电压设备,还是市电供电的高电压系统,都可使用该芯片进行电流检测。
多种保护功能:具备过温保护、过压保护和短路保护功能,可在异常情况下保护电路安全,避免芯片和其他电路元件因过载等损坏,提高系统可靠性和稳定性,延长设备使用寿命。
设计灵活性高:可通过电阻调整增益和带宽,还有可编程增益选项,能根据不同应用需求灵活配置,适应各种测量范围和精度要求,满足多样化的设计需求。
也是因为上述优势,INA199A1这款芯片适用于诸多电子设备及数码产品,在工业和电信应用领域,INA199A1可使用在如电机控制、电池管理和基站功率放大器偏置控制等控制系统中;对于电子数码产品而言,INA199A1可应用于笔记本电脑、手机、电信设备、电源管理、电池充电器等领域。
芯片内部结构及顶层电路
一款芯片强大的性能往往离不开它精妙的内部设计。接下来就请大家跟着平台君一起来探究INA199A1的内部奥秘。
平台实验室对这款芯片进行了详细的工艺全景分析、电路分析。获得了图像资讯和电路资讯报告。
下图是芯片器件层(即多晶层)的光学图像。
芯片功能模块,图源:IPBrain平台
INA199A1芯片采用了BCD工艺,由3层金属层及1层多晶层构成,主要放大器功能模块占芯片内部半数面积。
下图便是该款芯片的顶层电路图。
芯片电路图,图源:IPBrain平台
详细的电路图,可以参见文末的获取方式。
根据平台君查询到的信息显示,这款实用性强,应用领域规范的双向电流检测芯片价格十分实惠,大约在1元左右。
免费报告获取办法
如果小伙伴儿们对更多市场上热门的芯片资讯感兴趣,也可以点击“阅读原文”访问IPBrain网站进行查询。
关于IPBrain平台
IPBrain集成电路大数据平台归属北京芯愿景公司旗下。IPBrain平台为半导体行业客户提供先进芯片技术资讯、专利资讯、市场动态等信息。平台可以分析的最先进制程已达到3纳米,单个项目最大规模达超过150亿个晶体管,最大金属层数达到20层,目前平台已积累的报告有13000+。
欢迎关注IPBrain平台公众号及网站:https://www.ipbrain.com.cn,及时掌握技术动态和市场资讯,精准研发不走弯路,更快实现产品成功。
往期精彩推荐
2025-02-24
2025-01-09
2025-01-07
2025-01-07
2025-01-07
2025-01-07

