
本期是平台君和您分享的第125期内容
OSC概述
振荡器(oscillator)是一种不需要外部信号激励、自身能将直流电能转换为周期性交流输出信号(通常为电压信号)的电路。振荡器的核心是一个在振荡频率处呈正反馈的环路。下图给出了一个反馈系统的通用模型。

图1 OSC反馈系统通用模型
振荡器的类型有LC振荡器、RC振荡器、环形振荡器和晶体振荡器。
STM32F407中的OSC
STM32F407中的OSC属于RC振荡器。RC振荡器为低频振荡器,优点是可以通过增大电阻阻值来降低频率。因为增大电阻阻值的成本很低,所以RC振荡器广泛用于各种的低频振荡器。STM32F407中内部共有两种RC振荡器:
STM32F407的Low-speed internal (LSI) RC oscillator可作为低功耗时钟源在停机和待机模式下保持运行。时钟频率在32kHz 左右。用于驱动独立看门狗(IWDG)和提供给RTC,用于停机/待机模式下的自动唤醒单元(AWU)使用。在未使用时可单独打开或者关闭,以降低功耗。
STM32F407的High-speed internal (HSI) RC oscillator时钟信号由内部16MHz压控RC振荡器生成,可直接用作系统时钟,或者用作PLL输入。

图2 STM32F407 block diagram(图源:芯片规格书)

图3 STM32F407-DF概貌图

图4 HSI和LSI模块局部放大图

图5 STM32F407-M4概貌图

图6 HSI和LSI模块局部放大图
RC振荡器(LSI)的仿真分析

图7 STM32F407中LSI的电路图

图8 STM32F407中LSI-DF的局部功能模块

图9 电容充放电和施密特反相器输出波形图

常见的时钟源均为占空比为50%的方波,因此需要将就矩形波转换为方波。STM32F407中采用T触发器对振荡器产生器的矩形波进行2分频,以得到占空比为50%,频率为32kHz左右的方波。
T触发器具有保持和翻转的功能,在数字逻辑电路中较多的被用在分频电路中,其输入和输出波形如下:

图11 T触发器输入输出波形(图源:IPBrain平台)
该RC振荡器的电阻阻值和电容容值均固定不可变,因此输出频率不可变。
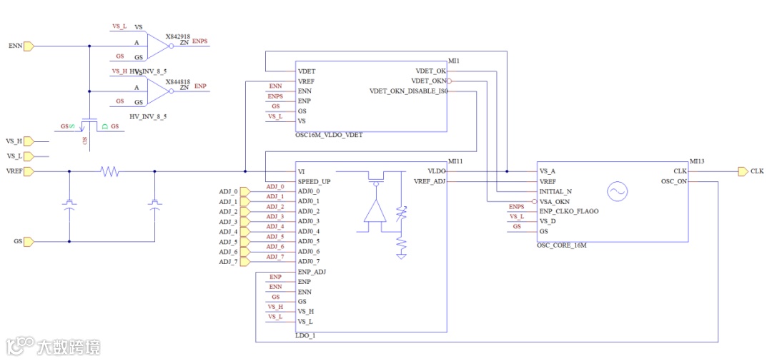
压控RC振荡器(HSI)的仿真分析
STM32F407的HSI是压控RC振荡器,也叫VCO(Voltage Controlled Oscillator),即输出频率受输入电压控制的一种RC振荡器。HSI和LSI类似也是控制电容充放电形成振荡回路,区别在于HSI是差分结构,LSI是单端输入。

图12 STM32F407中HSI的电路图

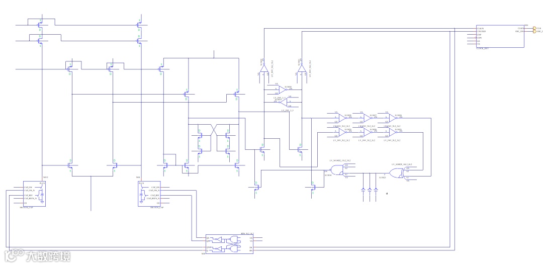
图13 STM32F407中HSI的振荡核心区域电路图

图14 STM32F407中HSI的电压检测模块

图15 STM32F407中HSI的振荡器模块

图16 VCO启动阶段波形

图17 VCO启动阶段波形(局部放大)
VCO的时钟检测模块可以使整个VCO模块的时钟输出在振荡器起振若干个周期后再输出,如图18所示。

图18 VCO时钟检测模块输出波形图
图19为频率随时间的变化关系。可以看出初始时刻频率不稳定,而时钟检测模块会让振荡器起振若干个周期后再输出,正好将频率不稳定的区间过滤掉,从而保证了频率的稳定。

图19 频率变化波形图(VC=581.5mV)
图20为频率与VC的关系,可以看出,VC与频率呈一定的线性关系。即在一定电压区间内,VC电压越大,频率越高。

图20 频率与VC的关系
总结
END
关于IPBrain平台
IPBrain集成电路大数据平台归属北京芯愿景公司旗下。IPBrain平台为半导体行业客户提供先进芯片技术资讯、专利资讯、市场动态等信息。平台可以分析的最先进制程已达到3纳米,单个项目最大规模达超过100亿个晶体管,最大金属层数达到20层,目前平台已积累的报告有13000+。
欢迎关注IPBrain平台公众号及网站:https://www.ipbrain.com.cn,及时掌握技术动态和市场资讯,精准研发不走弯路,更快实现产品成功。
往期精彩
2024-10-15
2024-10-28
2024-10-22
2024-10-23
2024-10-21
2024-10-18
2024-10-16
2024-11-07
2024-11-05
2024-11-06

