
大疆览沃(Livox)是无人机巨头大疆创新(DJI)旗下的一个先锋品牌,专注于激光雷达技术。近年来,览沃推出的Mid-360等激光雷达明星产品在测绘、机器人、割草机和自动驾驶等多个前沿领域打响了名号。
Mid-360是一款混合固态激光雷达,实现了360°×59°的探测,被誉为“小巧体积实现强大三维感知能力”的产品。
大疆览沃(Livox)Mid-360(图源:网络)
全系搭载Mid-360激光雷达的追觅智能割草机器人,横扫欧美市场,短短数月实现“销量破万台”、“销售额破亿元” 的战绩,覆盖欧美高端市场超100个国家和地区。
截止2025年,览沃已累计向追觅交付十万个Mid-360激光雷达,未来三年计划交付超百万台雷达。
Mid-360 APD探测器拆解图
(图源:网络)
在Mid-360 的APD探测器中,平台君看到使用了4颗德州仪器(TI)研发的高性能差分放大器芯片LMH32401👈。按此计算的话,未来三年 LMH32401已提前锁定了400万颗的用料。
今天,平台君就和大家一起了解下德州仪器的LMH32401芯片。
Chip Overview
01 芯片概述
LMH32401 芯片是一款增益可编程的单端输入转差分输出跨阻放大器,可以配置 2 kΩ或 20 kΩ 增益。适用于光检测和测距(激光雷达)应用和激光测距系统。
LMH32401简介(图源:芯片规格书)
LMH32401 芯片具有1.5VPP的输出摆幅,可驱动 100Ω 负载。
LMH32401 芯片集成了一个 100mA 钳位电路,可以为放大器提供保护并允许器件迅速从过载输入状况中恢复,还具有一个集成式环境光消除电路,用于抵消因环境光引起的电压偏移。
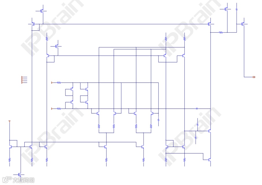
平台君在下面放了该芯片的电路图,让大家可以更加直观地了解该芯片。

电路图(图源:IPBrain平台)
Kernel Module
02 核心模块
LMH32401芯片集成了一种直流消除环路(ALC),用于消除环境光产生的电压偏移。该环路可取代光电二极管与放大器之间的交流耦合,从而节省布板空间并降低系统成本。
该环路仅在光电二极管(PD)吸收光电流时生效,通过将IDC_EN置为低电平可启用此功能。该环路如下图绿色方框所示。
功能框图(图源:芯片规格书)
工作原理
当环境光照射到光电二极管时,会产生电流,该环路会检测TIA输出端的低频直流偏移,并与内部参考电压(VREF)进行比较,随后输出反向直流电流(IDC)以补偿输入端的差分偏移电压。
当放大器进入断电模式时,环境光消除功能将被禁用。下面是直流消除环路的Poly层图像和电路图。
Poly层图像(图源:IPBrain平台)
电路图(图源:IPBrain平台)
Functional Description
03 功能描述
可切换增益跨阻放大器
LMH32401芯片具有可编程增益跨阻放大器(TIA)级,TIA级的增益通过GAIN引脚控制。
将该引脚置为低电平时TIA处于低增益配置,置为高电平时则处于高增益配置。当GAIN引脚悬空时,LMH32401默认采用低增益配置。
电路图(图源:IPBrain平台)
ESD保护
LMH32401所有引脚均设有连接正负电源轨的内部静电放电保护二极管,防止放大器受ESD事件损坏。
差分输出级
LMH32401芯片支持差分输出,有助于提高信号质量和抗噪声能力,特别适合与 ADC 或其他差分输入设备接口。
Show Details
04 细节展示
了解了这么多,接下来平台君给大家分享一些该芯片的器件细节图。
MOS管(图源:IPBrain平台)
电阻(图源:IPBrain平台)
电容(图源:IPBrain平台)
LOGO1(图源:IPBrain平台)
LOGO2(图源:IPBrain平台)
LMH32401以增益可编程性为核心,凭借高度集成和成本可控性,仍是激光雷达的主流选择。
往期推荐 >





