在现代电子系统的多个领域中,逐次逼近型ADC广泛应用于高精度数据采集系统、嵌入式系统及信号处理场合,能够实现高精度和高速度的模拟信号和数字信号之间的转换,网上商城售价200元左右。
今天,平台君给大家带来这款来自ADI(亚德诺)公司的零延迟架构SAR ADC,下面就和平台君一起来了解这款芯片吧。
Basic Information
AD7980 基本信息
AD7980是一款基于电荷再分配DAC的逐次逼近型ADC,在CNV信号上升沿启动转换,通过内部电容阵列的电荷再分配逐步逼近输入电压值。其零延迟特性使其适用于多路复用场景,避免了流水线延迟对时序的影响。
该器件支持1 MSPS的吞吐率,采用单电源供电(VDD),并兼容1.8 V至5 V逻辑电平(VIO),适用于多场景的嵌入式系统设计。
AD7980管芯尺寸为2.15mm x 1.40mm(不含划片槽),多晶层数为1层,金属层数为4层,管芯文字为ADI M 06 TN72 A。
AD7980 管芯文字(图源:IPBrain平台)
AD7980提供两种封装形式:
10引脚MSOP:适用于标准PCB布局,便于手工焊接调试。
10引脚QFN(LFCSP):3 mm×3 mm小型封装,适合空间受限的便携设备。
器件的工作温度范围为-4 0°C至+125°C(扩展级)或-40°C至+85°C(工业级),小伙伴们记得根据应用环境选择适配的封装哦。
Technical Characteristics
AD7980 技术特性
16位无漏码分辨率:INL(积分非线性)典型值为±0.6 LSB,动态范围达92 dB。
伪差分输入结构:输入范围覆盖0 V至外部参考电压(REF,2.5 V至5 V),支持灵活的参考电压设置。
动态功耗优化:功耗随吞吐率线性变化,1 MSPS时典型功耗为7.7 mW,低采样率下可降至微瓦级。
相较于传统SAR ADC(如TI ADS8860),其动态功耗降低约80%,特别适合电池供电的便携设备(如穿戴式医疗监测仪)和需要密集多通道采集的ATE系统。
SPI兼容接口:支持菊花链连接多个ADC,简化多通道系统的布线复杂度,适用于半导体测试等高密度采集场景。
内置跟踪保持电路:减少外部采样保持芯片需求,降低BOM成本。
Working Principal
AD7980 工作原理
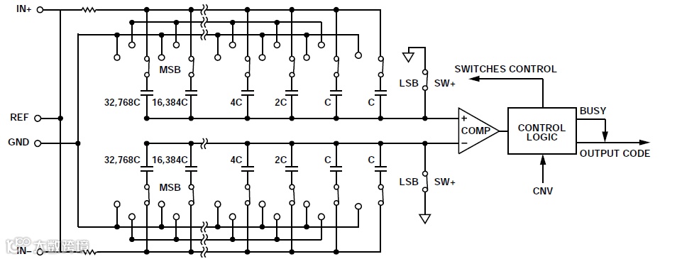
逐次逼近算法通过逐步逼近的方式确定每个数字位的值。容性DAC包含两个完全相同的16位二进制加权电容阵列,分别连接到比较器的两个输入端。
ADC简化电路图(图源:芯片规格书)
在开始转换时,ADC的比较器会将模拟输入信号与DAC产生的中间值进行比较。若输入信号大于DAC输出,则相应位被设为1,否则被设为0。之后,DAC的输出会更新为下一次比较的中间值,过程重复直到完成所有位的转换。
顶层电路图(图源:IPBrain平台)
Floorplan(图源:IPBrain平台)
AD7980具有一个片上转换时钟用于转换过程,转换过程不需要串行时钟SCK。
Detail Figure
AD7980 器件细节图
AD7980芯片采用了CMOS制造工艺,平台君给大家带来了芯片中出现次数较多的几个器件细节图,大家一起看一下吧。
电阻多晶层(图源:IPBrain平台)
电容多晶层(图源:IPBrain平台)
多晶熔丝(图源:IPBrain平台)
平台君今天的分享就到这里啦,如果想了解更多的朋友可以联系IPBrain@cellixsoft.com或致电010-62901860-639/609/611咨询细节呦。
如果小伙伴儿们对更多市场上热门的芯片资讯感兴趣,也可以点击“阅读原文”访问IPBrain网站进行查询,或者搜索IPBrain公众号进行搜索哦!

