在电子设备的世界里,时钟发生器就像“心脏”,精准把控着整个系统的运行节奏。
ADCLK950👈便是一款高性能时钟发生器,以其出色的性能和广泛的适用性,成为众多电子设备稳定运行的可靠保障。
Industrial-grade Reliable Guarantee
01.工业级可靠保障
宽温工作范围:-40°C 至 +85°C,适应严苛环境(工业现场、车载、户外设备)。
紧凑高效封装:40引脚LFCSP (Lead Frame Chip Scale Package) 封装,节省 PCB 空间,并具备优异散热性能,确保长期稳定运行。
Core Performance Advantages
02.核心性能优势
Chip Details
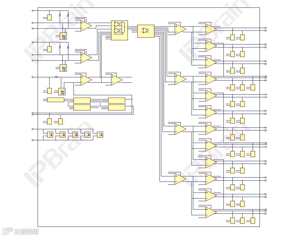
03.芯片鉴赏
聚焦 ADCLK950 芯片管芯与电路细节,深度呈现其设计细节,助力工程师与设计者理解其底层技术。
概貌图(图源:IPBrain平台)
Floorplan(图源:IPBrain平台)
Series Products Comparative Advantages
04.系列产品对比优势
Future Development
05.未来发展
对于追求系统性能极限、高可靠性与设计灵活性的电子设备,ADCLK950 是核心时钟解决方案的理想选择,其卓越的时序性能为各类应用提供坚实基石。
往期推荐 >

