Chip Characteristic
01. 芯片简介
Core Technical Features
02. 核心技术特性
1.高精度电压控制
2.超低噪声与高纹波抑制
3.超低压降与高效能
4.完善的保护与控制功能
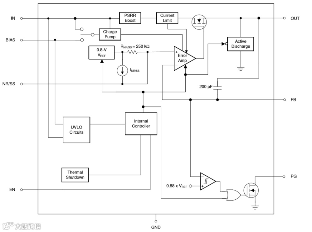
Detail Diagram
03. 细节图像
器件图像
Practical Application
04. 实际应用
-
一是性能均衡性,4.4µV噪声与110mV压降的组合指标优于多数竞品;
-
二是架构灵活性,双电源输入设计使其适配更多低电压场景;
-
三是保护功能完整性,PG信号与可调软启动功能为系统设计提供了更多便利。
-
给SerDes模块、射频RRU供电,低噪声减少信号干扰,高PSRR过滤DC-DC纹波,降低通信误码率。
-
超声扫描仪、成像设备的ADC/DAC供电,高精度保障数据准确,宽温范围适配设备工作环境。
-
实验室仪表、传感器的核心供电,3A大电流满足FPGA需求,遥感功能补偿走线压降。
Comparison of Similar Product
05. 同系列相似产品对比
往期推荐 >

