搜索
首页
大数快讯
大数活动
服务超市
文章专题
出海平台
流量密码
出海蓝图
产业赛道
物流仓储
跨境支付
选品策略
实操手册
报告
跨企查
百科
导航
知识体系
工具箱
更多
找货源
跨境招聘
DeepSeek
首页
>
冲击信号测量A/D的选择
>
0
0
冲击信号测量A/D的选择
东华测试
2020-07-03
1
导读:冲击信号的主要特征:1、极陡的前沿上升时间2、类似方波阶跃信号3、超宽频带范围
1
冲击信号特征
主要特征:
● 极陡的前沿上升
时间
● 类似方波阶跃信号
● 超宽频带范围
针对冲击信号的典型特征,对冲击信号进行采集时,要想采集到完整的、最接近真实信号的数据,对采集设备的A/D转换器的类型、采样频率、放大器带宽等多项指标均存在很高的要求。
2
A/D转换器的选择
常见的A/D转换器有两种:
1、 Σ-Δ ADC转换器
2、逐次逼近型(SAR)A/D转换器
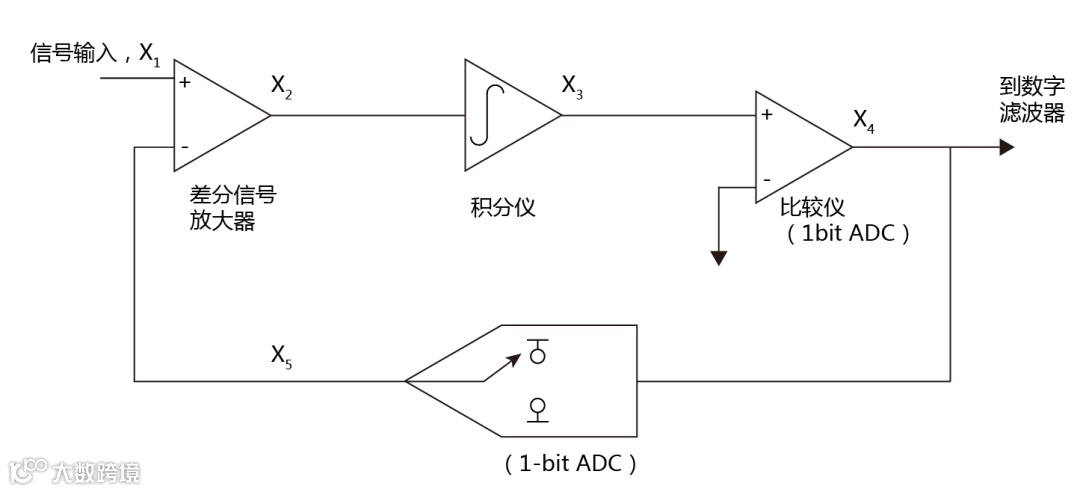
Σ-Δ ADC转换器的模拟部分是一个1bit模数转换器(ADC),就是一个非常简单的比较电路。大多数工作由数字部分通过过采样滤波完成,降低了芯片的制造成本。
Σ-Δ转换器在过采样的1bit数据流上进行重复滤波和采样,以“建立”一个更高精度的24bit波形。滤波和采样在芯片内部自行完成。
Σ-Δ转换器方框图
内置数字滤波器拥有较理想的通带平坦度和阻带高衰减的特性,陡峭滤波器允许系统的带宽非常接近奈奎斯特频率(例如一个200kS/s数字转换器是90kHz),同时去掉截止频率以上的混叠频率。除消费类音频外,具有这些特性的Σ-Δ ADC还可用于诸如FFT分析仪之类的频域仪器。
但同时也因配有内置陡峭滤波器,使得Σ-Δ转换器不适用于冲击信号这类阶跃响应的比较重要的数据采集应用。
物理学决定了陡峭滤波器会在某个时域阶跃上不可避免地产生大的上冲和下冲。上冲被称为吉布斯现象,会在电压阶跃处造成最高可达20%的测量误差。
接下来用一个典型瞬态波形的示例来阐述Σ-Δ ADC为什么不能用于一般用途的数据采集使用。
上图的波形是一个上升迅速,下降较慢的示例脉冲。之所以拿这种波形作为示例是因为材料试验、弹道学、碰撞、开关装置、机电学和电子应用等众多测试的典型特征。右边(红色的)波形是采用逐次逼近型(SAR)A/D转换器获得的,左边(蓝色的)严重失真的波形是采用Σ-ΔADC或使用陡峭滤波器数字化后的相同信号,很明显蓝色波形振幅误差超过13%,这样的测量数据是不可靠的。
尽管Σ-Δ能够提供频域高精度,但是其对于阶跃信号最高可达20%的未知振幅误差意味着也许仅获得2bit的实际精度!
不仅是Σ-Δ失真,振幅误差超出可接受范围,还存在易多变的问题。
在数据不可靠以及多变的情况下,再高的AD位数都是毫无意义的。
逐次逼近型A/D转换器则不受此影响。
SAR型A/D
Σ-Δ型24bit A/D转换器
低成本、高精度的Σ-Δ型24bit A/D转换器是频域或音频应用上的绝佳选择,能提供卓越的动态表现和性能。
但多变和不确定达20%的过冲,决定了Σ-ΔA/D对于爆破、冲击等现场应用的局限,而传统的SAR型AD可为这类信号的精确测量提供更好的解决方案。
3
放大器宽带的影响
冲击信号的上升沿比较陡峭,频率范围比较宽,因此采集设备需要足够高的采样频率来记录信号。
但是,仅仅提高采样频率是不够的,放大器频宽这个重要指标决定了宽频特征的物理信号能客观真实被放大。
如果采集设备的频宽不够,那么再高的采样频率,都无法将信号真实的记录下来,同时也会使采集阶跃信号时的吉布斯现象更加明显,造成信号失真。
综上所述,对于冲击信号的测量,采集设备使用传统的逐次逼近型(SAR) AD转换器比Σ-ΔADC转换器更合适,同时设备的放大器带宽应当足够高,才能保证冲击信号能够有效、真实的采集和记录下来。
【关
于
东华测试】
国内测试行业A股上市公司
微信号:dhtest
官网:http://www.dhtest.com/
客服热线:400-6565-228
欢迎关注东华测试
服务
号
【声明】内容源于网络
0
0
东华测试
江苏东华测试技术股份有限公司自1993年以来始终专注于结构力学性能智能化测试分析系统的研发和生产,已为上万家用户提供了测试解决方案。
内容
185
粉丝
0
关注
在线咨询
东华测试
江苏东华测试技术股份有限公司自1993年以来始终专注于结构力学性能智能化测试分析系统的研发和生产,已为上万家用户提供了测试解决方案。
总阅读
117
粉丝
0
内容
185
在线咨询
关注