



据悉,此项目为广西华宏建材有限公司年产20万吨精制石英砂生产线改造建设项目,于2024年1月环评获批。该项目总投资4098万元,环保投资152万元,建设地点为广西壮族自治区南宁市邕宁区蒲津路 113 号广西华宏建材有限公司生产厂区内。原料均来自外购,不涉及石英矿开采,不属于能源开发、利用项目。该公司现有水泥粉磨生产线在生产,原厂煤棚、旋窑原料堆棚等厂房、设施已闲置。本项目利用广西华宏建材有限公司旧场地、旧厂房、部分旧设备、旧设施,改造建设石英石堆场、破碎车间、清洗筛分车间、色选车间、酸洗车间、制砂车间以及石英粉车间等。产品方案如下:

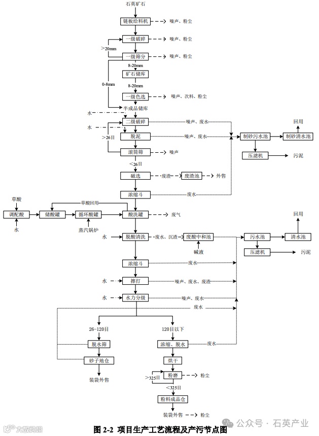
生产流程如下:

推荐阅读 >>>
免责声明:本账号部分内容来源于网络,由小编整理发布,目的是为了传递和分享更多行业信息,并不代表本账号赞同其观点和对其真实性负责;如若侵犯您的权益或有其他不适之处,请联系我们,并提供相关证明,我们将及时处理。转载请注明出处。

