特别邀请:各位看官,本文所附的8个品质流程图,做的比较粗,欢迎在评论区分享更优更详细的流程图。多谢多谢!
本篇重点:
不是所有的品质管理需求,都通过ERP系统实现。
品质管理体系中,与ERP相关的八个基础流程图。
四项品质管理指标,通过ERP系统进行统计。
罗涛是金达公司的体系部经理,在加入金达公司之前,罗涛在其他公司任职质量部经理,并兼任体系部经理,对企业的质量管理体系非常了解。
改革开放以后,在ISO国家标准化组织的管理体系中,对我们制造业影响最大的ISO9000质量管理体系,罗涛对这些体系是轻车熟路。过去,“本公司通过ISO9001国际质量认证”的大标语,已经成为无数工厂外建筑的一部分。绝大部分制造业的管理体系,都是围绕ISO9000搭建起来的。
ERP系统中,品质能够管理什么?罗涛对此并不清楚。罗涛找时间,先与唐文沟通。唐文简单地介绍目前ERP系统与品质相关联的操作:
在物料采购到厂环节,系统设置了进料检验的环节,系统主要是记录检验的结果,合格?还是不合格?不合格的可以特采、挑选或退货。
在制程检验环节,系统只设置了对最终完成的半成品或成品按工单检验,检验的结果在系统中进行记录。
在出货检验环节,系统也按出货单设置了检验,并记录检验的结果。
“这非常简单啊!只是三个检验节点的记录而已,”罗涛回应道,“品质检验的绝大部分内容,都没有在系统中得到管理及体现。”
“是的,三个基础的检验环节,目前都没有在系统中做。”唐文说道。
“我们的检验标准,抽样的方案等,都没有办法通过ERP系统实现?”罗涛继续问道。
“是的,系统最多支持在系统中上传附件,比如把检验标准,抽样方案等作为附件上传到系统中并与物料编码相关联。”
“在质量管理中,有非常重要的一项,就是物料、半成品及成品的可追溯性,现在的系统能实现吗?”罗涛继续发问,所有的外部审核与客户验厂,都会审核这一条,但是,追溯性的管理确实比较难,过去,都是采取手工记录的方式进行。
“我们的系统有一个批次号管理,每次进料、半成品及成品入库,都可以按一定规则,赋予其一个批次号。但是,实际上没有启用。物料批次性管理,也只有采用了PDA扫码的方式去管理物料出入库,也才有效,目前,很少有企业使用。”
“因为品质目前没有在系统操作,所以对于供应商的合格率等,系统也无法统计了。”罗涛自言自语道。
“那当然了。”
与唐文沟通后,罗涛对ERP所能实现的品质管理功能,以及目前使用的情况,有一个初步的了解,他决定先去找傅宸沟通。罗涛到了傅宸办公室,把了解的情况,简单报告了一下。
傅宸沉思了片刻,说:“我们目前的ERP,还是重点把从接单、计划、采购、生产、仓储以及出货这个环节管理好,品质就把IQC、FQC以及OQC三个重要的检验节点记录一下就可以了,你安排一个时间,找唐文和钱经理一起聊一下,我们顺便把与ERP相关的品质流程定出来。”
讨论会议定在周三下午三点,参加会议的人有傅宸、罗涛、唐文、李俊以及品质经理钱良。品质钱良对质量管理的系统化,期望还是很大的,他列举了自己的一大串希望通过系统实现的需求:
进料检验的抽样方案,检验标准及检验记录;
MRB通过系统会签及判定;
首件检验在系统记录;
关键节点测试的SIP以及检验结果;
品质巡回检验在系统记录;
FQC的抽样检验方案、SIP以及检验结果;
OQC的抽样检验方案、SIP以及检验结果;
品质CAR(纠正措施请求)在系统中实现;
物料的批次性追溯;
……
“老钱啊,你太专业了,基本上要把品质管理的系统,全部搬到ERP上来实现了,不过,目前的ERP系统,可能满足不了你这么多的需求。唐工,你把现在ERP能实现的,给钱经理简单介绍一下,可以登录到系统上,进行说明。”罗涛笑着说道。
唐文登录进系统,把ERP有关品质的几个操作,给大家演示了一遍,最后说:“我们目前,只能实现IQC、FQC以及OQC三个最基本检验结果的记录功能。”
“这太简单了。”钱良有些失望。
“ERP其实很简单,但是,我们花了三年时间,这些简单的功能,都不能串起来用好,钱经理还是要忍一忍,先把最基本的功能用起来再说,等我们用好了,到时候再换系统吧。”傅宸插了一句话,“不过,我们希望,这几个关键环节的检验,能够输出检验统计报表,钱经理,可以列一列需要的报表。”
钱经理从前到后,把需要的报表,列举了出来:
进料检验批合格率:汇总统计表以及分供应商的统计表;
FQC检验批合格率:汇总统计及分各车间统计;
OQC检验批合格率:汇总统计及分客户统计;
材料上线不良率:分供应商统计。
“这些检验的不良率,能不能细分一下不良类型呢?以便我们快速地分析改进?”钱良补充了自己对报表的进一步需求。
唐文回应道:“以上四类报表,通过系统的标准功能,是可以实现的。但是,对于细分的不良项,需要通过二次开发实现,而且,不同的产品,其不良的项目是不同的,这个需要品质整理出来后,我们再二次开发实现,不过,要等到本次顺利上线后再做。”
经过讨论,最终大家达成了共识,先把IQC、FQC以及OQC的检验在系统实现,并通过系统完成检验合格率的统计。
“我们还要再简单讨论一下品质检验流程的事情,”罗涛最后说,“我们的ISO9000体系,都是围绕品质管理体系来搭建,不过,回到我们品质部,与ERP有关联的,我整理了以下6个流程清单,我投出来给大家看看。”罗涛把六个流程投影在大屏幕上:
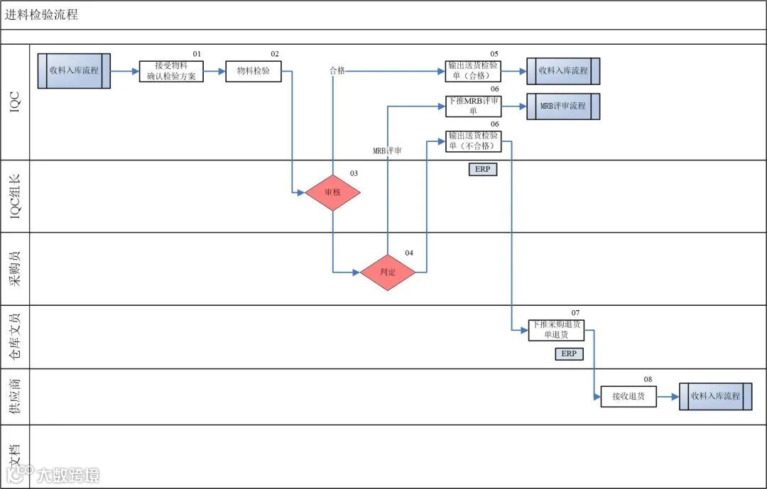
进料检验流程:规范进料检验的过程,从接收到物料送检单开始,到检验完成,检验不合格要参照MRB流程处理;
制程检验流程:规范生产过程检验的过程,包含首件检验、巡回检验以及FQC,过程异常时参照品质异常处理流程处理;
出货检验流程:规范出货检验的过程,从接到出货通知单开始,到检验完成,检验不合格要参考品质异常处理流程处理。
MRB评审流程:进料检验、制程检验过程中,发现材料品质异常的,不能马上判定退货的,走MRB评审流程。
品质异常处理流程:在制程检验,出货检验过程中,出现品质异常的,按本流程处理。
不良品处理流程:在进料检验过程中,发现的不良品,包含材料、半成品及成品,按本流程处理。
特采流程:在进料检验、制程检验以及出货检验过程中,出现品质不良,需要申请特采的,按本流程处理。
不良返工流程:在进料检验、制程检验以及出货检验过程中,发现的不良品,可能追溯到库存的不良品,需要返工的,按本流程处理。
对于流程清单及流程的范围及内容,大家基本上没有太多问题。会议最后决议,流程图由钱经理负责在下周完成,涉及ERP操作的,由唐文协助完成。
钱经理对品质管理的内容还是非常熟悉的,只是之前没有采用VISIO绘制流程图,如何梳理流程的过程及活动,如何定义活动,开始有些不熟悉与不适应,在罗涛的协助下,还是完成了流程图的初稿。
8月第一周周三,流程图的初步讨论,在大会议室进行,大家对流程图的细化,提了一些意见,钱经理快速地做了一些修改。
钱经理最后感叹道:“我以为自己对品质管理的流程非常熟悉了,但通过使用VISIO来梳理流程,其实在很多细节地方,我仍然不够清晰,用VISIO来梳理流程,确实是一个非常好的工具。”
“这一次,我们对于流程活动的时间,其实还是没有具体的规定,这也是我们后续需要优化的方向。”
“下周,我们完成8个流程文件的制定,会签完成后,我们再受控发行。”
欲知后事如何,且听下回分解。
延伸阅读:
企业数字化流程管理之21---《企业业务流程变革管理2.0》PPT分享
-END-

