| 铸件订单求找铸造厂合作 | |
| 名称 | 对重块 |
| 材质 | 铸铁(排号无要求) |
| 单重 | 35kg |
| 数量 | 3000吨 |
| 要求 | 重量达标,表面刷一层防腐漆,客户不提供模具 |
| 付款方式 | 预付50%货款 |
| 交付地 | 苏州 |
| 备注 | 最好是短流程铁厂/铸造厂生产 |
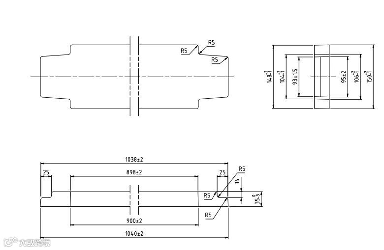
| 图纸 | 如下图所示 |
| 报价联系请说明 | 铸造厂名称、地址、报价等信息 |
意向厂家请联系
汤经理:13739234595(微信同号)
关注我们
不错过任何铸件订单机会!
欢迎留言你的主营品类,精准匹配需求~
往期回顾
铁谷铸件订单对接群
欢迎扫码加小编
邀您入群
(进群备注:企业名称)
编辑:铁谷小姜
排版:铁谷小姜
审核:小谷
免责声明:除注明原创及明确标注来源外,文章系网络转载,版权归原作者所有。但因转载众多,或无法确认真正原始作者,故仅标明转载来源,如标错来源,涉及作品版权问题,请与我们联系,并立即通知铁谷信息(投诉邮箱:tangting@tiegu.net),铁谷信息将调查核实后根据法律规定予以更正或删除,同时向您表示歉意!我们将在第一时间协商。

