电路问题计算的先决条件是正确识别电路,搞清楚各部分之间的连接关系。对较复杂的电路应先将原电路简化为等效电路,以便分析和计算。识别电路的方法很多,现结合具体实例介绍十种方法。
串并联电路的特征是;串联电路中电流不分叉,各点电势逐次降低,并联电路中电流分叉,各支路两端分别是等电势,两端之间等电压。根据串并联电路的特征识别电路是简化电路的一种最基本的方法。
解:设电流由A端流入,在a点分叉,b点汇合,由B端流出。支路a—R1—b和a—R2—R3(R4)—b各点电势逐次降低,两条支路的a、b两点之间电压相等,故知R3和R4并联后与R2串联,再与R1并联,等效电路如图2所示。
在实验室接电路时常常可以这样操作,无阻导线可以延长或缩短,也可以翻过来转过去,或将一支路翻到别处,翻转时支路的两端保持不动;导线也可以从其所在节点上沿其它导线滑动,但不能越过元件。这样就提供了简化电路的一种方法,我们把这种方法称为伸缩翻转法。
解:先将连接a、c节点的导线缩短,并把连接b、d节点的导线伸长翻转到R3—C—R4支路外边去,如图4。
再把连接a、C节点的导线缩成一点,把连接b、d节点的导线也缩成一点,并把R5连到节点d的导线伸长线上(图5)。由此可看出R2、R3与R4并联,再与R1和R5串联,接到电源上。
电流是分析电路的核心。从电源正极出发(无源电路可假设电流由一端流入另一端流出)顺着电流的走向,经各电阻绕外电路巡行一周至电源的负极,凡是电流无分叉地依次流过的电阻均为串联,凡是电流有分叉地分别流过的电阻均为并联。
解:电流从电源正极流出过A点分为三路(AB导线可缩为一点),经外电路巡行一周,由D点流入电源负极。第一路经R1直达D点,第二路经R2到达C点,第三路经R3也到达C点,显然R2和R3接联在AC两点之间为并联。二、三络电流同汇于c点经R4到达D点,可知R2、R3并联后与R4串联,再与R1并联,如图7所示。
在较复杂的电路中往往能找到电势相等的点,把所有电势相等的点归结为一点,或画在一条线段上。当两等势点之间有非电源元件时,可将之去掉不考虑;当某条支路既无电源又无电流时,可取消这一支路。我们将这种简比电路的方法称为等电势法。
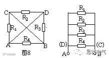
例4.如图8所示,已知R1=R2=R3=R4=2Ω,求A、B两点间的总电阻。
解:设想把A、B两点分别接到电源的正负极上进行分析,A、D两点电势相等,B、C两点电势也相等,分别画成两条线段。电阻R1接在A、C两点,也即接在A、B两点;R2接在C、D两点,也即接在B、A两点;R3接在D、B两点,也即接在A、B两点,R4也接在A、B两点,可见四个电阻都接在A、B两点之间均为并联(图9)。所以,PAB=3Ω。
节点就是电路中几条支路的汇合点。所谓支路节点法就是将各节点编号(约定;电源正极为第1节点,从电源正极到负极,按先后次序经过的节点分别为1、2、3……),从第1节点开始的支路,向电源负极画。可能有多条支路(规定:不同支路不能重复通过同一电阻)能达到电源负极,画的原则是先画节点数少的支路,再画节点数多的支路。然后照此原则,画出第2节点开始的支路。余次类推,最后将剩余的电阻按其两端的位置补画出来。
解:图10中有1、2、3、4、5五个节点,按照支路节点法原则,从电源正极(第1节点)出来,节点数少的支路有两条:R1、R2、R5支路和R1、R5、R4支路。取其中一条R1、R2、R5支路,画出如图11。
再由第2节点开始,有两条支路可达负极,一条是R5、R4,节点数是3,另一条是R5、R3、R5,节点数是4,且已有R6重复不可取。所以应再画出R5、R4支路,最后把剩余电阻R3画出,如图12所示。
几何变形法就是根据电路中的导线可以任意伸长、缩短、旋转或平移等特点,将给定的电路进行几何变形,进一步确定电路元件的连接关系,画出等效电路图。
解:使ac支路的导线缩短,电路进行几何变形可得图14,再使ac缩为一点,bd也缩为一点,明显地看出R1、R2和R5三者为并联,再与R4串联(图15)。
根据串并联电路特点知,在串联电路中,撤去任何一个电阻,其它电阻无电流通过,则这些电阻是串联连接;在并联电路中,撤去任何一个电阻,其它电阻仍有电流通过,则这些电阻是并联连接。
仍以图13为例,设电流由A端流入,B端流出,先撤去R2,由图16可知R1、R3有电流通过。再撤去电阻R1,由图17可知R2、R3仍有电流通过。同理撤去电阻R3时,R1、R2也有电流通过由并联电路的特点可知,R1、R2和R3并联,再与R4串联。
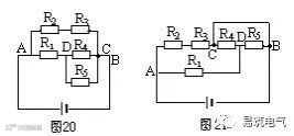
让电流从电源正极流出,在不重复经过同一元件的原则下,看其中有几条路流回电源的负极,则有几条独立支路。未包含在独立支路内的剩余电阻按其两端的位置补上。应用这种方法时,选取独立支路要将导线包含进去。
方案一:选取A—R2—R3—C—B为一条独立支路,A—R1—R5—B为另一条独立支路,剩余电阻R4接在D、C之间,如图19所示。
方案二:选取A—R1—D—R4—C—B为一条独立支路,再分别安排R2、R3和R5,的位置,构成等效电路图20。
方案三:选取A—R2—R3—C—R4—D—R5—B为一条独立支路,再把R1接到AD之间,导线接在C、B之间,如图21所示,结果仍无法直观判断电阻的串并联关系,所以选取独立支路时一定要将无阻导线包含进去。
将已知电路中各节点编号,按电势由高到低的顺序依次用1、2、3……数码标出来(接于电源正极的节点电势最高,接于电源负极的节点电势最低,等电势的节点用同一数码,并合并为一点)。然后按电势的高低将各节点重新排布,再将各元件跨接到相对应的两节点之间,即可画出等效电路。
节点排列:将1、23节点依次间隔地排列在一条直线上,如图23。
元件归位:对照图22,将R1、R2、R3、R4分别跨接在排列好的1、2得等效电路如图24。
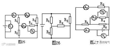
若复杂的电路接有电表,在不计电流表A和电压表V的内阻影响时,由于电流表内阻为零,可摘去用一根无阻导线代替;由于电压表内阻极大,可摘去视为开路。用上述方法画出等效电 搞清连接关系后,再把电表补到电路对应的位置上。
例9.如图25的电路中,电表内阻的影响忽略不计,试画出它的等效电路。
解:先将电流表去,用一根导线代摘替,再摘去电压表视为开路,得图26。然后根据图25把电流表和电压表补接到电路中的对应位置上,如图27所示。

版权说明:本文内容来源网络文章,由本公众号编辑整理;版权归原作者所有,转载只为信息知识传播共享,对文中观点本公众号保持中立态度,如有侵权请后台联系小编删除.