生活中哪些自动化小知识是你不知道的?
每周一个“自动化小知识”,让我们在PLC的道路上共同成长!
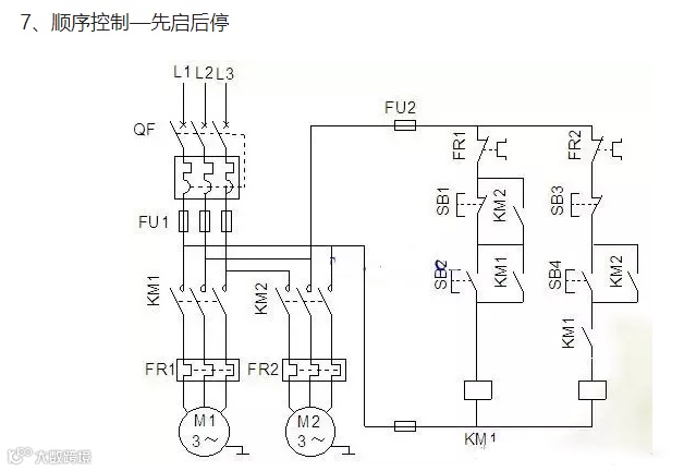
电路图是一切自动化和智能化控制的基础,如果看不懂电路图,那么电工技术几乎寸步难行,更别提能拿高薪了!因此熟练的读懂和掌握电路图是每一个电工作业人员的基本技术要求,也是电工必须要掌握的技能。
弄明白这13张电路图,你就是个资深电工了!有需要的小伙伴们记得收藏起来噢
难度指数:★★★★

Coolmay顾美科技
生活中哪些自动化小知识是你不知道的?
每周一个“自动化小知识”,让我们在PLC的道路上共同成长!
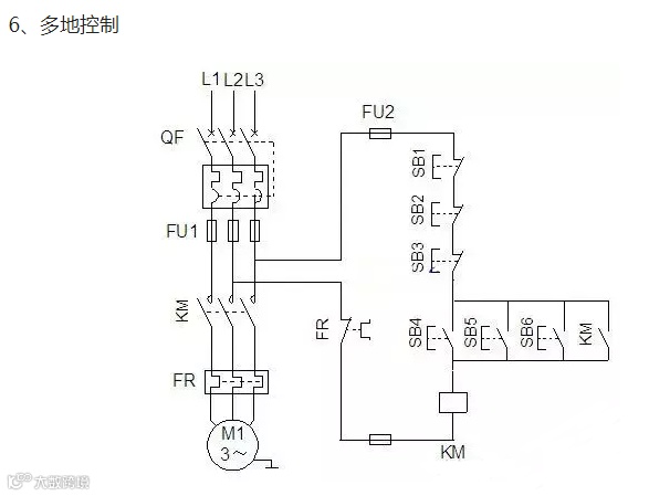
电路图是一切自动化和智能化控制的基础,如果看不懂电路图,那么电工技术几乎寸步难行,更别提能拿高薪了!因此熟练的读懂和掌握电路图是每一个电工作业人员的基本技术要求,也是电工必须要掌握的技能。
弄明白这13张电路图,你就是个资深电工了!有需要的小伙伴们记得收藏起来噢
难度指数:★★★★
