灭火器是扑救初起火灾的重要消防器材,在建筑物内正确地选择灭火器的类型,确定灭火器的配置规格与数量,合理地定位及设置灭火器,保证足够的灭火能力,并注意定期检查和维护灭火器,就能在被保护场所一旦着火时,迅速地用灭火器扑灭初起小火,减少火灾损失并保障人身和财产安全。
一般规定:
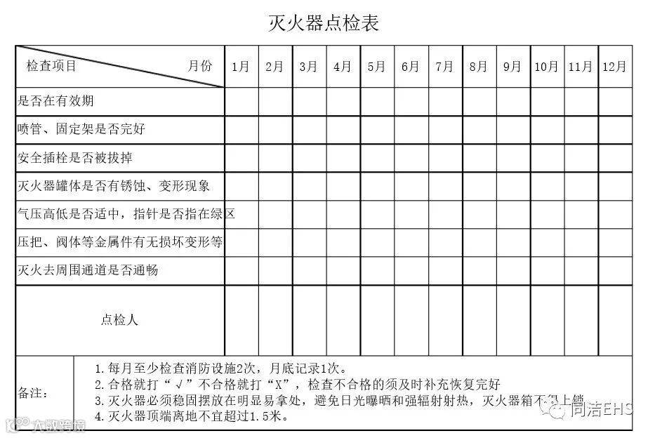
1.灭火器的检查与维护应由相关技术人员承担。
2.每次送修的灭火器数量不得超过计算单元配置灭火器总数量的1/4。超出时,应选择相同类型和操作方法的灭火器替代,替代灭火器的灭火级别不应小于原配置灭火器的灭火级别。
3.检查或维修后的灭火器均应按原设置点位置摆放。
4.需维修、报废的灭火器应由灭火器生产企业或专业维修单位进行。
日常检查:
1.灭火器的配置、外观等应按要求每月进行一次检查。
2.下列场所配置的灭火器,应按要求每半月进行一次检查。
2.1候车(机、船)室、歌舞娱乐放映游艺等人员密集的公共场所;
2.2堆场、罐区、石油化工装置区、加油站、锅炉房、地下室等场所。
3.日常巡检发现灭火器被挪动,缺少零部件,或灭火器配置场所的使用性质发生变化等情况时,应及时处置。
4.灭火器的检查记录应予保留。



来源:GB50444-2008、GB4351.1-2005、GB8109-2005
政策不断变化,仅为参考,如有不足之处望指正!

