高速吹风机变频方案介绍
高速吹风机,特别是转速突破10万转的产品,已成为消费电子和个护领域的新标杆。相比于传统电吹风,高速吹风机的风量更大,能减少对头发的伤害,噪音更低,使用体验也更好。针对高速吹风机市场,英飞凌推出16万转及以上无感FOC的高速吹风机解决方案。该方案采用PSOC™ Control C3,搭配英飞凌的CoolGaN™ Half-Bridge IPS,能够实高达100KHz的载频控制,支持快速启停,400毫秒内可达最大转速。
方案特性如下:
PWM载波频率和控制频率高达100Khz
无传感器FOC算法执行时间<8us
支持动态PWM载频变换功能(5Khz至100Khz)
兼容7/5段SVPWM,减少PWM开关损耗
支持半周期PWM更新模式,提高位置估算精度和电流环相应时间
电机参数在线识别,控制参数自适应
极强的系统方案鲁棒性,电机参数±80% 误差仍能保持正常工作
支持顺风启动,无抖动静止闭环启动,可靠性100%
伪差分 ADC 采样,无需外部运放和比较器,PCB走线更简洁,噪音抑制能力更强
兼容Single/leg/3 电阻电流采样模式
支持完整的电机控制保护和 IEC60730 安全功能
电机控制解决方案已通过量产验证
PSOC Control C3 产品介绍
PSOC Control C3是英飞凌专门为电机控制和数字电源而设计的MCU,集成了专门针对电机应用优化的外设,支持电机常见的各种控制方式,它具有适合无感FOC控制的相关外设和亮点:
高性能可编程模拟子系统
高性能可编程模拟子系统
12 位12Msps SAR ADC,支持 16 个模拟通道进行并行空闲采样
每个通道都配备独立采样保持器
每个通道可独立配置增益(1、3、6、12)
所有通道都支持同步采样模式
16 个模拟通道可分配给 8 个独立的组,每组支持8路触发源
支持伪差分采样模式
每个通道集成限幅检测功能(助力过流/过压保护,减少CPU干预)
支持 ADC DMA 和 FIFO 模式,减少 CPU 干预
ADC 模拟输出可直接接入CSG 比较器进行保护
10 位 DAC 为比较器的输入提供参考电压
提供多路触发源输出(用于关键外设同步触发)
单电阻伪差分ADC采样结构图
灵活的TCPWM
面向不同PWM应用的灵活计数模式以及灵活的输入输出触发信号。
TCPWM用于单电阻采样
3 个TCPWM 计数器用于产生 3 对互补 PWM 信号。1个 TCPWM 计数器用作 ADC 触发信号。电机运行时,所有 4 个 TCPWM 计数器同步。
溢出事件触发 FOC 中断,并在前半个 PWM 周期内执行。
所有 GPIO 均可用作 PWM 输出引脚,从而使 PCB 布局更加简便
从 AD 采样到下一次 PWM 比较更新的时间间隔仅为约半个 PWM 周期,从而显著提升电流环 带宽和观测器性能
基于PSOC Control C3控制器的高速吹风机变频方案介绍
Demo硬件
基于PSOC Control C3 的高速吹风机Demo可以使用KIT_PSC3M5_CC2的MCU控制卡搭配高压GaN驱动板的灵活方案。
基于PSOC Control C3 MCU控制卡和高压GaN驱动板的Demo
系统框图
高速吹风机系统框图
ADC 支持伪差分输入采样模式
ADC 通道支持同步采样模式
内部 CSG 比较器的正相输入信号来自 ADC 引脚,反相参考信号来自 DAC
反电势相电压仅用于高反电势电压电机
无感FOC控制
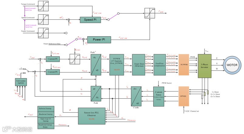
支持3 种控制模式:转矩、功率和速度控制,具有顺风、逆风和静态直接闭环启动、死区补偿等功能。
无感FOC控制框图
FOC执行时间
得益于以下特性,PSOC Control C3高速吹风机的无传感器FOC算法执行时间<8us:
主频180MHz
单精度浮点运算单元(FPU)和DSP
16KB的I-Cache
基于 Arm® v8-M 架构的 Arm® 3 级流水线 (3PIP)
通过 I-Cache 的 AHB (C-AHB) 总线,无任何时间延迟
无传感器FOC算法执行时间
高速吹风机控制性能展示
滑动查看更多性能展示
可以看出直接闭环启动非常的平稳,没有抖动,335ms到满速。
结语
16万转的高速吹风机的整体解决方案,采用基于32位ARM Cortex-M33内核,180MHz主频的PSOC Control C3,搭配英飞凌的CoolGaN™ Half-Bridge IPS,可实现100KHz开关频率单电阻FOC控制,支持快速加减速,具有损耗低、运行稳定、BOM成本低等特点。对方案感兴趣的朋友可以联系我们获取完整方案的硬件和软件资料。
点击这里,了解更多信息。
想寻找更多应用或产品信息?
想联系我们购买产品?
欢迎扫描二维码并填写表单,
我们将后续跟进。

