搜索
首页
大数快讯
大数活动
服务超市
文章专题
出海平台
流量密码
出海蓝图
产业赛道
物流仓储
跨境支付
选品策略
实操手册
报告
跨企查
百科
导航
知识体系
工具箱
更多
找货源
跨境招聘
DeepSeek
首页
>
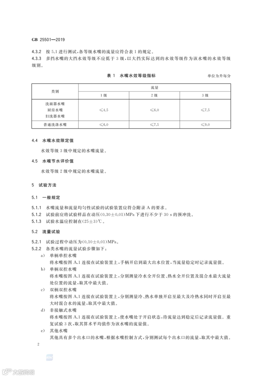
水嘴水效限定值及水效等级
>
0
0
水嘴水效限定值及水效等级
贵州创亿宝能节能科技有限公司
2024-08-02
0
水嘴水效限定值及水效等级
【声明】内容源于网络
0
0
贵州创亿宝能节能科技有限公司
●系统智慧节水建设● 企事业单位合同节能管理服务● 单位能耗监控软件平台方案设计、实施● 单位水量平衡测试服务工程● 专业地下管网漏损探测工程●节水型单位创建●中水循环利用回收处理
内容
105
粉丝
0
关注
在线咨询
贵州创亿宝能节能科技有限公司
●系统智慧节水建设● 企事业单位合同节能管理服务● 单位能耗监控软件平台方案设计、实施● 单位水量平衡测试服务工程● 专业地下管网漏损探测工程●节水型单位创建●中水循环利用回收处理
总阅读
7
粉丝
0
内容
105
在线咨询
关注